GM Service Manual Online
For 1990-2009 cars only
Makes
🢒
Chevrolet
🢒
2000
🢒
Corvette
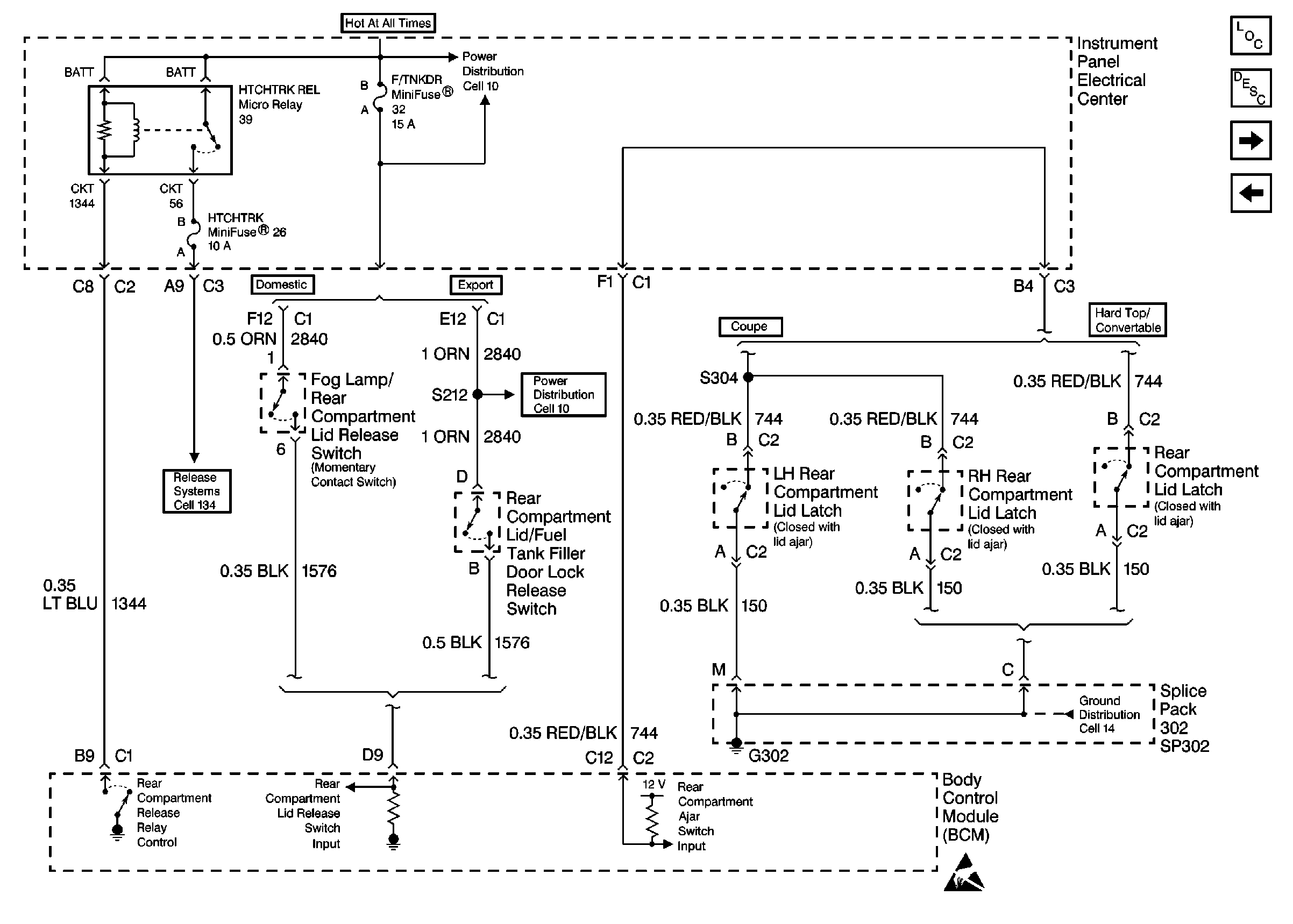
🢒 Cell 51: Fuel Door and Hatch Control
Cell 51: Fuel Door and Hatch Control
Cell 51: Fuel Door and Hatch Control
Body Control Module Components
Body Control System Description
Cell 51: Ignition Switch, Steering Column Lock Control and Ambient LiGht Sensor
Cell 51: Fog Lamp Circuit and ALC PRK LP Relay
Cell 10: I/P Fuses 32, 26, Relay 39
Cell 134: Rear Compartment Lid Release (Hardtop/Convertible)
Cell 10: I/P Fuses 32, 26, Relay 39
Cell 14: SP302, G302
Handling ESD Sensitive Parts Notice