GM Service Manual Online
For 1990-2009 cars only
Makes
🢒
Chevrolet
🢒
2000
🢒
Corvette
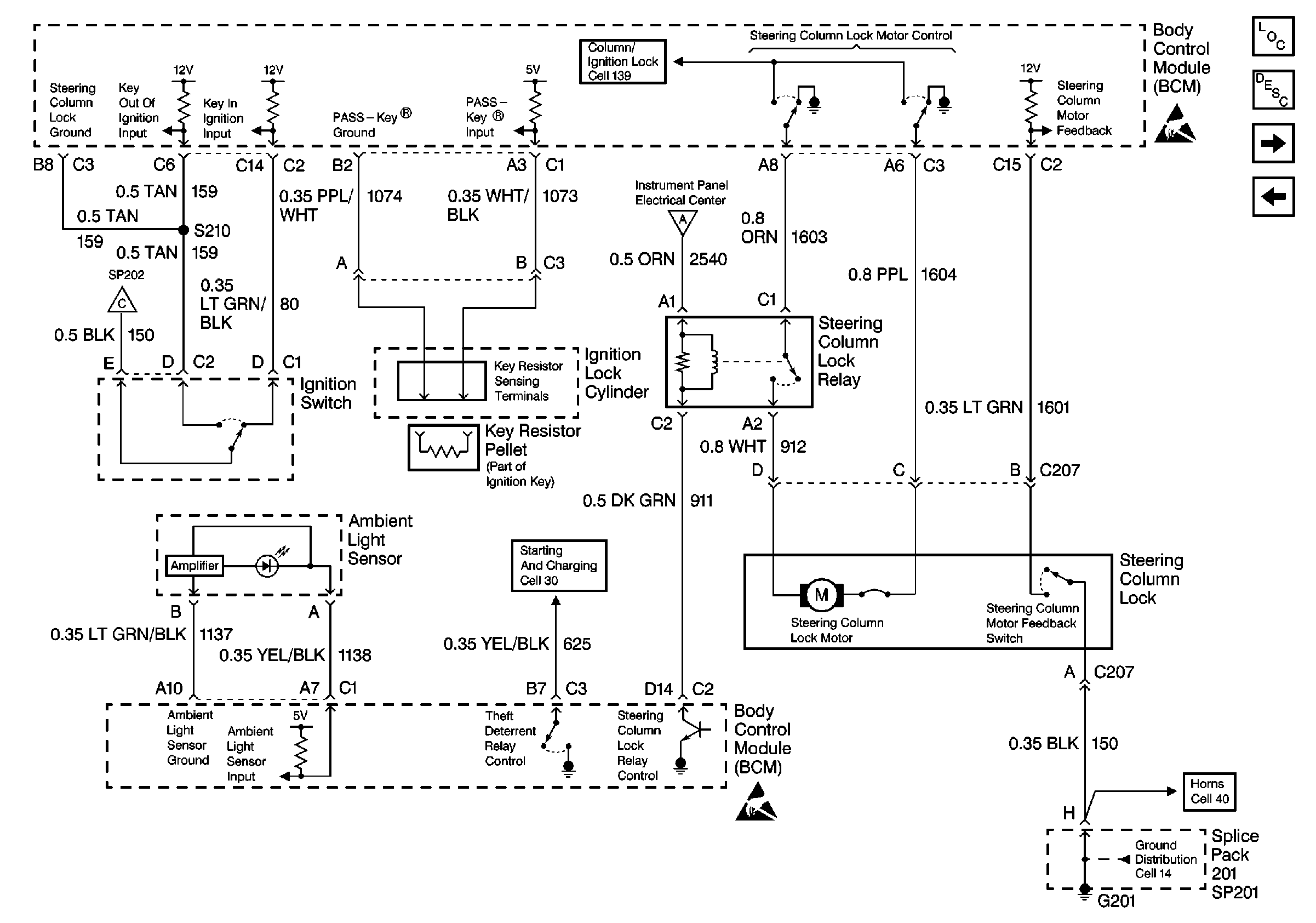
🢒 Cell 51: Ignition Switch, Steering Column Lock Control and Ambient LiGht Sensor
Cell 51: Ignition Switch, Steering Column Lock Control and Ambient LiGht Sensor
Cell 51: Ignition Switch, Steering Column Lock Control and Ambient Light Sensor
Body Control Module Components
Body Control System Description
Cell 51: Door Ajar Switches
Cell 51: Fuel Door and Hatch Control
Cell 139: Steering Column Lock (Late Production)
Handling ESD Sensitive Parts Notice
Cell 51: Power, Ground and DLC
Cell 51: Power, Ground and DLC
Cell 30: Starting System
Handling ESD Sensitive Parts Notice
Cell 14: SP201, SP203, G201
Cell 40