GM Service Manual Online
For 1990-2009 cars only
Makes
🢒
Chevrolet
🢒
2000
🢒
Corvette
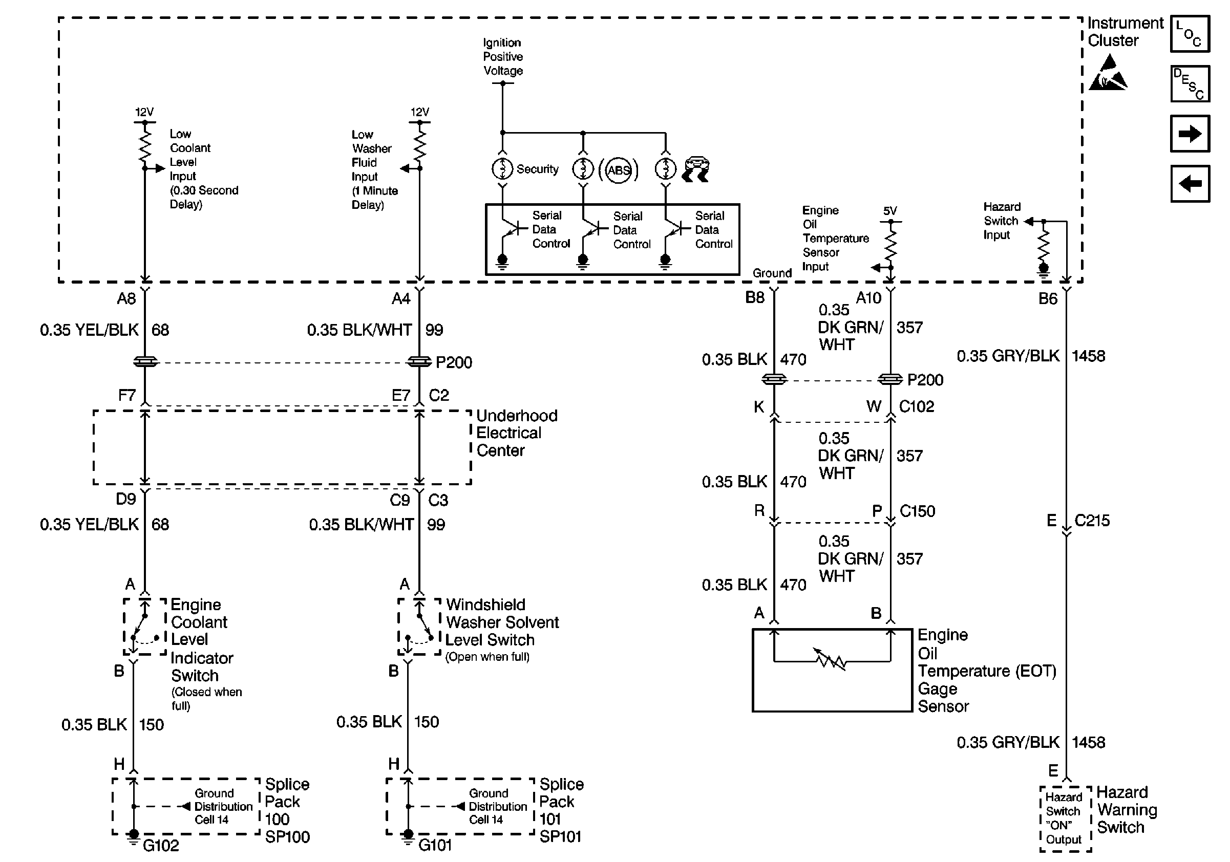
🢒 Cell 81: Miscellaneous Switch Inputs
Cell 81: Miscellaneous Switch Inputs
Cell 81: Miscellaneous Switch Inputs
Instrument Cluster Components
Instrument Cluster Description
Cell 81: Driver Information Center and Dimmer Switch
Cell 81: Indicators
Handling ESD Sensitive Parts Notice
Cell 14: SP101, SP100, G101, G102
Cell 14: SP101, SP100, G101, G102