GM Service Manual Online
For 1990-2009 cars only
Makes
🢒
Chevrolet
🢒
2000
🢒
Corvette
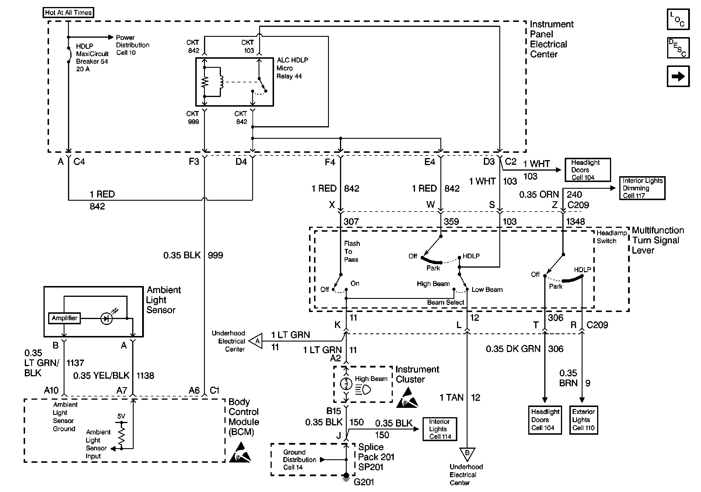
🢒 Cell 102: Headlamp Switch and Ambient Light Sensor
Cell 102: Headlamp Switch and Ambient Light Sensor
Cell 102: Headlamp Switch and Ambient Light Sensor
Lighting Systems Components
Cell 102: High and Low Beams
Cell 117: ALC PRK LP Relay
Cell 104: Power and Ground
Cell 10: I/P Fuses 52, 6, Relays 43, 44, Circuit Breaker 54
Cell 102: High and Low Beams
Handling ESD Sensitive Parts Notice
Cell 14: SP201, SP203, G201
Handling ESD Sensitive Parts Notice
Cell 114: CTSY LP Relay Control
Cell 102: High and Low Beams
Cell 104: Power and Ground
Cell 110: ALC PRK LP Relay