GM Service Manual Online
For 1990-2009 cars only
Makes
🢒
Chevrolet
🢒
2000
🢒
Corvette
🢒 Cell 104: Power and Ground
Cell 104: Power and Ground
Cell 104: Power and Ground
Lighting Systems Components
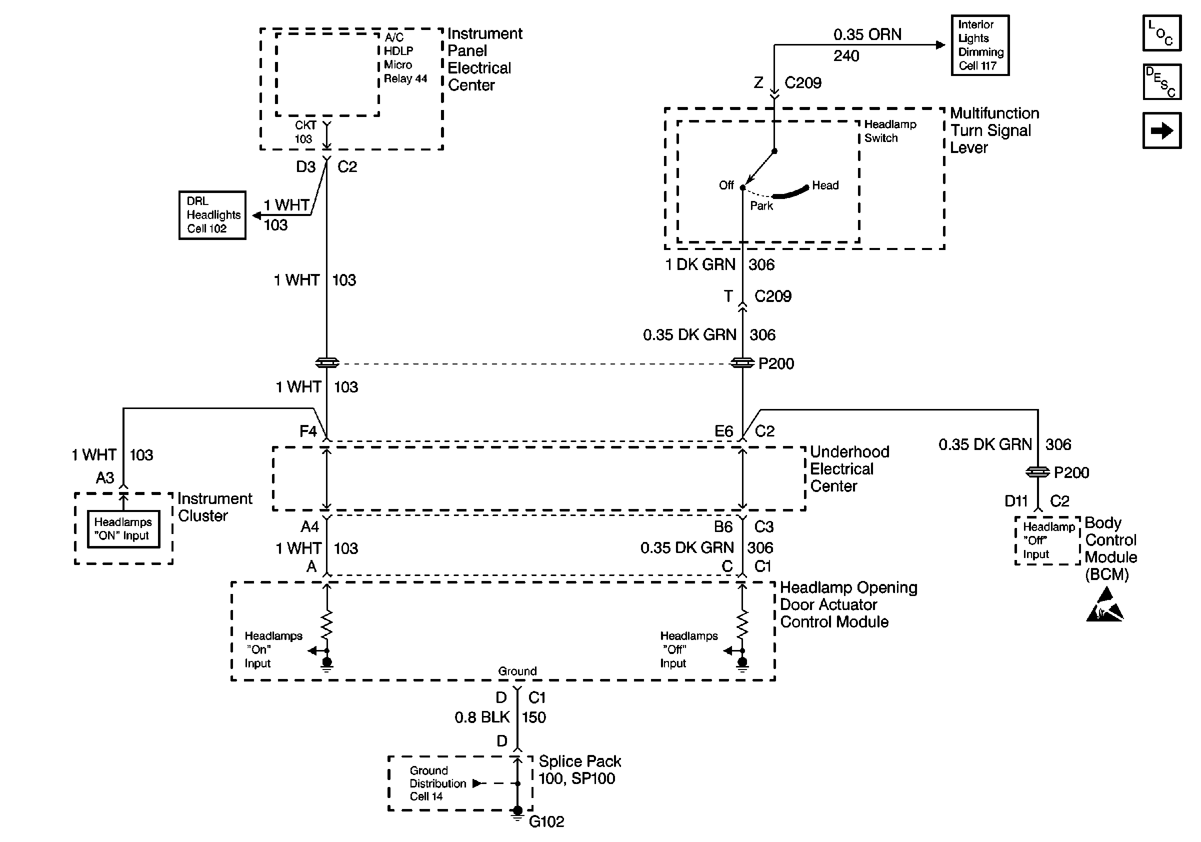
Headlight Doors Circuit Description
Cell 104: Headlamp Door Control
Cell 117: ALC PRK LP Relay
Handling ESD Sensitive Parts Notice
Cell 14: SP101, SP100, G101, G102
Cell 102: Headlamp Switch and Ambient Light Sensor