GM Service Manual Online
For 1990-2009 cars only
Makes
🢒
Chevrolet
🢒
2002
🢒
Corvette
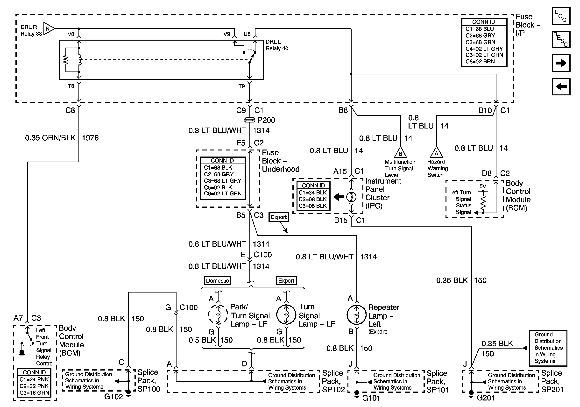
🢒 LF Turn Signal Indicators
LF Turn Signal Indicators
LF Turn Signal Indicators
Master Electrical Component List
Exterior Lighting Systems Description and Operation
RR Turn Signal Indicators
Ambient Light Sensor and RF Turn Signal Indicators
Ambient Light Sensor and RF Turn Signal Indicators
G101 and G102
G104
G101 and G102
Hazard Warning Switch and Turn Signal Switch
Hazard Warning Switch and Turn Signal Switch
G201
G201