GM Service Manual Online
For 1990-2009 cars only
Makes
🢒
Chevrolet
🢒
2005
🢒
Corvette
🢒
Body
🢒
Wiring Systems
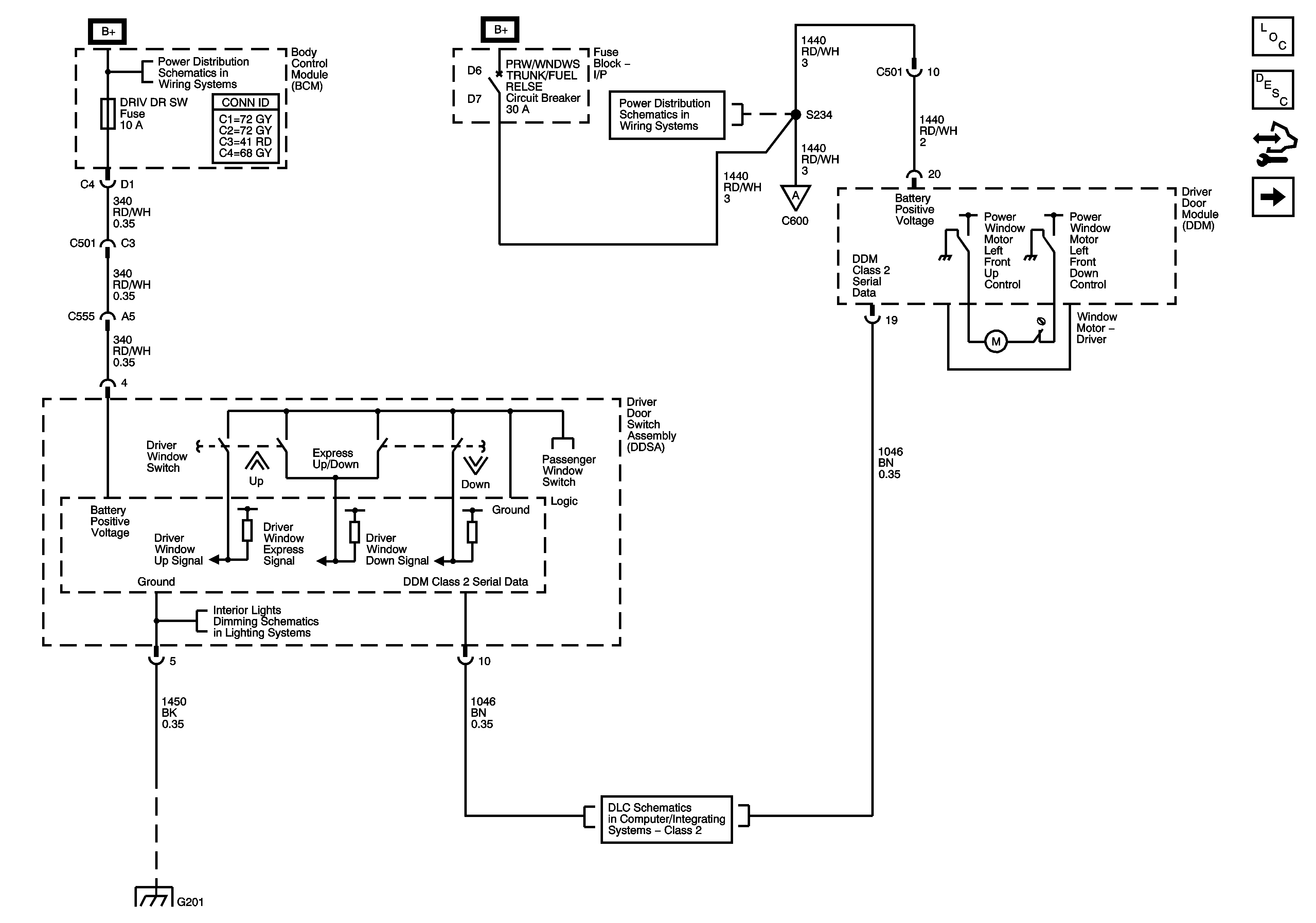
🢒 Power Window Schematics
Figure
1:
Driver
Master Electrical Component List
Power Windows Description and Operation
Control Module References
Passenger
Fuse Block-Underhood Fuse; BATT5, BCM Fuses; TILT TELE SW/ MEM SEAT MOD, DRIV DR SW, IGNITION SW/ INTR SENS, ONSTAR, TONNEAU PULLDOWN ACTUATOR
Passenger
DLC, HVAC Control Module, Radio and Switches
G201
Class 2
Figure
2:
Passenger
Master Electrical Component List
Power Windows Description and Operation
Control Module References
Driver
Driver
Class 2
DLC, HVAC Control Module, Radio and Switches
G202 1 of 2