GM Service Manual Online
For 1990-2009 cars only

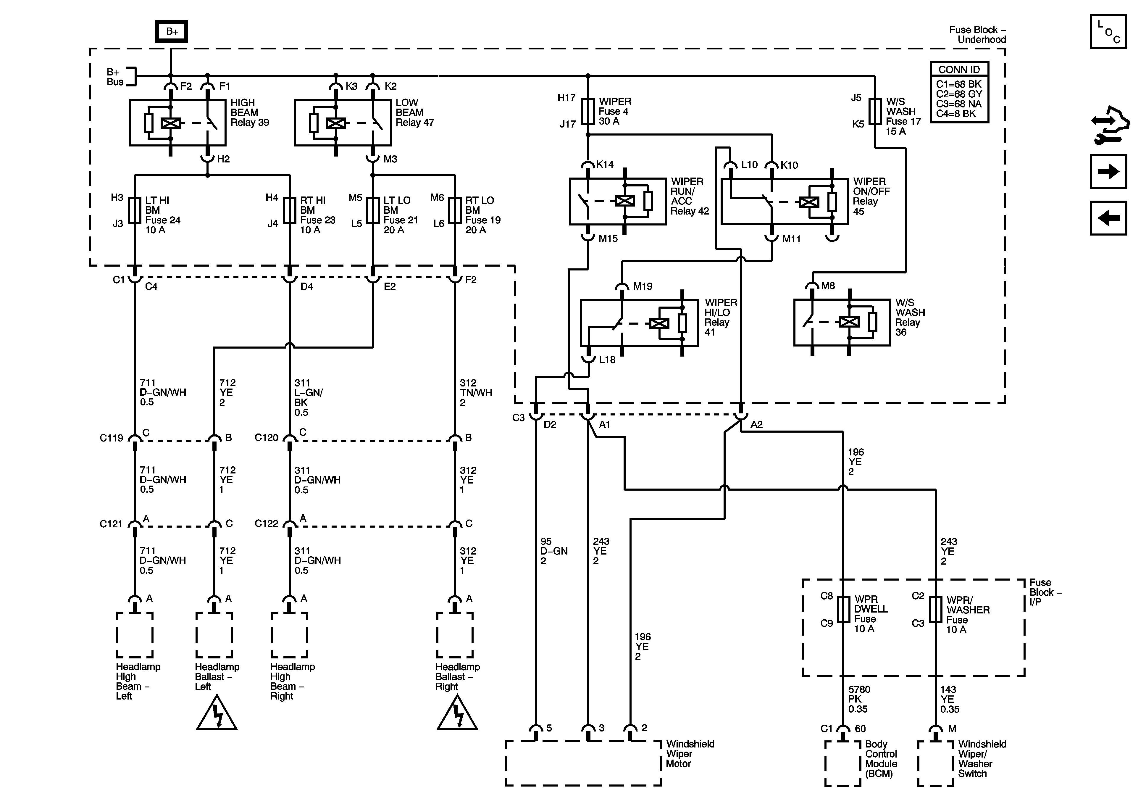
Fuse Block-Underhood Fuses; LT HI BM, RT HI BM, LT LO BM, RT LO BM, WIPER, W/S WASH, Fuse Block-I/P Fuses; WIPER DWELL, RUN/ACCESSORY POWER

Fuse Block-Underhood Fuses; LT HI BM, RT HI BM, LT LO BM, RT LO BM, WIPER, Fuse Block-I/P Fuses; WIPER DWELL, RUN/ACCESSORY POWER


Object Number: 1379909  Size: FS
Master Electrical Component List
Control Module References
Ignition Modes
Fuse Block-Underhood Fuses; ETC, O2 SEN, MAN TRANS, EMISSION, ODD INJ, EVEN INJ
Fuse Block-Underhood Bussing
Power and Grounding Schematic Icons
Power and Grounding Schematic Icons