GM Service Manual Online
For 1990-2009 cars only
Makes
🢒
Chevrolet
🢒
2005
🢒
Corvette
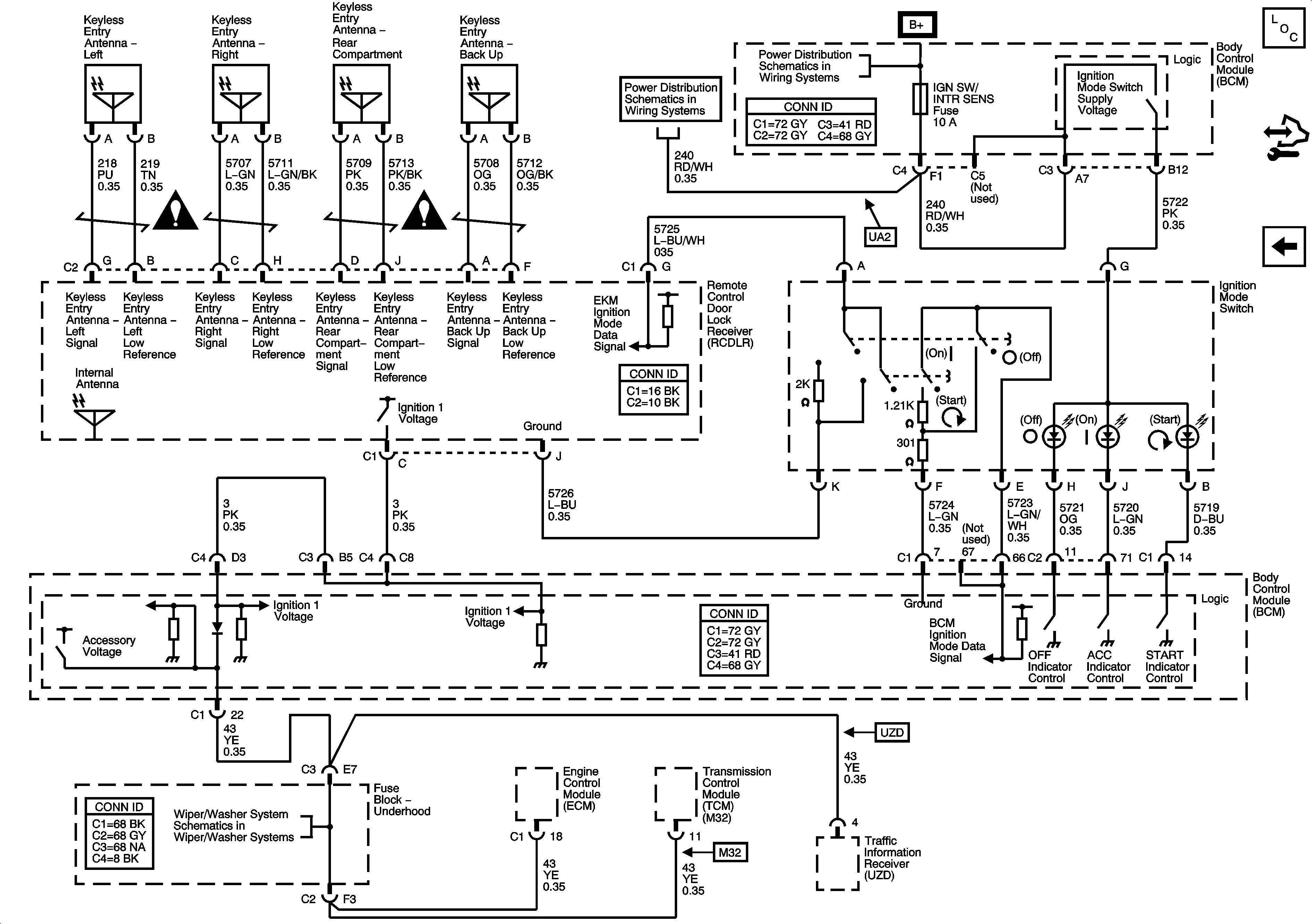
🢒 Ignition Modes
Ignition Modes
Ignition Modes
Master Electrical Component List
Control Module References
Fuse Block-Underhood Fuses; LT HI BM, RT HI BM, LT LO BM, RT LO BM, WIPER, W/S WASH, Fuse Block-I/P Fuses; WIPER DWELL, RUN/ACCESSORY POWER
Fuse Block-Underhood Fuse; BATT5, BCM Fuses; TILT TELE SW/ MEM SEAT MOD, DRIV DR SW, IGNITION SW/ INTR SENS, ONSTAR, TONNEAU PULLDOWN ACTUATOR
Fuse Block-Underhood Fuse; BATT5, BCM Fuses; TILT TELE SW/ MEM SEAT MOD, DRIV DR SW, IGNITION SW/ INTR SENS, ONSTAR, TONNEAU PULLDOWN ACTUATOR
Power and Grounding Schematic Icons
Power and Grounding Schematic Icons
Power, Ground and Wiper Motor