GM Service Manual Online
For 1990-2009 cars only
Makes
🢒
Chevrolet
🢒
2005
🢒
Corvette
🢒 Power,Ground,DLC and Controls
Power,Ground,DLC and Controls
Power, Ground, DLC and Controls
Master Electrical Component List
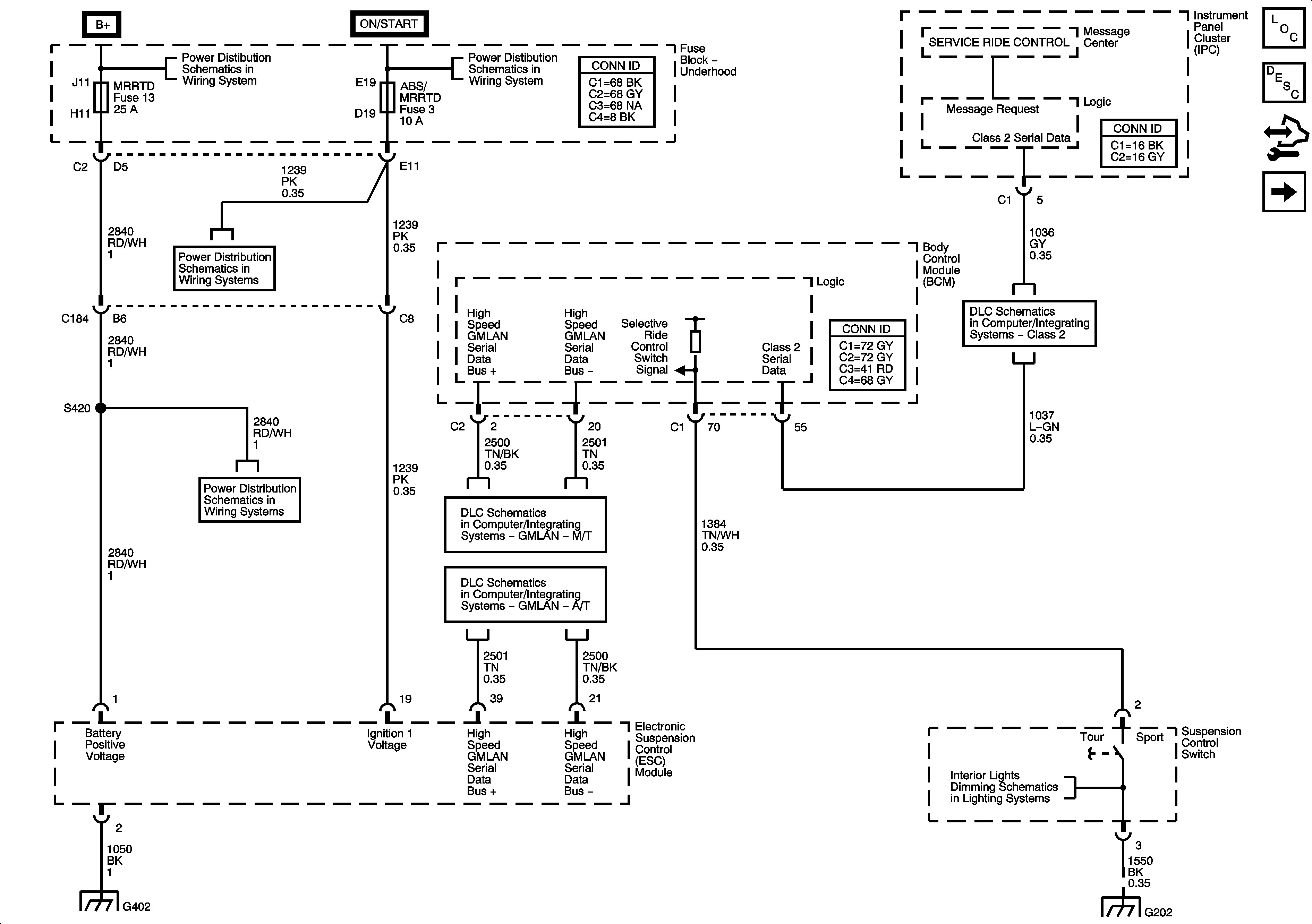
Electronic Suspension Control Description and Operation
Control Module References
Sensors and Dampers
Fuse Block-Underhood Fuses; COOL FAN, AMP, HVAC, ABS, MRRTD, ECM/TCM, HORN, BATT2
BCM Fuses; HTD SEAT/WIPER, GMLAN DEVICES, ECM, SDM/PSIR SW, Fuse Block-Underhood Fuses; TCM/TRANS, ABS/MRRTD
BCM Fuses; HTD SEAT/WIPER, GMLAN DEVICES, ECM, SDM/PSIR SW, Fuse Block-Underhood Fuses; TCM/TRANS, ABS/MRRTD
Class 2
Fuse Block-Underhood Fuses; COOL FAN, AMP, HVAC, ABS, MRRTD, ECM/TCM, HORN, BATT2
GMLAN - M/T
GMLAN - A/T
G302, G401 and G402
DLC, HVAC Control Module, Radio and Switches
G202 1 of 2