GM Service Manual Online
For 1990-2009 cars only
Makes
🢒
Chevrolet
🢒
2005
🢒
Corvette
🢒 Fuel Controls - Fuel Injectors and Fuel Pump Controls
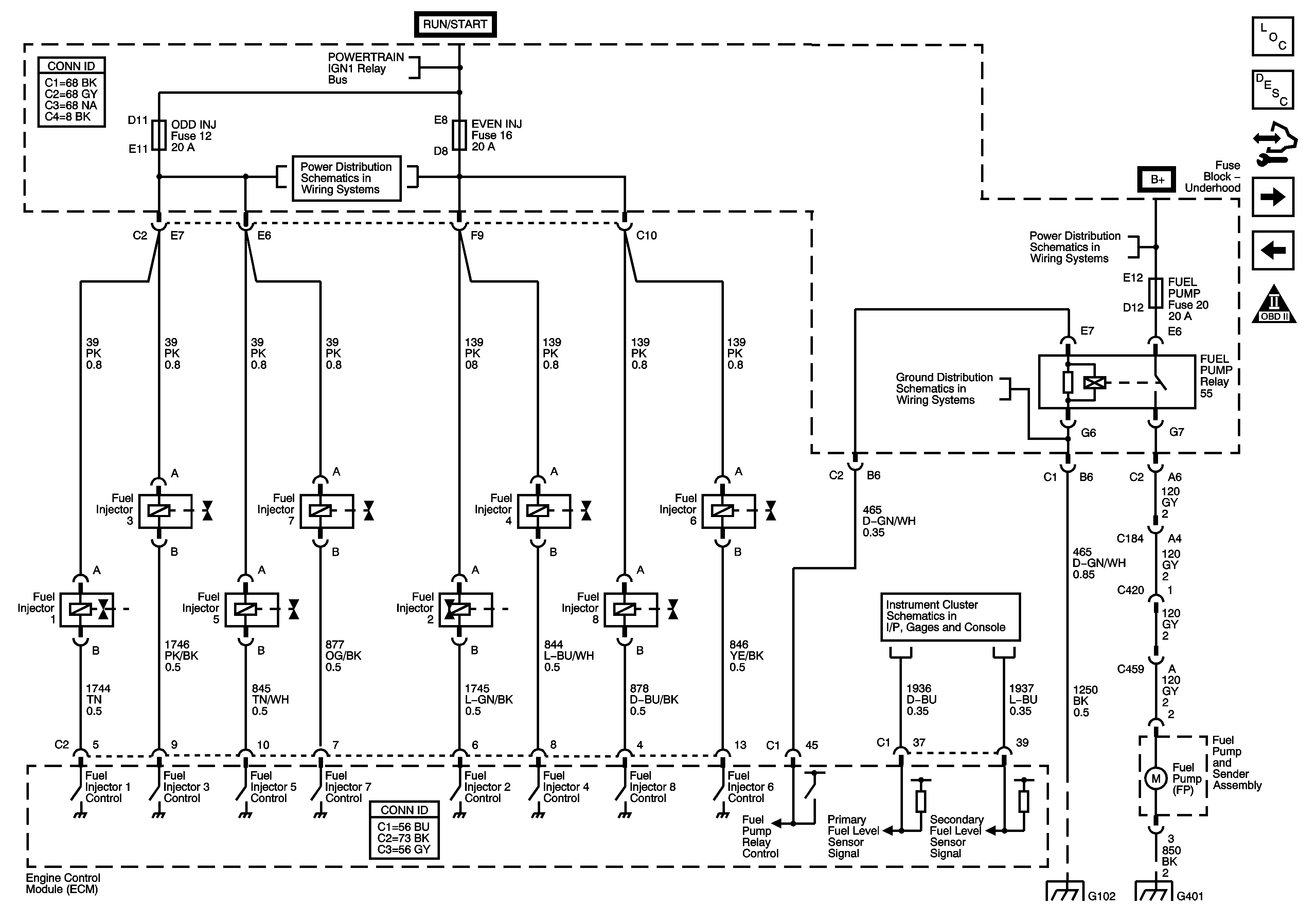
Fuel Controls - Fuel Injectors and Fuel Pump Controls
Fuel Controls - Fuel Injectors and Fuel Pump Controls
Master Electrical Component List
Fuel System Description
Control Module References
Fuel Controls - EVAP Controls
Ignition Controls - CMP, KS and CKP Sensors
OBD II Symbol Description Notice
Fuse Block-Underhood Fuses; ETC, O2 SEN, MAN TRANS, EMISSION, ODD INJ, EVEN INJ
Fuse Block-Underhood Fuses; ETC, O2 SEN, MAN TRANS, EMISSION, ODD INJ, EVEN INJ
Fuse Block-Underhood Bussing
G102
Gages
G102
G302, G401 and G402