GM Service Manual Online
For 1990-2009 cars only
Figure 1:

DLC, Ground, MIL and Power


Object Number: 1677586  Size: FS
Master Electrical Component List
Engine Control Module Description
Control Module References
5 Volt Reference Bussing
OBD II Symbol Description Notice
BCM Fuses: CLSTR/HUD, CRUISE SW, CTSY/LAMP, DR LCK, EXH MOD, HVAC/PWR SND, ISRVM/HVAC and RUN CRNK Relay
Fuse Block - Underhood ABS, AMP, BATT2, COOLFAN, ECM/TCM/EASY KEY, HORN/ALT SENSE, HVAC, and MRRTD Fuses
Fuse Block - Underhood A/C COMP, EMISSION, EVEN INJ, MAN TRAN SOL, 02 SEN, ODD INJ, and PT INPUT/ETC Fuses, A/C COMP and POWERTRAIN IGN1 Relays
BCM Fuses: ECM, HTD SEAT/WPR RELAYS, GM LAN RUN/CRNK, and SDM/AOS AIRBAG, Fuse Block - Underhood ABS/MRRTD and TCM/TRANS Fuses and WIPER RUN/ACC Relay
Japan (UZD)
Ground, Power and Wiper Motor
Class 2
GMLAN - A/T
GMLAN - M/T
Fuse Block - Underhood ABS, AMP, BATT2, COOLFAN, ECM/TCM/EASY KEY, HORN/ALT SENSE, HVAC, and MRRTD Fuses
BCM Fuses: ECM, HTD SEAT/WPR RELAYS, GM LAN RUN/CRNK, and SDM/AOS AIRBAG, Fuse Block - Underhood ABS/MRRTD and TCM/TRANS Fuses and WIPER RUN/ACC Relay
Cranking, 1 of 2
Cranking, 2 of 2
DLC, Ground, Power, and Stop Lamp Signal
G104, G106, and G303
Figure 2:

5-Volt Reference Bussing


Object Number: 1677589  Size: FS
Master Electrical Component List
Engine Control Module Description
Control Module References
Low Reference Bussing
DLC, Ground, MIL and Power
OBD II Symbol Description Notice
Figure 3:

Low Reference Bussing


Object Number: 1677592  Size: FS
Master Electrical Component List
Engine Control Module Description
Control Module References
Engine Data Sensors - Pressure, Temperature, IAT/MAF, VSS and Brake Travel
5 Volt Reference Bussing
OBD II Symbol Description Notice
Figure 4:

Engine Data Sensors - Pressure, Temperature, IAT/MAF, VSS and Brake Travel


Object Number: 1677595  Size: FS
Master Electrical Component List
Air Intake System Description
Control Module References
Engine Data Sensors - Oxygen Sensors
Low Reference Bussing
OBD II Symbol Description Notice
Fuse Block - Underhood A/C COMP, EMISSION, EVEN INJ, MAN TRAN SOL, 02 SEN, ODD INJ, and PT INPUT/ETC Fuses, A/C COMP and POWERTRAIN IGN1 Relays
Fuse Block - Underhood A/C COMP, EMISSION, EVEN INJ, MAN TRAN SOL, 02 SEN, ODD INJ, and PT INPUT/ETC Fuses, A/C COMP and POWERTRAIN IGN1 Relays
Hazard, Stop Lamps, and Turn Signal Outputs (Y07/Y67)
Hazard, Stop Lamps, and Turn Signal Outputs (Y87)
Gages
Manual Transmission Schematics
DLC, Ground, Power, and Stop Lamp Signal
G104, G106, and G303
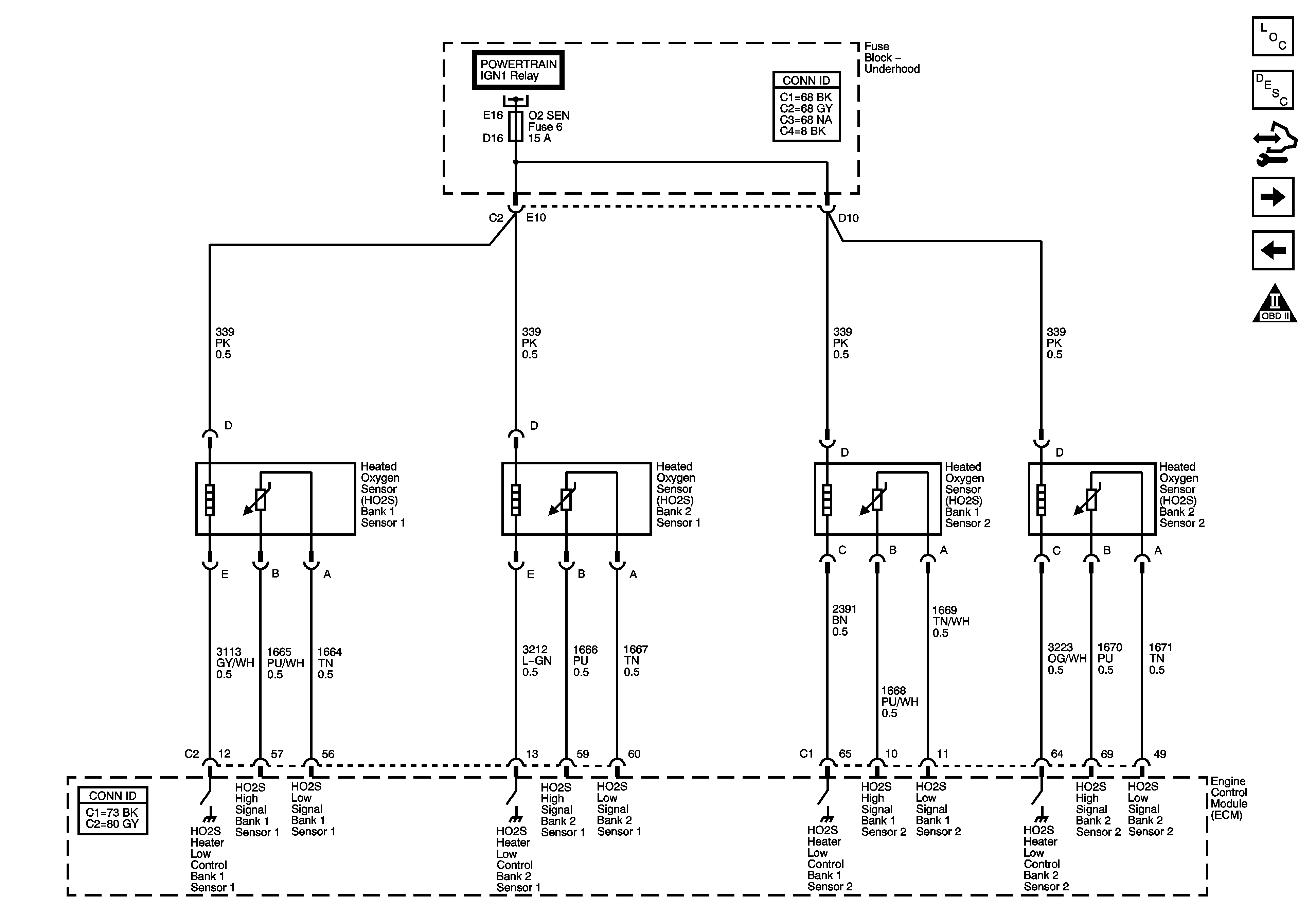
Figure 5:

Engine Data Sensors - Oxygen Sensors


Object Number: 1677601  Size: FS
Master Electrical Component List
Knock Sensor (KS) System Description
Control Module References
Engine Data Sensors - Electronic Throttle Controls
Engine Data Sensors - Pressure, Temperature, IAT/MAF, VSS and Brake Travel
OBD II Symbol Description Notice
Fuse Block - Underhood A/C COMP, EMISSION, EVEN INJ, MAN TRAN SOL, 02 SEN, ODD INJ, and PT INPUT/ETC Fuses, A/C COMP and POWERTRAIN IGN1 Relays
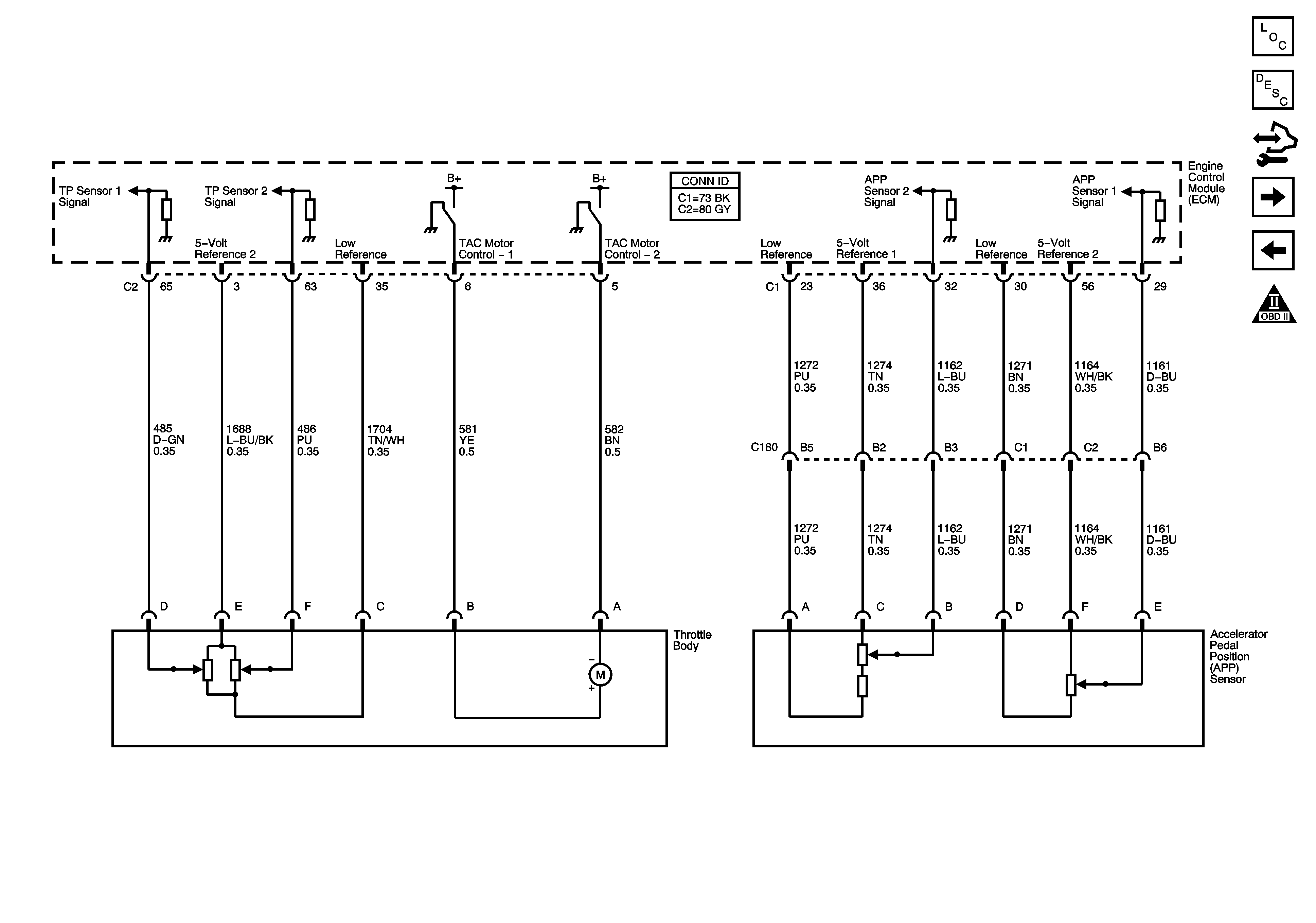
Figure 6:

Engine Data Sensors - Electronic Throttle Controls


Object Number: 1677605  Size: FS
Master Electrical Component List
Throttle Actuator Control (TAC) System Description
Control Module References
Ignition Controls System - Bank 1
Engine Data Sensors - Oxygen Sensors
OBD II Symbol Description Notice
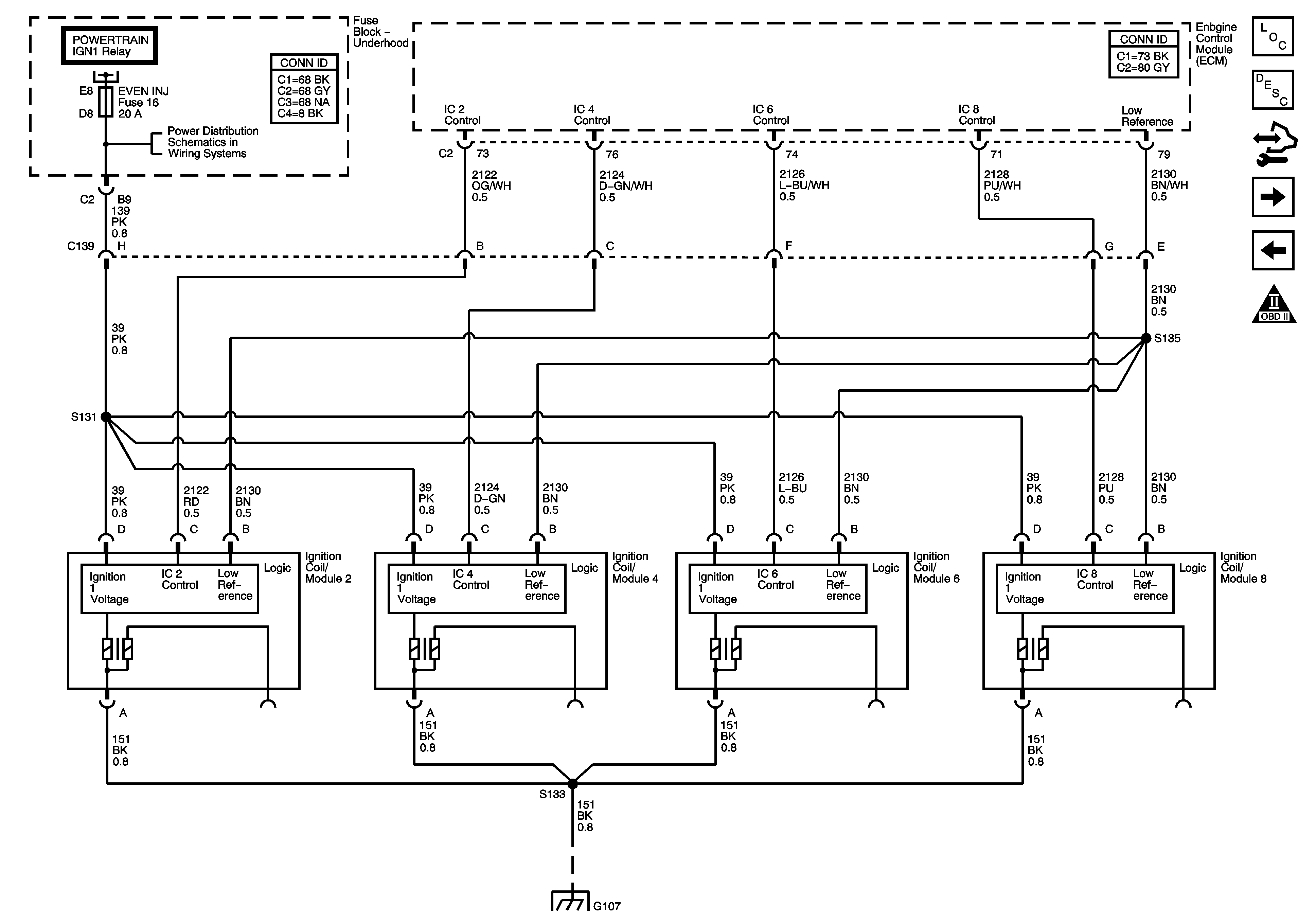
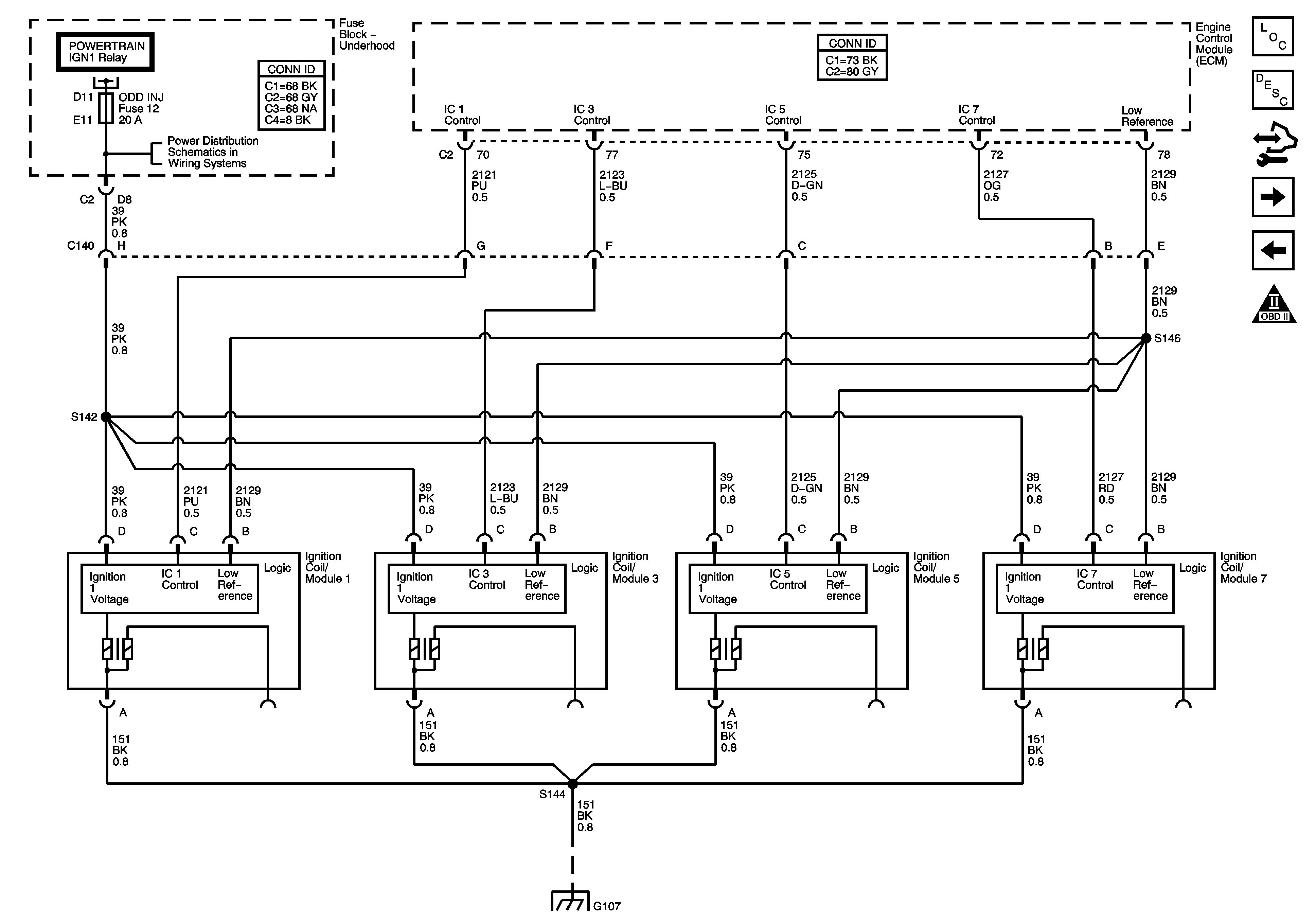
Figure 7:

Ignition Controls System - Bank 1


Object Number: 1677607  Size: FS
Master Electrical Component List
Electronic Ignition (EI) System Description
Control Module References
Ignition Controls System - Bank 2
Engine Data Sensors - Electronic Throttle Controls
OBD II Symbol Description Notice
Fuse Block - Underhood A/C COMP, EMISSION, EVEN INJ, MAN TRAN SOL, 02 SEN, ODD INJ, and PT INPUT/ETC Fuses, A/C COMP and POWERTRAIN IGN1 Relays
G105 and G107
Figure 8:

Ignition Controls System - Bank 2


Object Number: 1677611  Size: FS
Master Electrical Component List
Electronic Ignition (EI) System Description
Control Module References
Ignition Controls - Sensors
Ignition Controls System - Bank 1
OBD II Symbol Description Notice
Fuse Block - Underhood A/C COMP, EMISSION, EVEN INJ, MAN TRAN SOL, 02 SEN, ODD INJ, and PT INPUT/ETC Fuses, A/C COMP and POWERTRAIN IGN1 Relays
G105 and G107
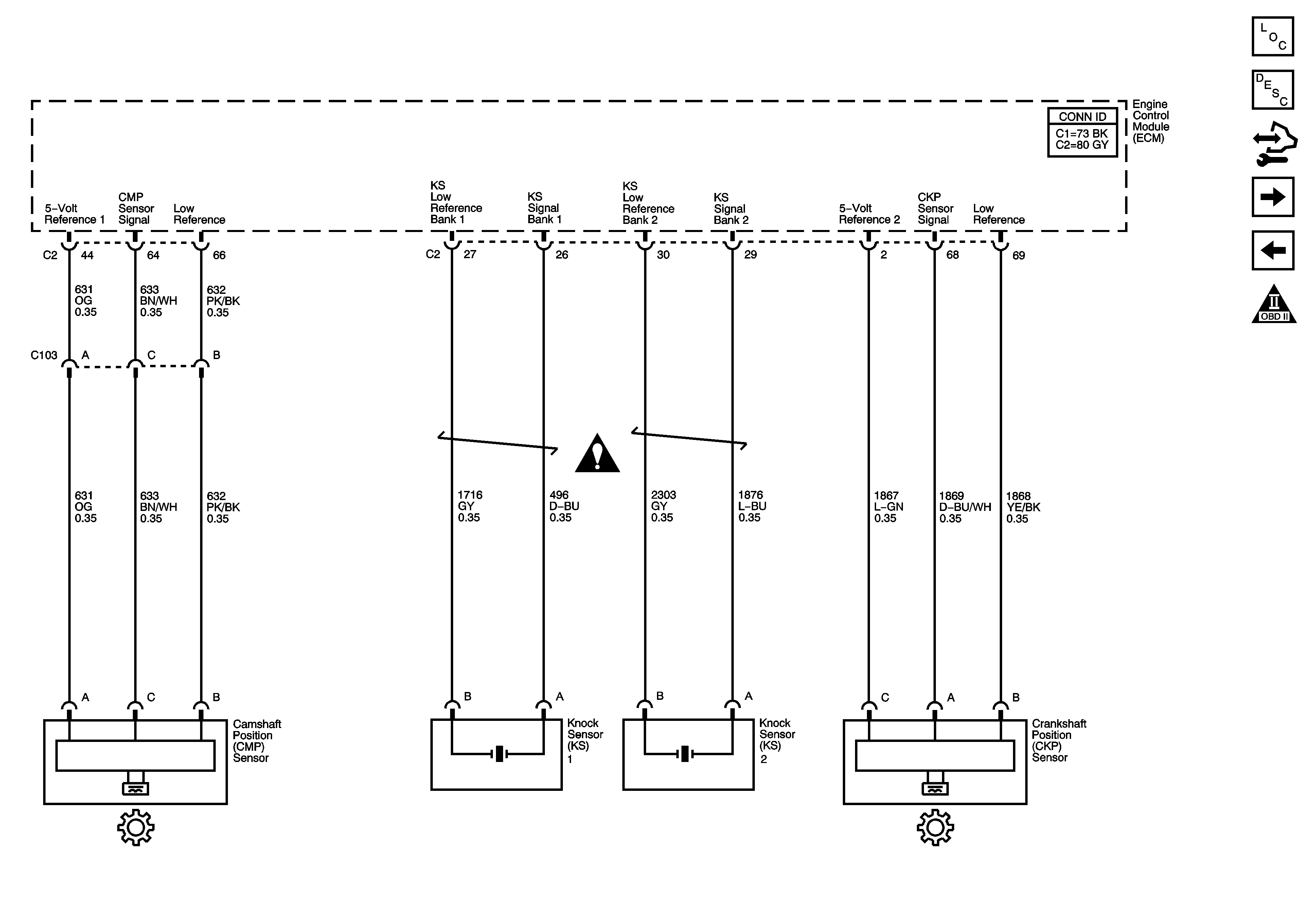
Figure 9:

Ignition Controls - Sensors


Object Number: 1677613  Size: FS
Master Electrical Component List
Knock Sensor (KS) System Description
Control Module References
Fuel Controls - Fuel Pump Controls and Injectors
Ignition Controls System - Bank 2
OBD II Symbol Description Notice
Engine Controls Schematic Icons
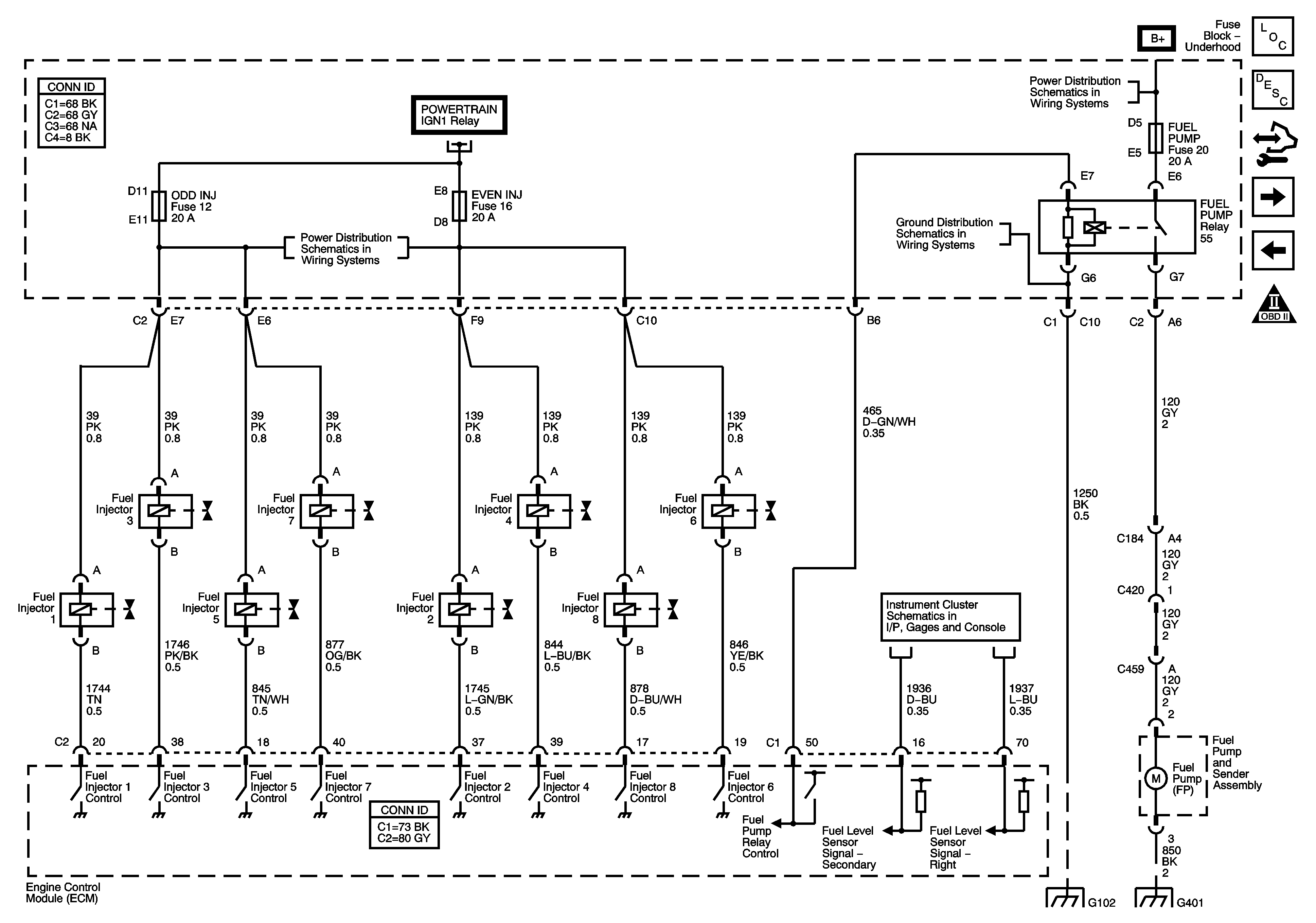
Figure 10:

Fuel Controls - Fuel Pump Controls and Injectors


Object Number: 1677619  Size: FS
Master Electrical Component List
Fuel System Description
Control Module References
Fuel Controls - EVAP Controls
Ignition Controls - Sensors
OBD II Symbol Description Notice
Fuse Block - Underhood A/C COMP, EMISSION, EVEN INJ, MAN TRAN SOL, 02 SEN, ODD INJ, and PT INPUT/ETC Fuses, A/C COMP and POWERTRAIN IGN1 Relays
Fuse Block - Underhood Bussing
G102
Gages
G102
G302, G401, and G402
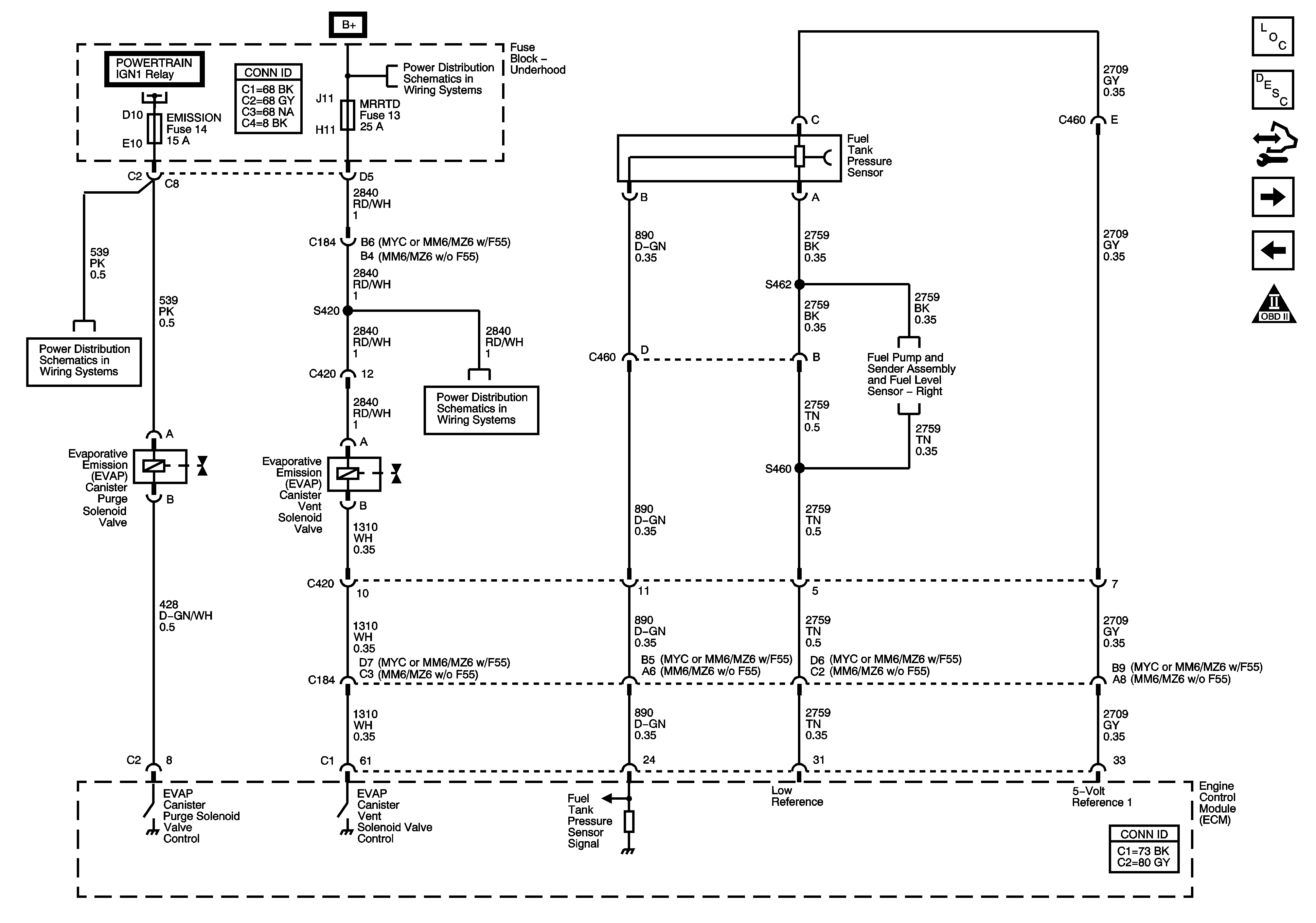
Figure 11:

Fuel Controls - EVAP Controls


Object Number: 1677623  Size: FS
Master Electrical Component List
Fuel System Description
Control Module References
Controlled/Monitored Subsystem References
Fuel Controls - Fuel Pump Controls and Injectors
OBD II Symbol Description Notice
DLC, Ground, MIL and Power
Fuse Block - Underhood ABS, AMP, BATT2, COOLFAN, ECM/TCM/EASY KEY, HORN/ALT SENSE, HVAC, and MRRTD Fuses
Fuse Block - Underhood A/C COMP, EMISSION, EVEN INJ, MAN TRAN SOL, 02 SEN, ODD INJ, and PT INPUT/ETC Fuses, A/C COMP and POWERTRAIN IGN1 Relays
Fuse Block - Underhood ABS, AMP, BATT2, COOLFAN, ECM/TCM/EASY KEY, HORN/ALT SENSE, HVAC, and MRRTD Fuses
Low Reference Bussing
Figure 12:

Controlled/Monitored Subsystem References


Object Number: 1677626  Size: FS
Master Electrical Component List
Engine Control Module Description
Control Module References
Fuel Controls - EVAP Controls
Engine Controls Schematic Icons
Cranking, 2 of 2
Cranking, 1 of 2
Compressor Controls
Engine Cooling Schematics
Messages
Gages