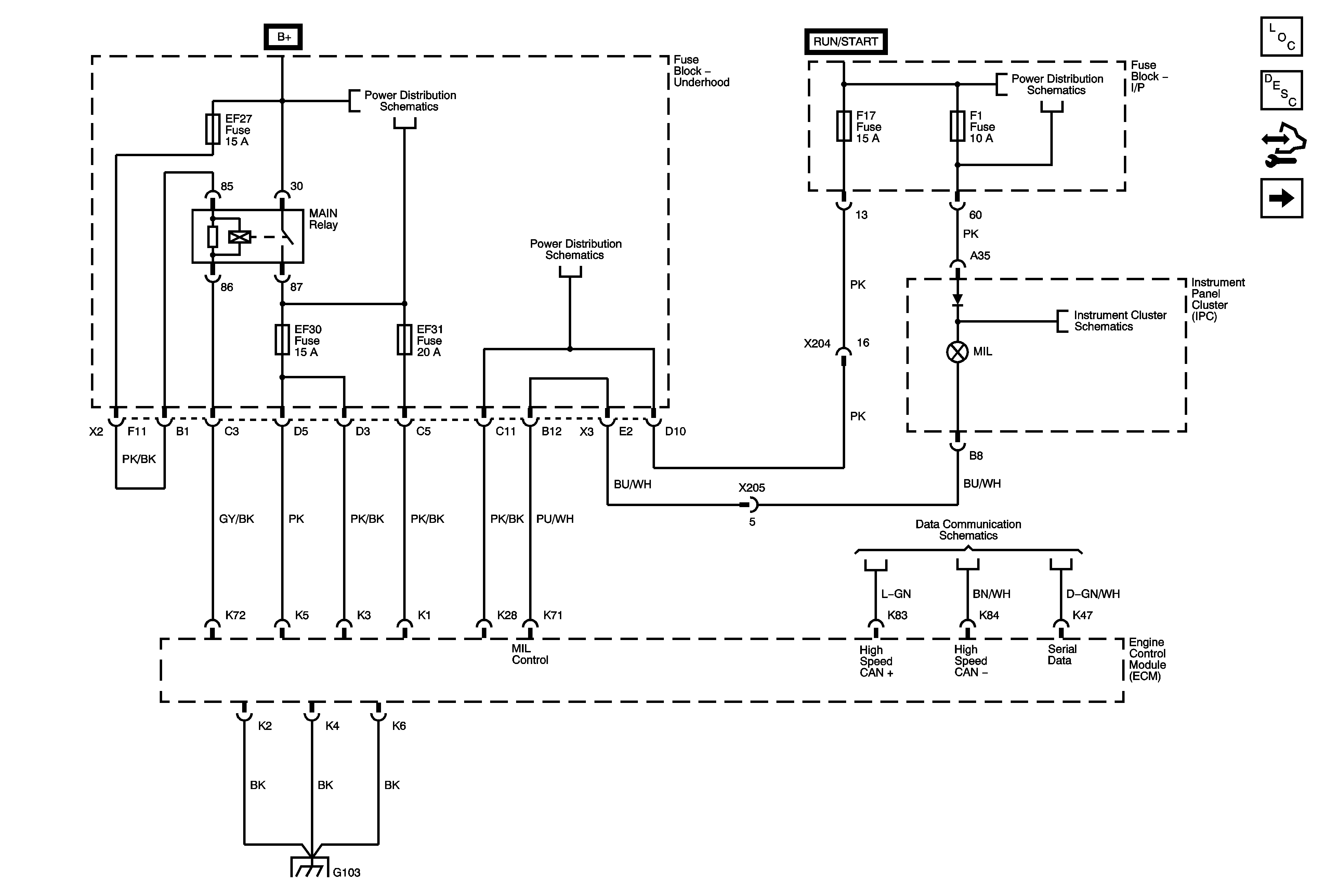
| Figure 1: |
Engine Control Module (ECM) Power, Ground, Serial Data, MIL
|
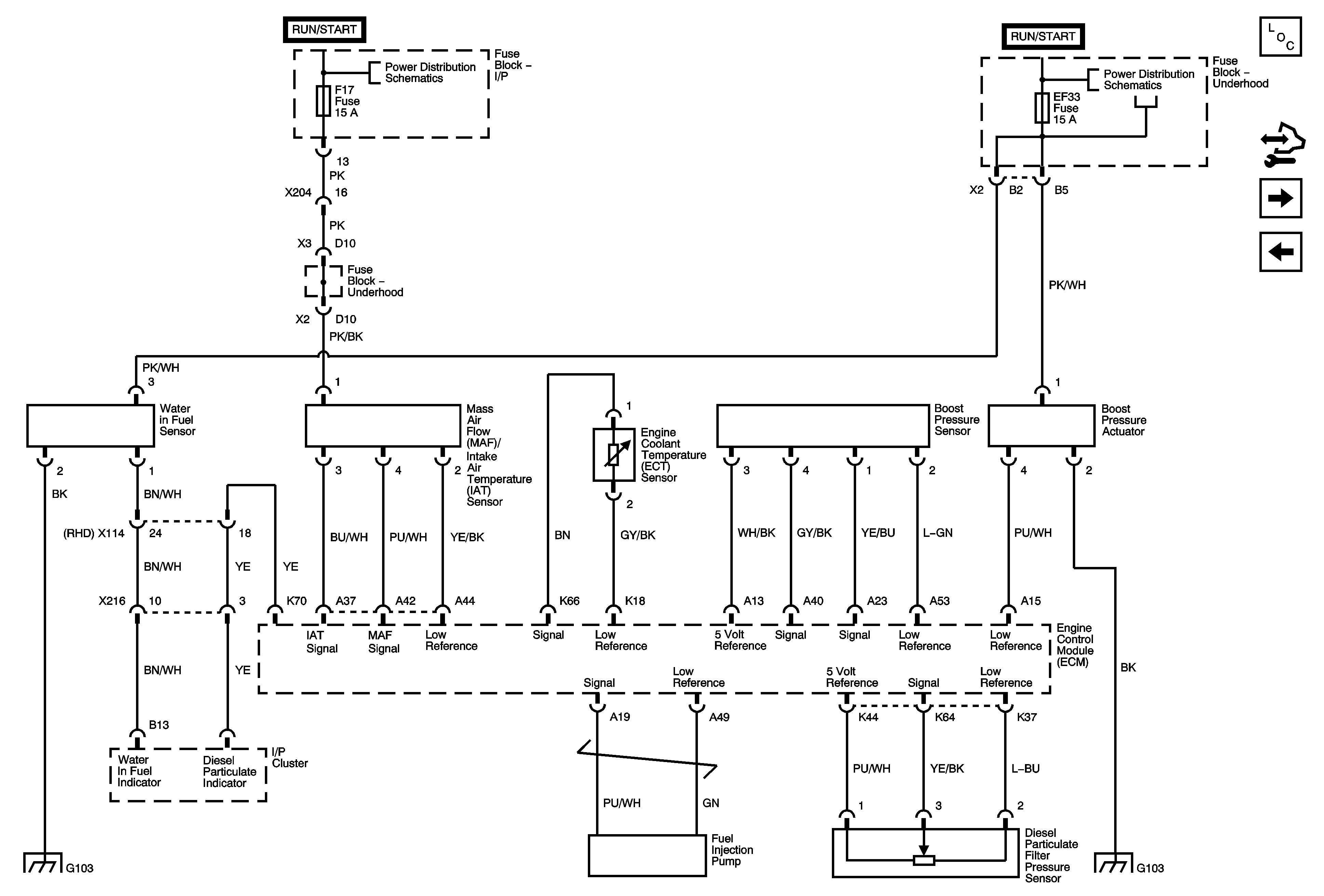
| Figure 2: |
Water in Fuel, MAF, ECT, IAT, Boost Pressure, Diesel Particulate FilterMAP, Rough Road Wheel Speed Sensors
|
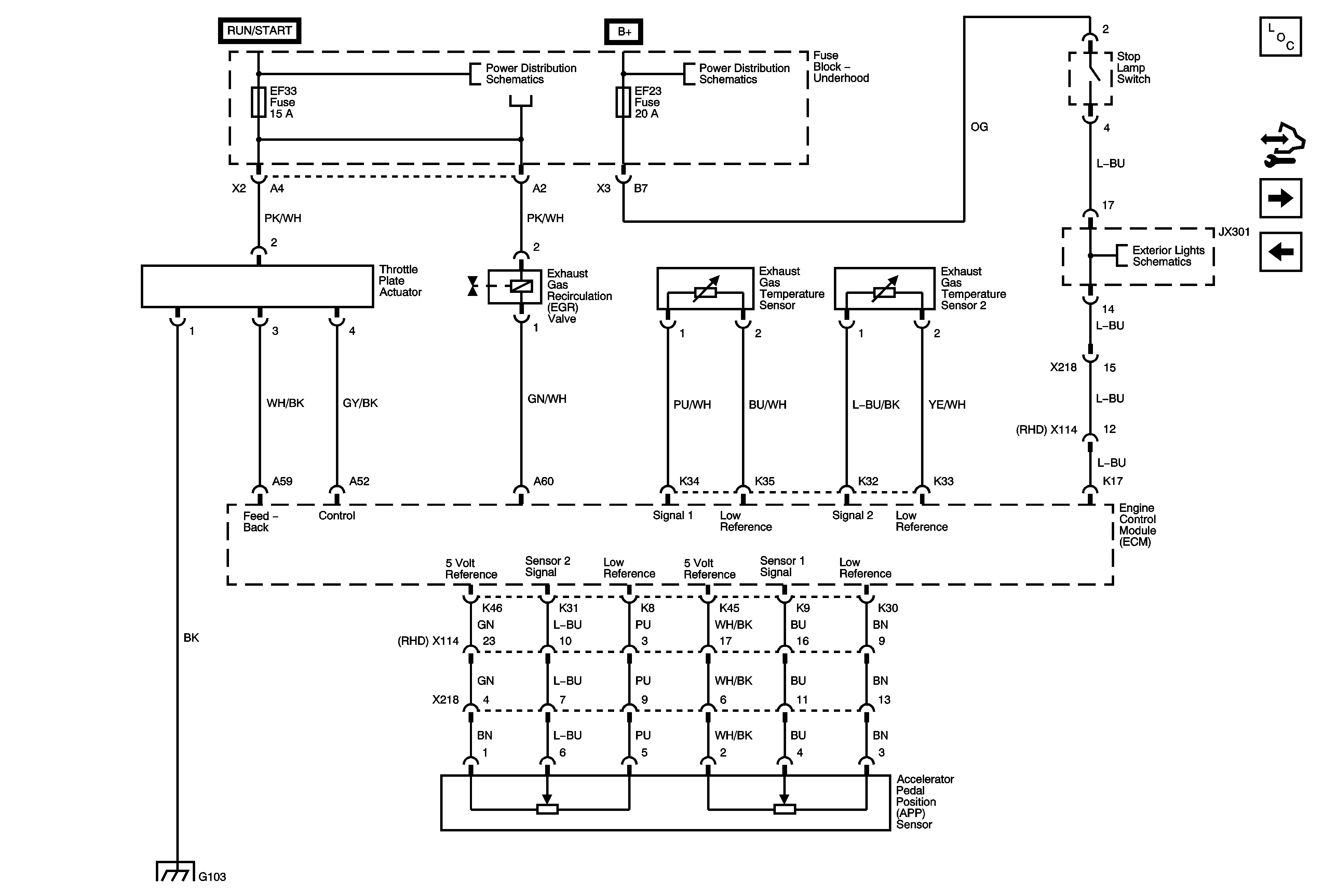
| Figure 3: |
Throttle Plate Actuator, APP Sensor, EGR Valve, Exhaust Gas Temperature Sensors
|
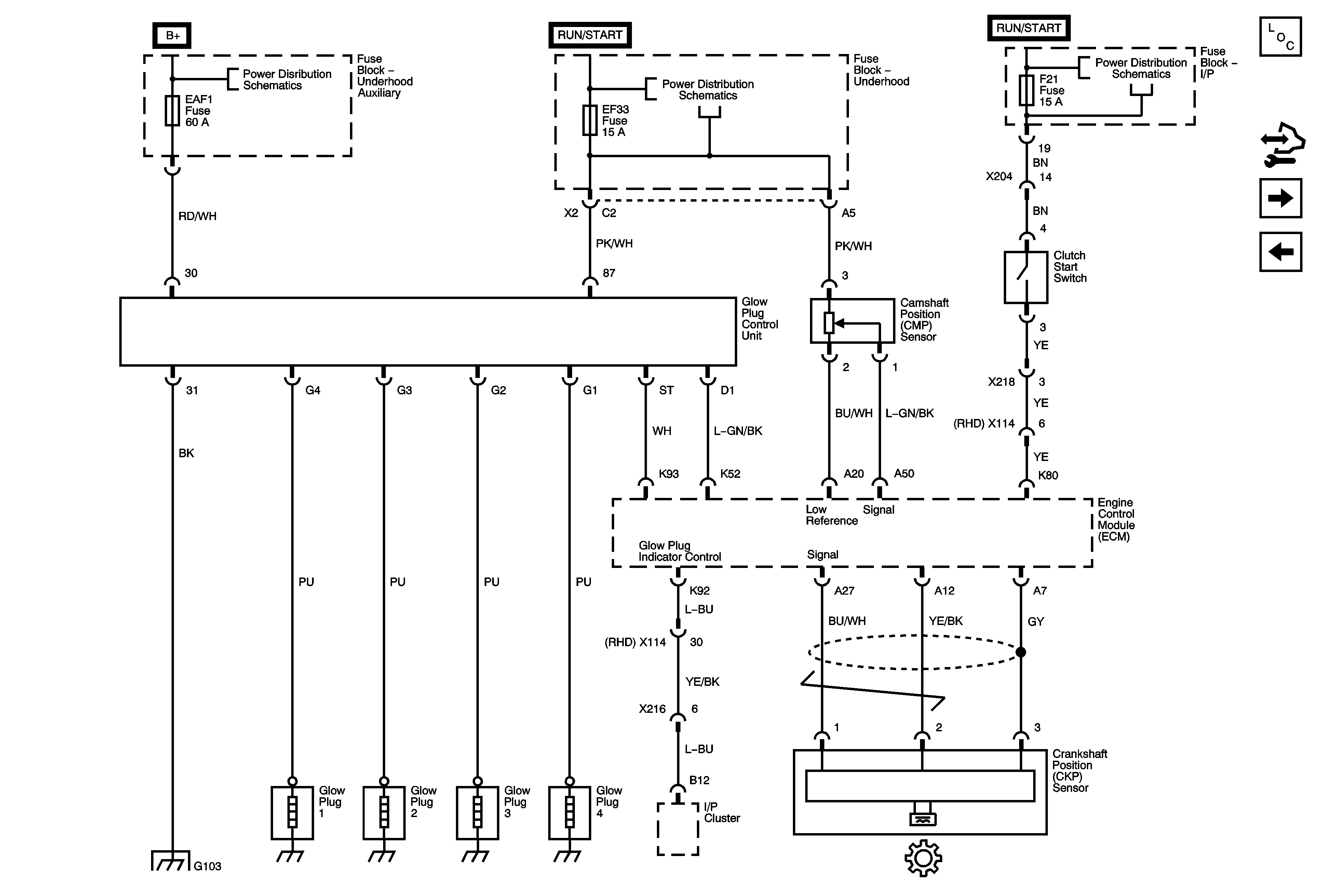
| Figure 4: |
Glow Plug Control, CMP, CKP Sensors, Clutch Start Switch
|
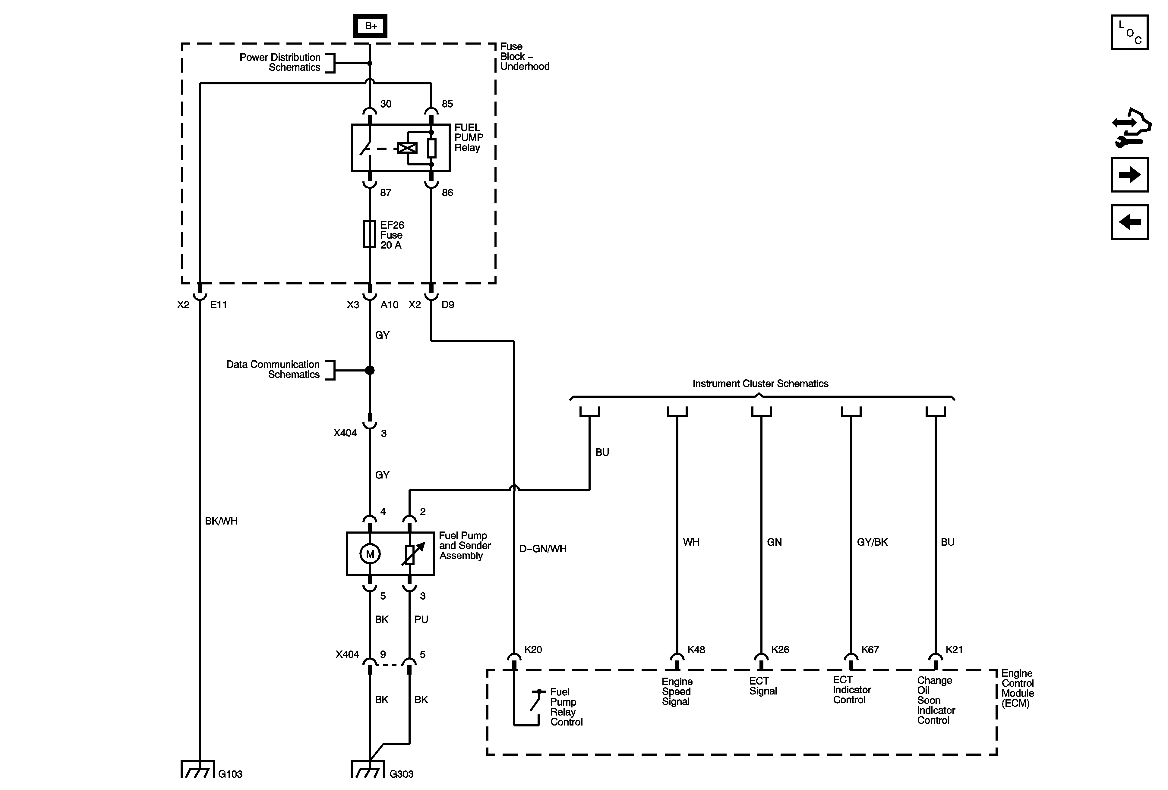
| Figure 5: |
Fuel Pump
|
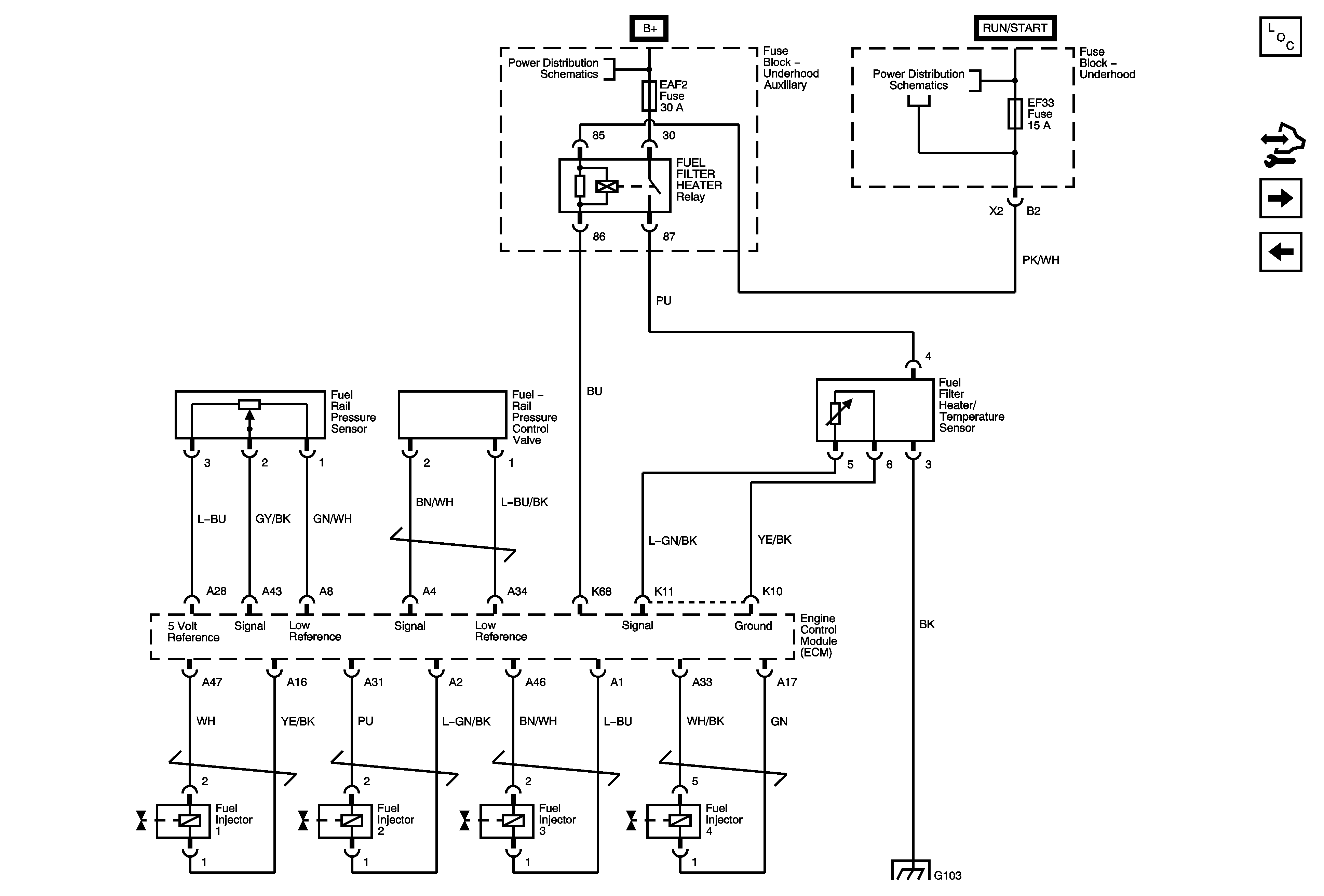
| Figure 6: |
Fuel Rail Pressure Sensor and Control Valve, Fuel Filter Heater and Temperature Sensor, Fuel Injectors
|
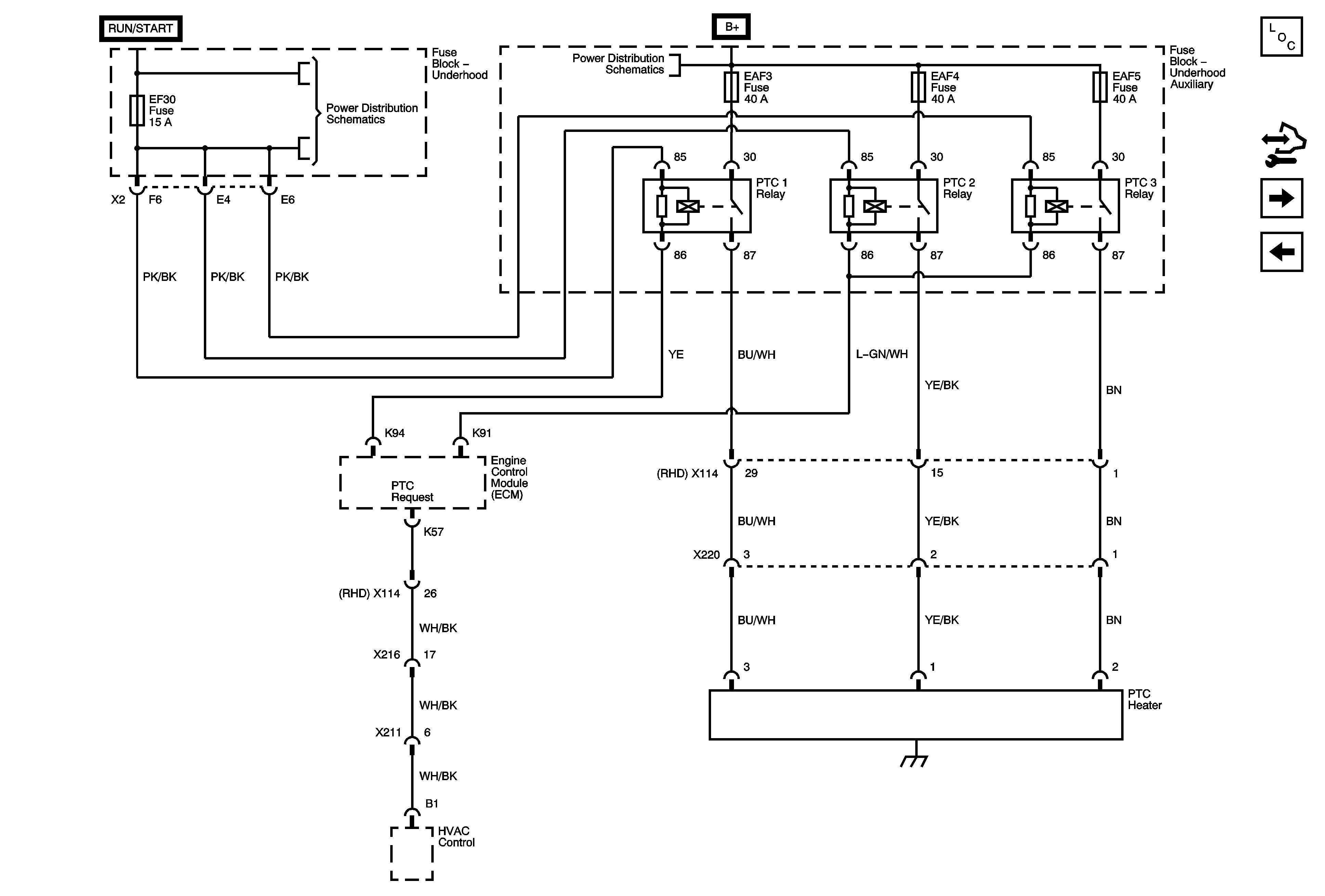
| Figure 7: |
PTC Heater
|
| Figure 8: |
Controlled/Monitored Subsystem References
|