GM Service Manual Online
For 1990-2009 cars only
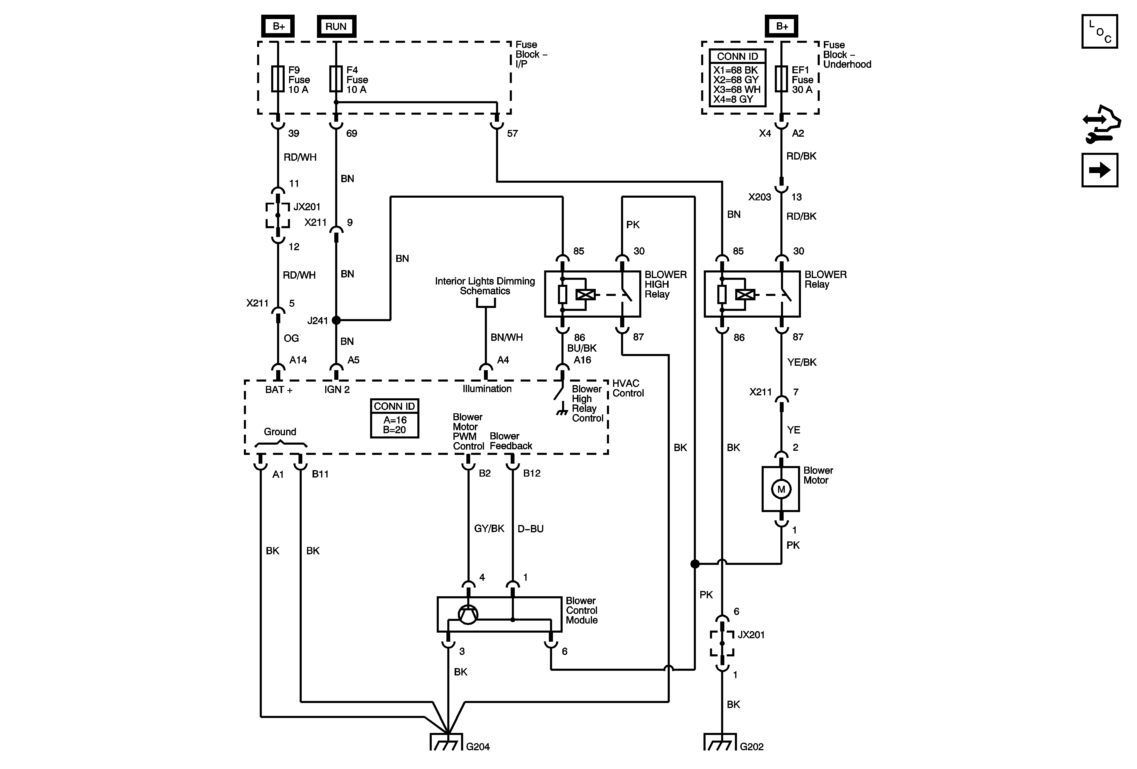
Figure 1:

Blower Controls


Object Number: 1861808  Size: FS
Master Electrical Component List
Control Module References
Compressor Controls
Interior Lights Dimming Control
G203, G204
G202 (1 of 2)
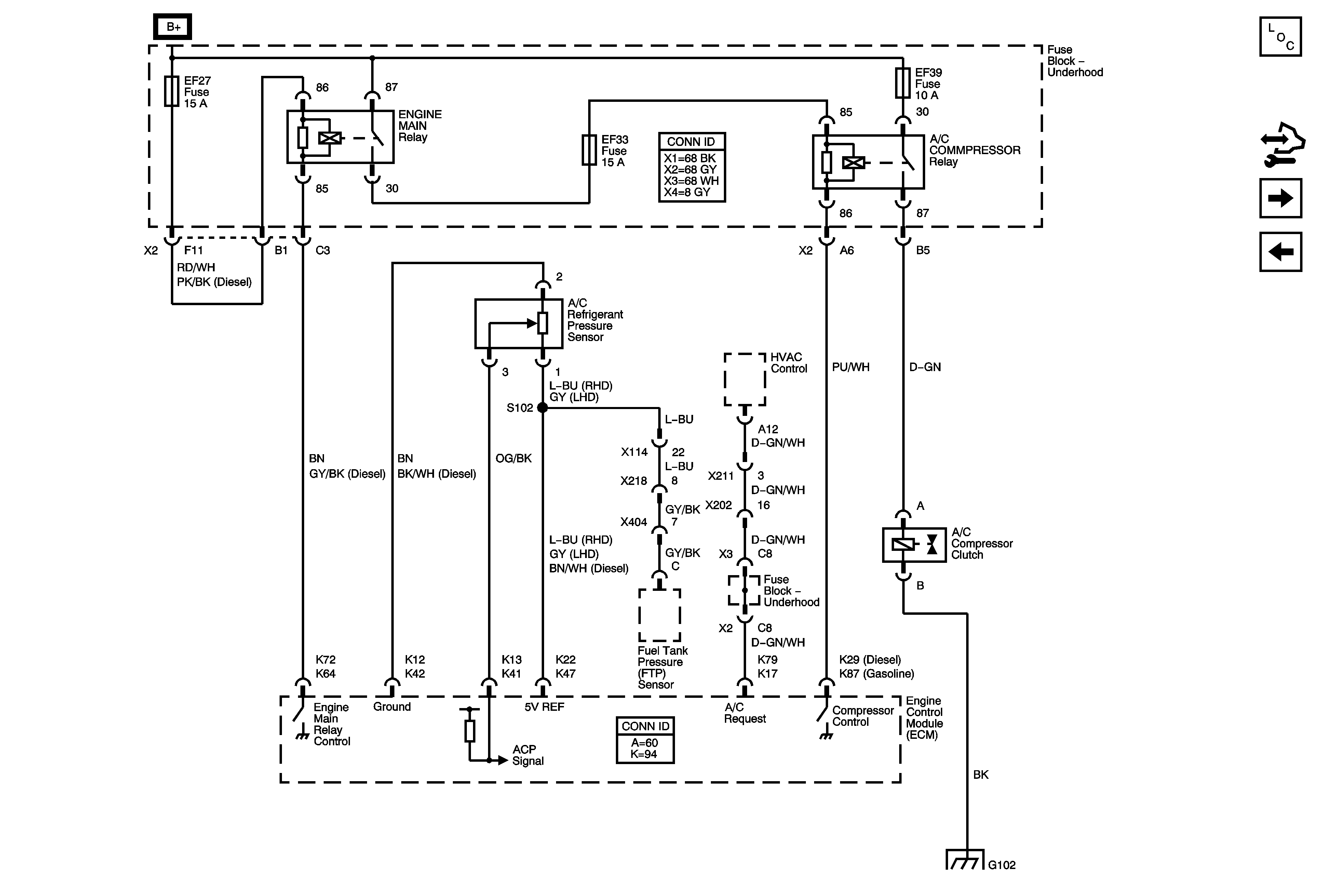
Figure 2:

Compressor Controls


Object Number: 1861811  Size: FS
Master Electrical Component List
Control Module References
Air Delivery Actuators
Blower Controls
G102
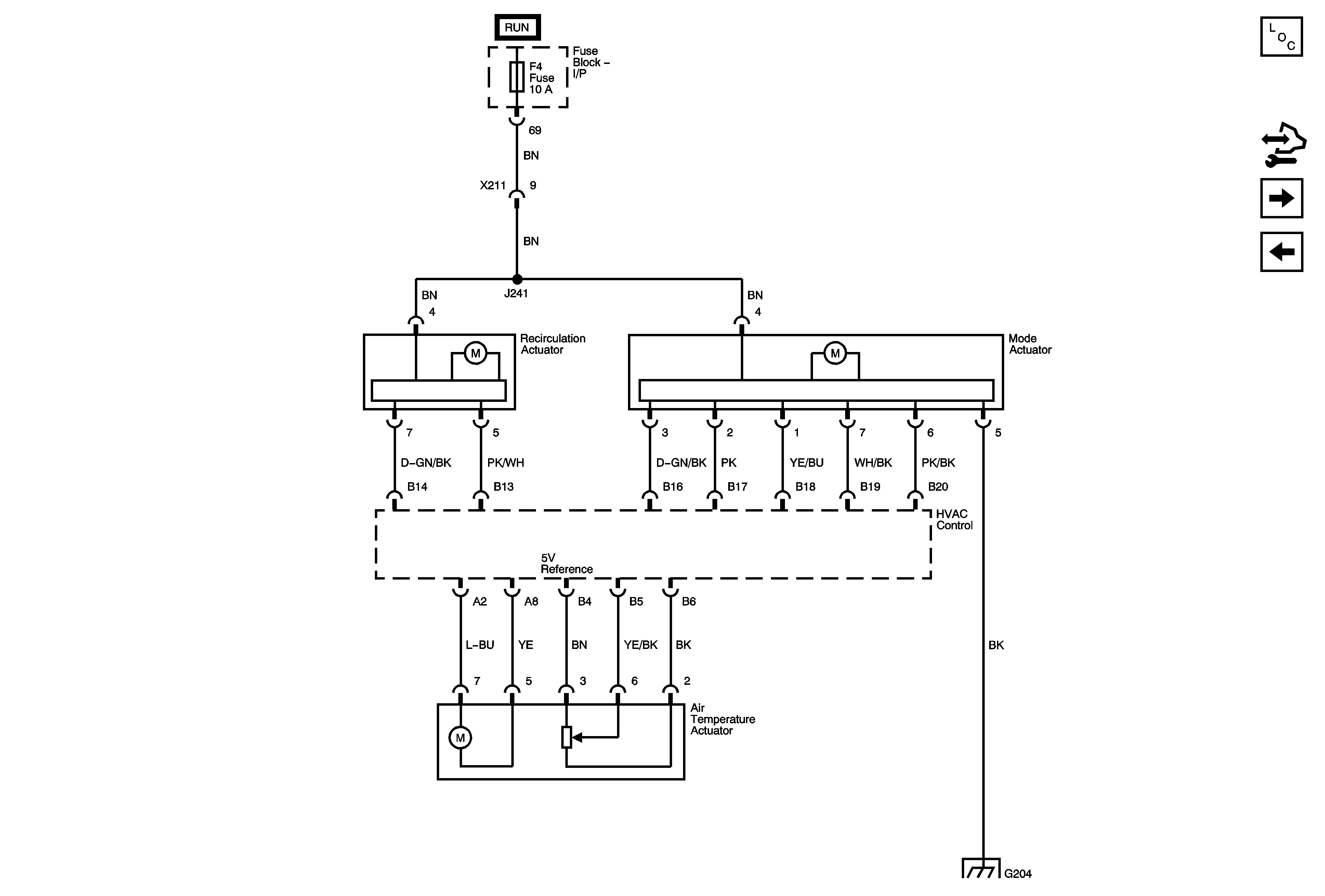
Figure 3:

Air Delivery Actuators


Object Number: 1861815  Size: FS
Master Electrical Component List
Control Module References
Air Temperature Sensors
Compressor Controls
G203, G204
Figure 4:

Air Temperature Sensors


Object Number: 1861816  Size: FS
Master Electrical Component List
Control Module References
Air Delivery Actuators
Wiper/Washer System Schematics
G202 (1 of 2)