GM Service Manual Online
For 1990-2009 cars only
Figure 1:

Power, Ground, Serial Data, MIL


Object Number: 1986912  Size: FS
Master Electrical Component List
Engine Control Module Description
Control Module References
Engine Data Sensors - Pressure and Temperature
B+ Bus
Fuse Block - Underhood ALTERNATOR, EF1, EF3, EF5, EF18, EF19, Ef27, EF30, EF31 Fuses and POWER WINDOW, ENGINE MAIN Relays
Fuse Block - I/P F10, F16, F17 Fuses
Ignition Switch
Fuse Block - I/P F1, F2, F3, F11, F12, F18 Fuses
Indicators 2 of 3
Power, Ground, Class 2
High Speed GMLAN - MH7/MH8
High Speed GMLAN - MFB/MFN
High Speed GMLAN - M98 (LHD)
G103, G105, G108 (Diesel), G201
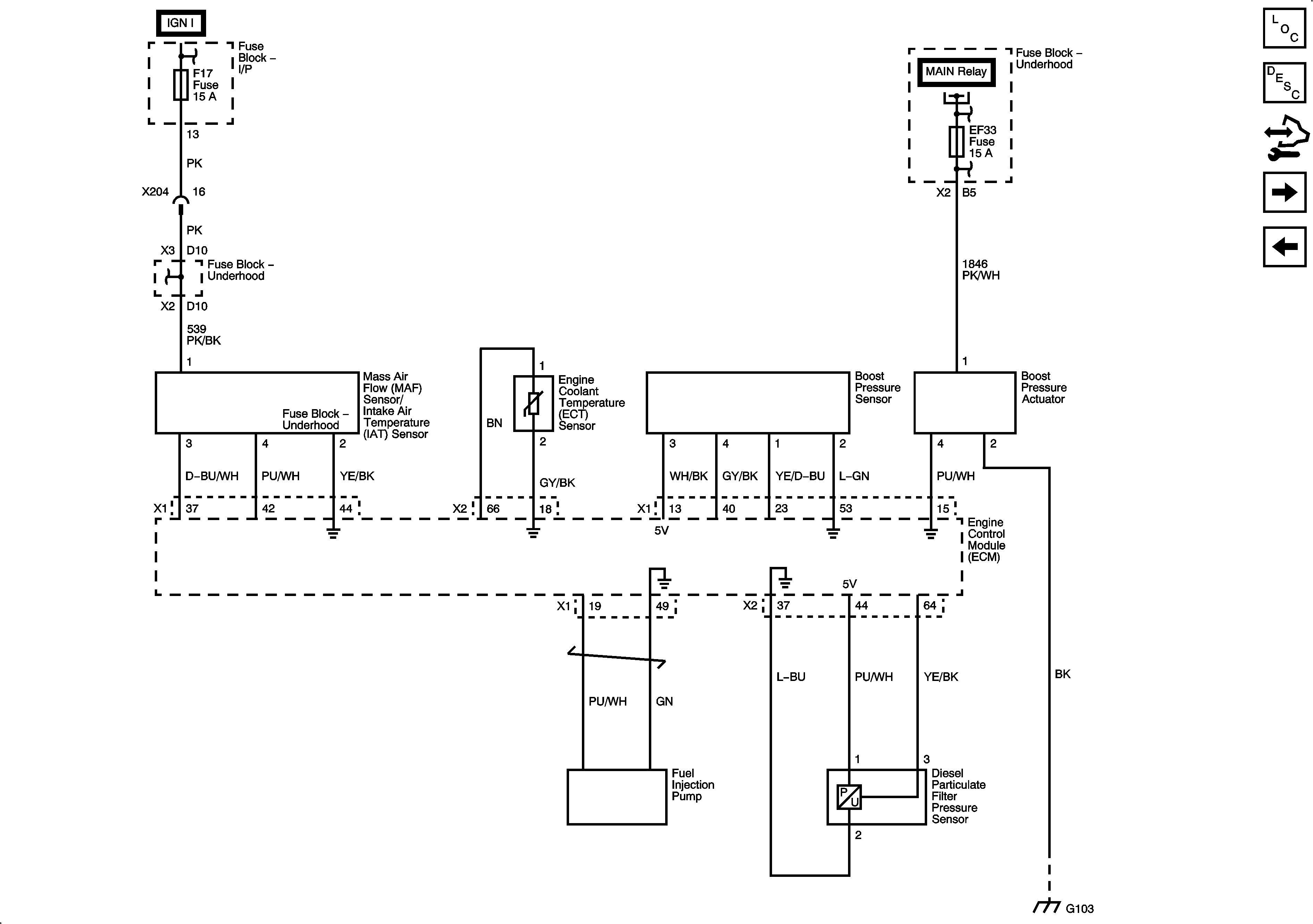
Figure 2:

Engine Data Sensors - Pressure and Temperature


Object Number: 1986914  Size: FS
Master Electrical Component List
Engine Control Module Description
Control Module References
Engine Data Sensors - Pedal Position, EGR, Exhaust Gas Temperature Sensors
Power, Ground, Serial Data, MIL
Ignition Switch
B+ Bus
Fuse Block - Underhood EF33 Fuse
Fuse Block - I/P F10, F16, F17 Fuses
G103, G105, G108 (Diesel), G201
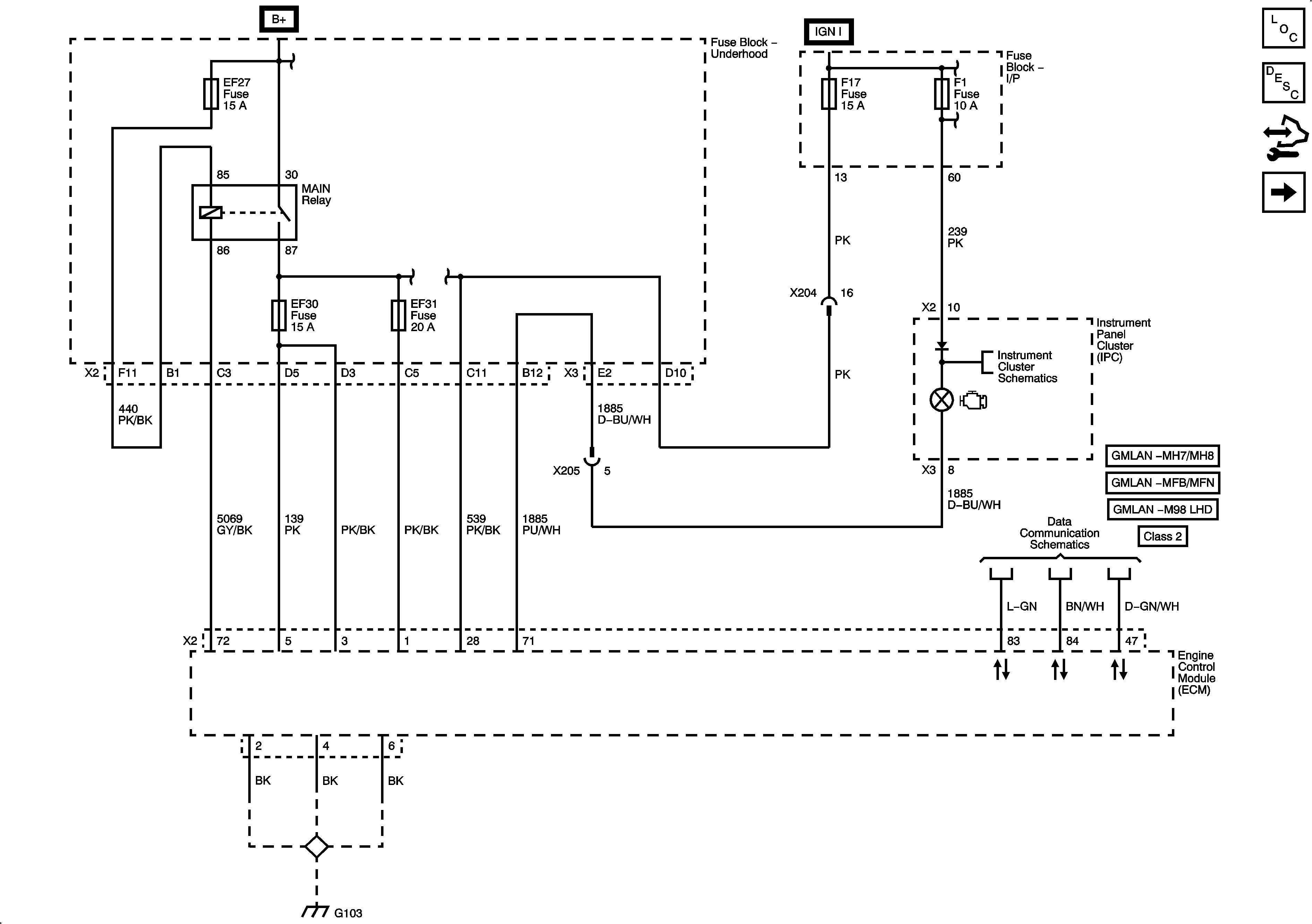
Figure 3:

Engine Data Sensors - Pedal Position, EGR, Exhaust Gas Temperature Sensors


Object Number: 1986915  Size: FS
Master Electrical Component List
Accelerator Pedal Position System Description
Control Module References
Glow Plug Controls, CKP and CMP Sensors, Clutch Start Switch
Engine Data Sensors - Pressure and Temperature
Fuse Block - Underhood ALTERNATOR, EF1, EF3, EF5, EF18, EF19, Ef27, EF30, EF31 Fuses and POWER WINDOW, ENGINE MAIN Relays
B+ Bus
Fuse Block - Underhood EF33 Fuse
Stop Lamps
G103, G105, G108 (Diesel), G201
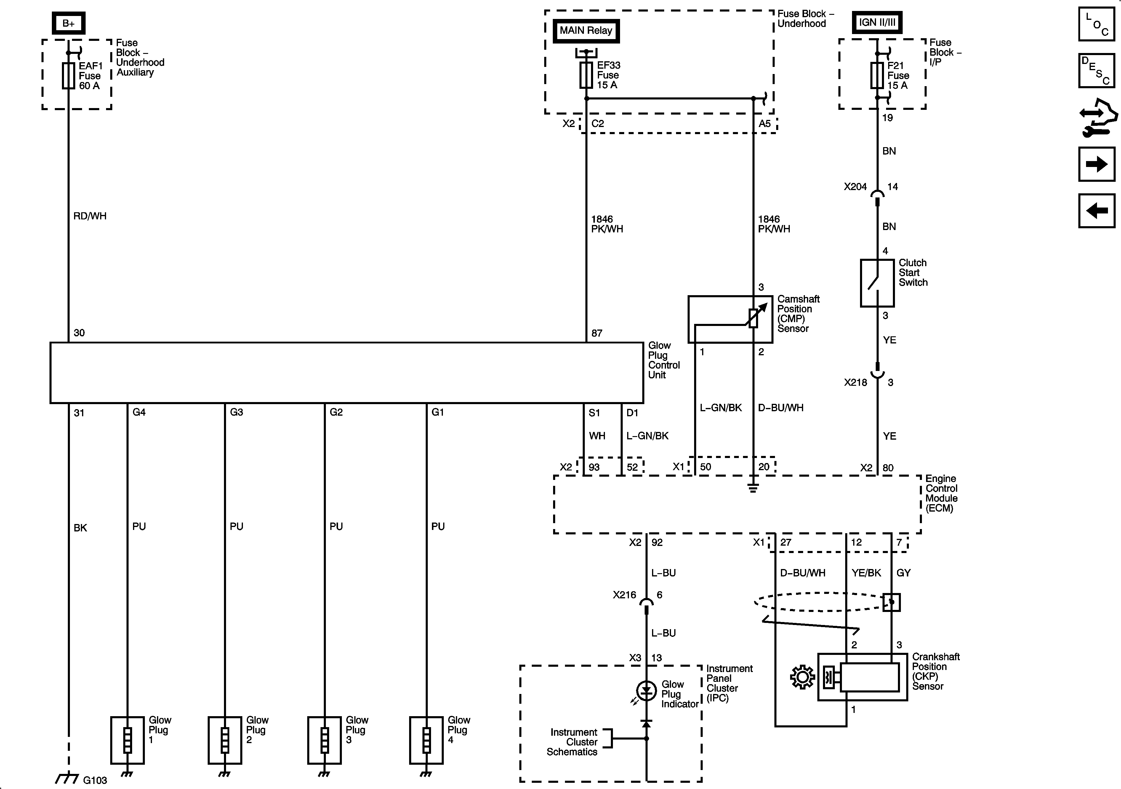
Figure 4:

Engine Data Sensors - Glow Plug Controls, CKP and CMP Sensors, Clutch Start Switch


Object Number: 1986917  Size: FS
Master Electrical Component List
Glow Plug System Description
Control Module References
Fuel Pump Controls
Engine Data Sensors - Pedal Position, EGR, Exhaust Gas Temperature Sensors
Fuse Block - Auxiliary Underhood - Diesel
Power, Ground, Serial Data, MIL
Fuse Block - Underhood ALTERNATOR, EF1, EF3, EF5, EF18, EF19, Ef27, EF30, EF31 Fuses and POWER WINDOW, ENGINE MAIN Relays
Fuse Block - Underhood EF33 Fuse
Ignition Switch
Fuse Block - I/P F4, F13, F21 Fuses
Indicators 1 of 3
G103, G105, G108 (Diesel), G201
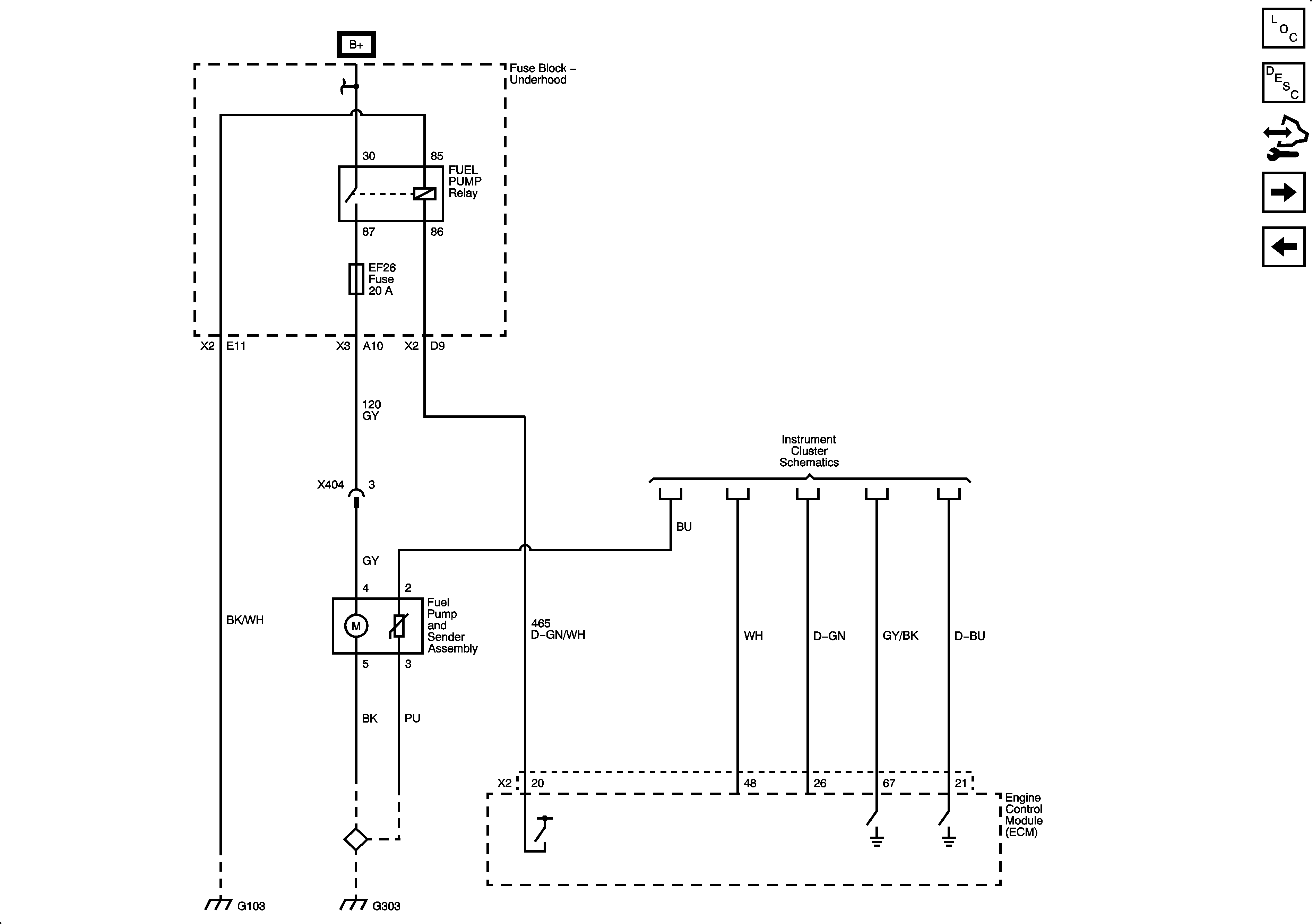
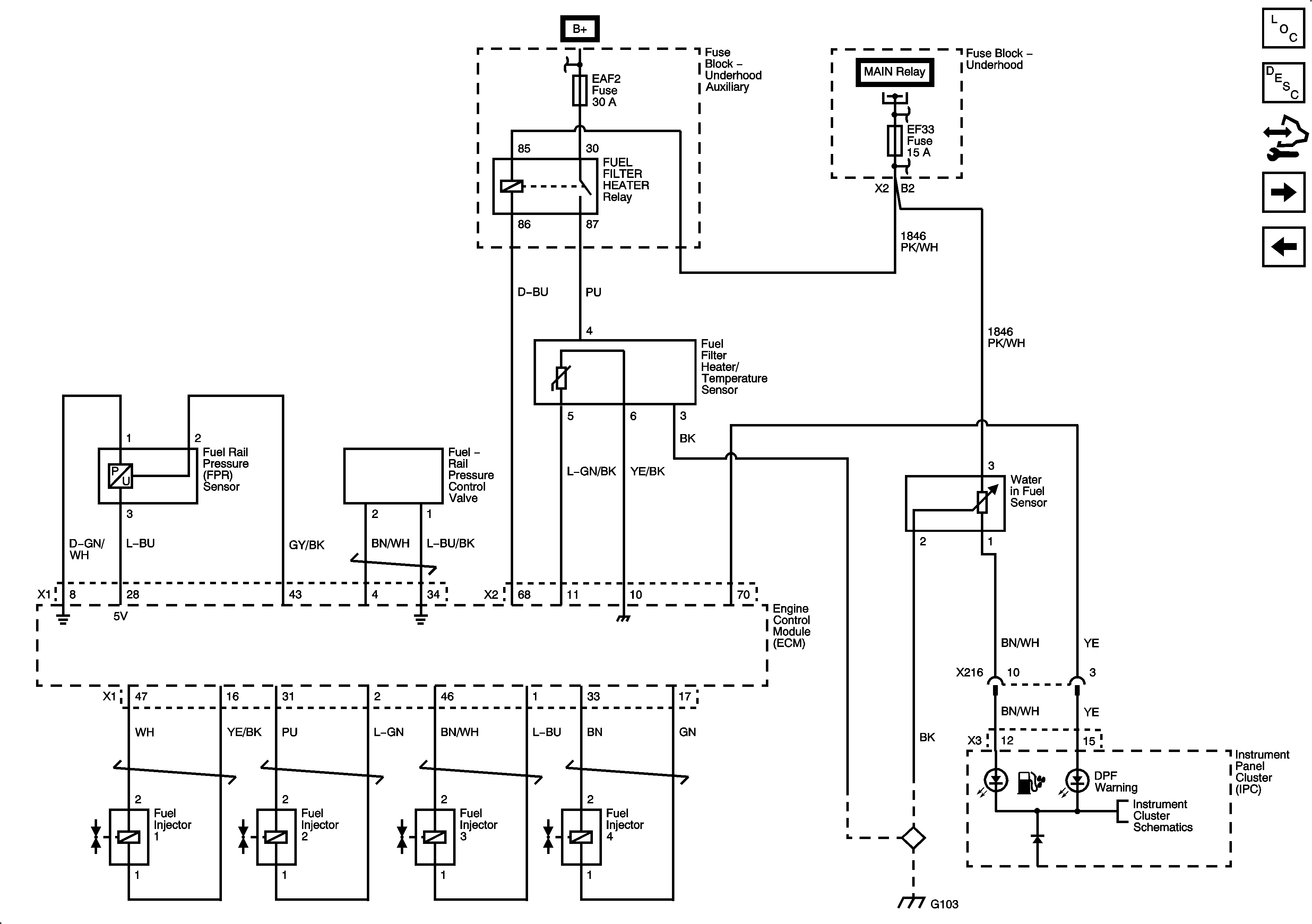
Figure 5:

Fuel Pump Controls


Object Number: 1986918  Size: FS
Master Electrical Component List
Fuel System Description
Control Module References
Fuel Controls - Fuel Injectors, Water in Fuel/Temperature Sensors
Glow Plug Controls, CKP and CMP Sensors, Clutch Start Switch
B+ Bus
Power, Ground, Gages and Serial Data (Diesel)
Indicators 2 of 3
G103, G105, G108 (Diesel), G201
G303
Figure 6:

Fuel Controls - Fuel Injectors, Water in Fuel/Temperature Sensors


Object Number: 1986919  Size: FS
Master Electrical Component List
Fuel System Description
Control Module References
PTC Heater
Fuel Pump Controls
Fuse Block - Auxiliary Underhood - Diesel
Fuse Block - Underhood ALTERNATOR, EF1, EF3, EF5, EF18, EF19, Ef27, EF30, EF31 Fuses and POWER WINDOW, ENGINE MAIN Relays
Fuse Block - Underhood EF33 Fuse
G103, G105, G108 (Diesel), G201
Indicators 2 of 3
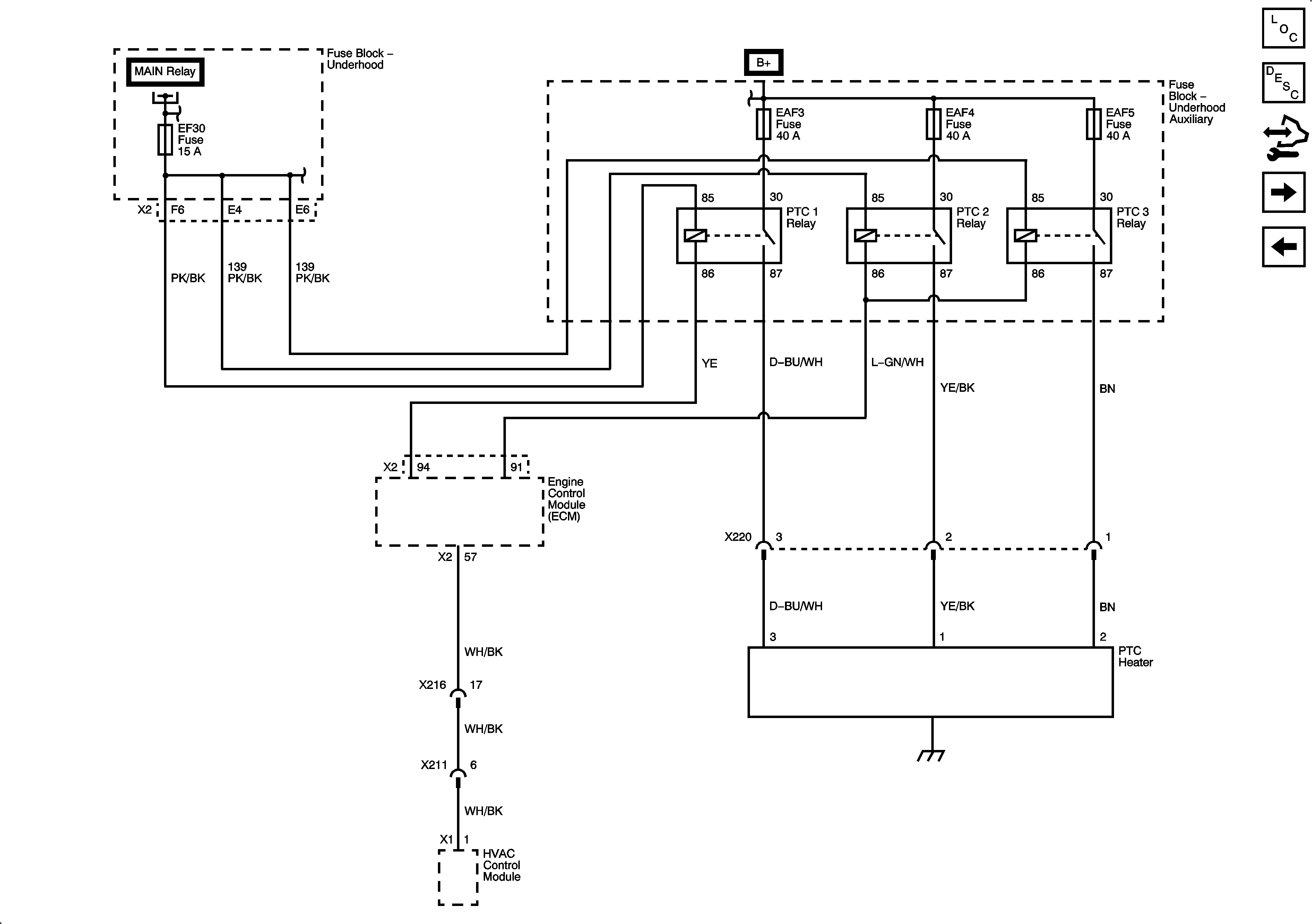
Figure 7:

PTC Heater


Object Number: 1986920  Size: FS
Master Electrical Component List
Engine Control Module Description
Control Module References
Controlled/Monitored Subsystem References
Fuel Controls - Fuel Injectors, Water in Fuel/Temperature Sensors
Fuse Block - Underhood ALTERNATOR, EF1, EF3, EF5, EF18, EF19, Ef27, EF30, EF31 Fuses and POWER WINDOW, ENGINE MAIN Relays
Fuse Block - Underhood EF33 Fuse
Fuse Block - Auxiliary Underhood - Diesel
Figure 8:

Controlled/Monitored Subsystem References


Object Number: 1986922  Size: FS
Master Electrical Component List
Engine Control Module Description
Control Module References
PTC Heater
DIC
Charging
Compressor Controls
Compressor Controls
2.0L Diesel