GM Service Manual Online
For 1990-2009 cars only
Figure 1:

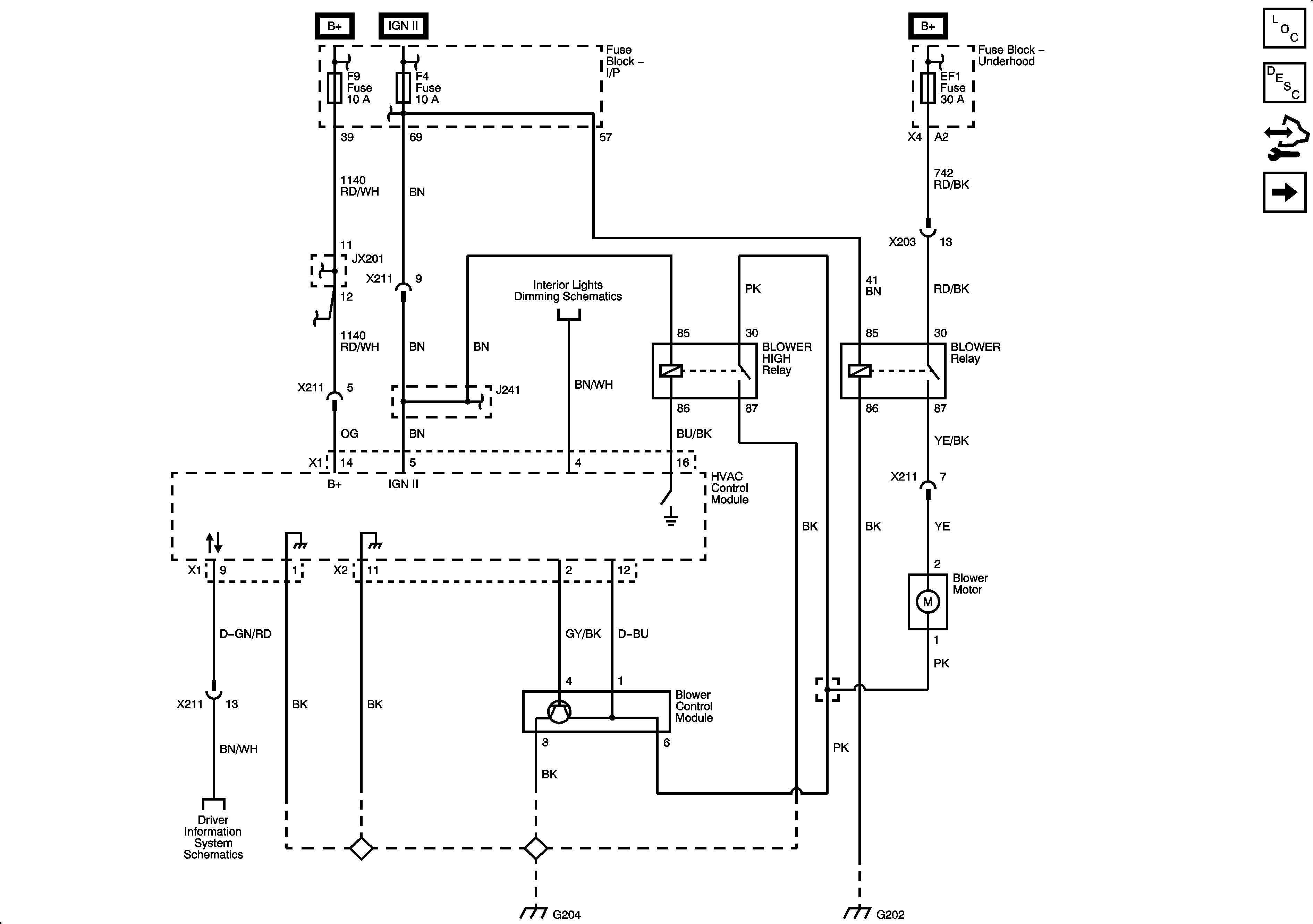
Blower Controls


Object Number: 1958584  Size: FS
Master Electrical Component List
Automatic HVAC Description and Operation
Control Module References
Compressor Controls
Fuse Block - I/P F8, F9, F15, F22, F23 Fuses
Ignition Switch
B+ Bus
Fuse Block - I/P F4, F13, F21 Fuses
Fuse Block - I/P F8, F9, F15, F22, F23 Fuses
Illumination
Fuse Block - I/P F4, F13, F21 Fuses
DIC
G203, G204
G202, 1 of 2
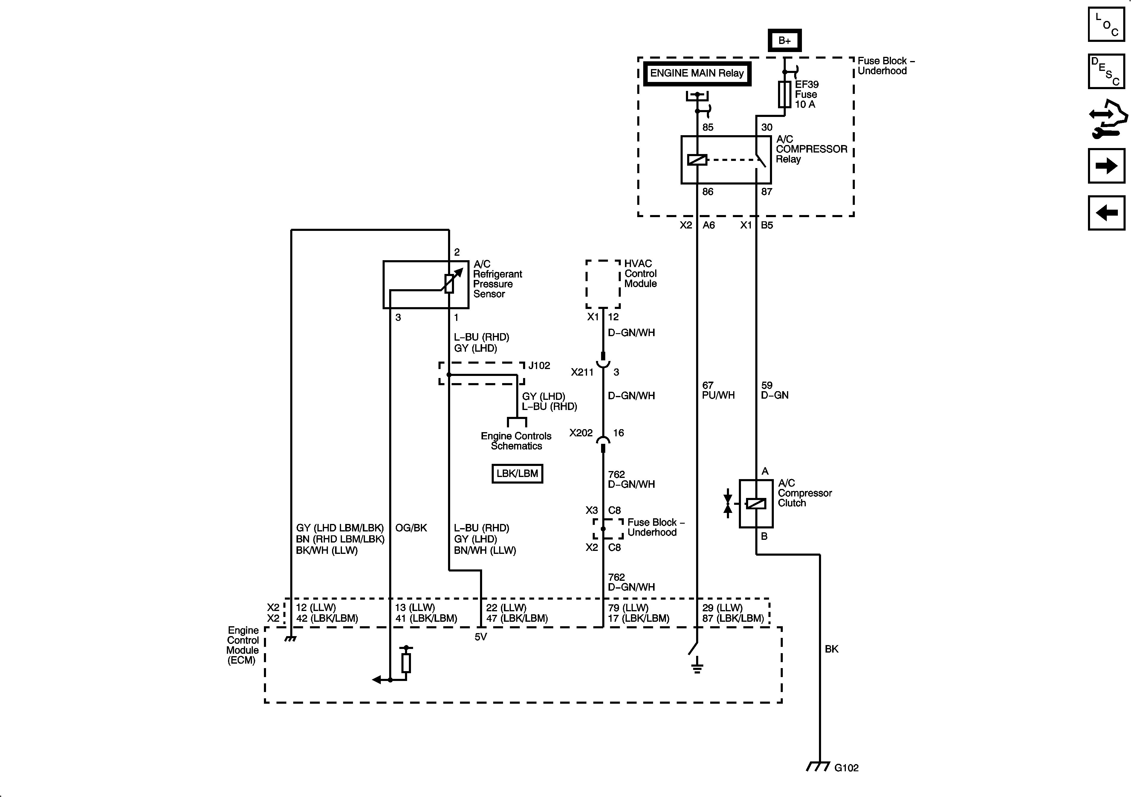
Figure 2:

Compressor Controls


Object Number: 1958587  Size: FS
Master Electrical Component List
Automatic HVAC Description and Operation
Control Module References
Air Delivery Actuators
Blower Controls
B+ Bus
B+ Bus
Fuel Controls - EVAP Controls
G102
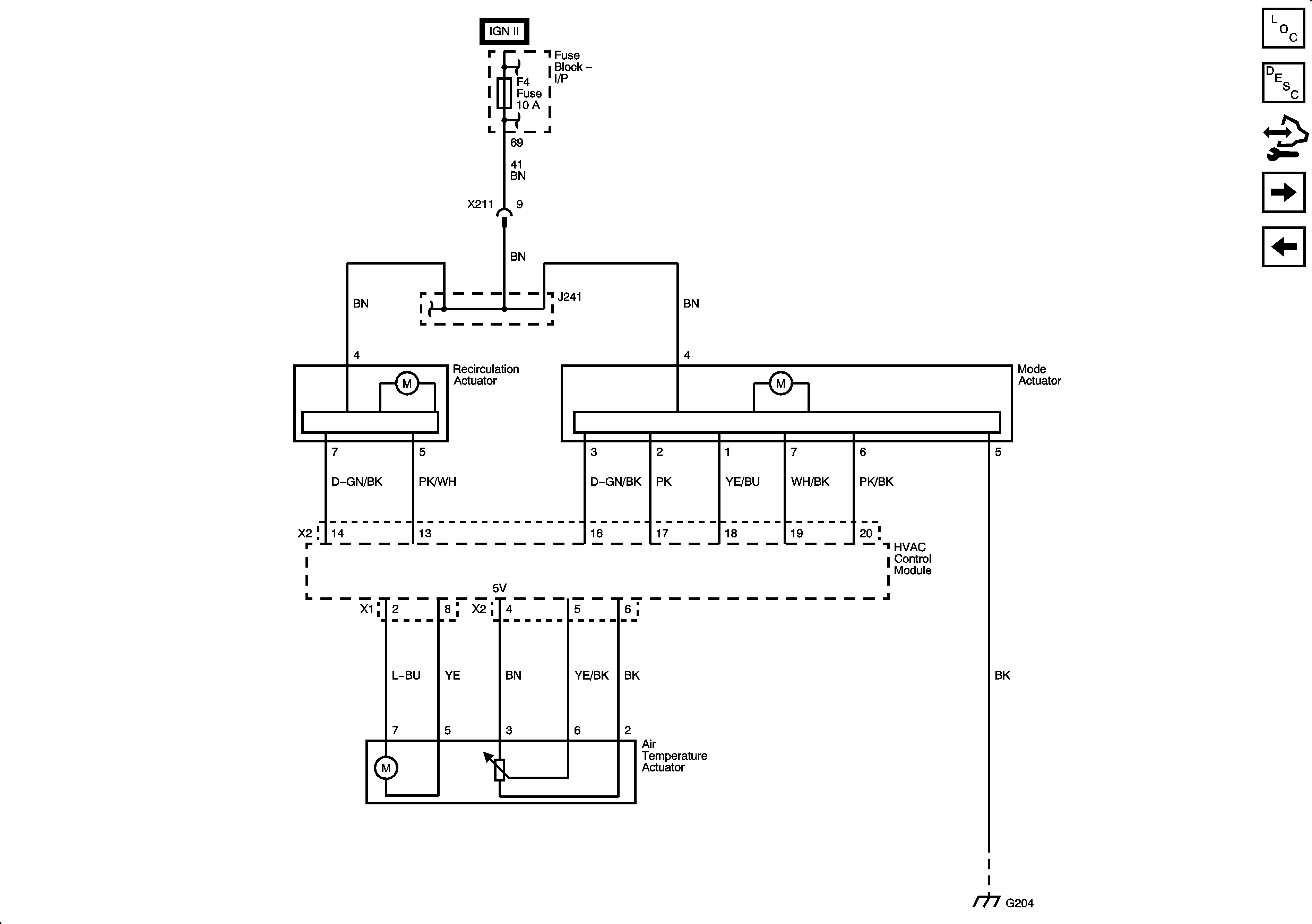
Figure 3:

Air Delivery Actuators


Object Number: 1958591  Size: FS
Master Electrical Component List
Automatic HVAC Description and Operation
Control Module References
Air Temperature Sensors
Compressor Controls
Ignition Switch
Fuse Block - I/P F4, F13, F21 Fuses
Fuse Block - I/P F4, F13, F21 Fuses
G203, G204
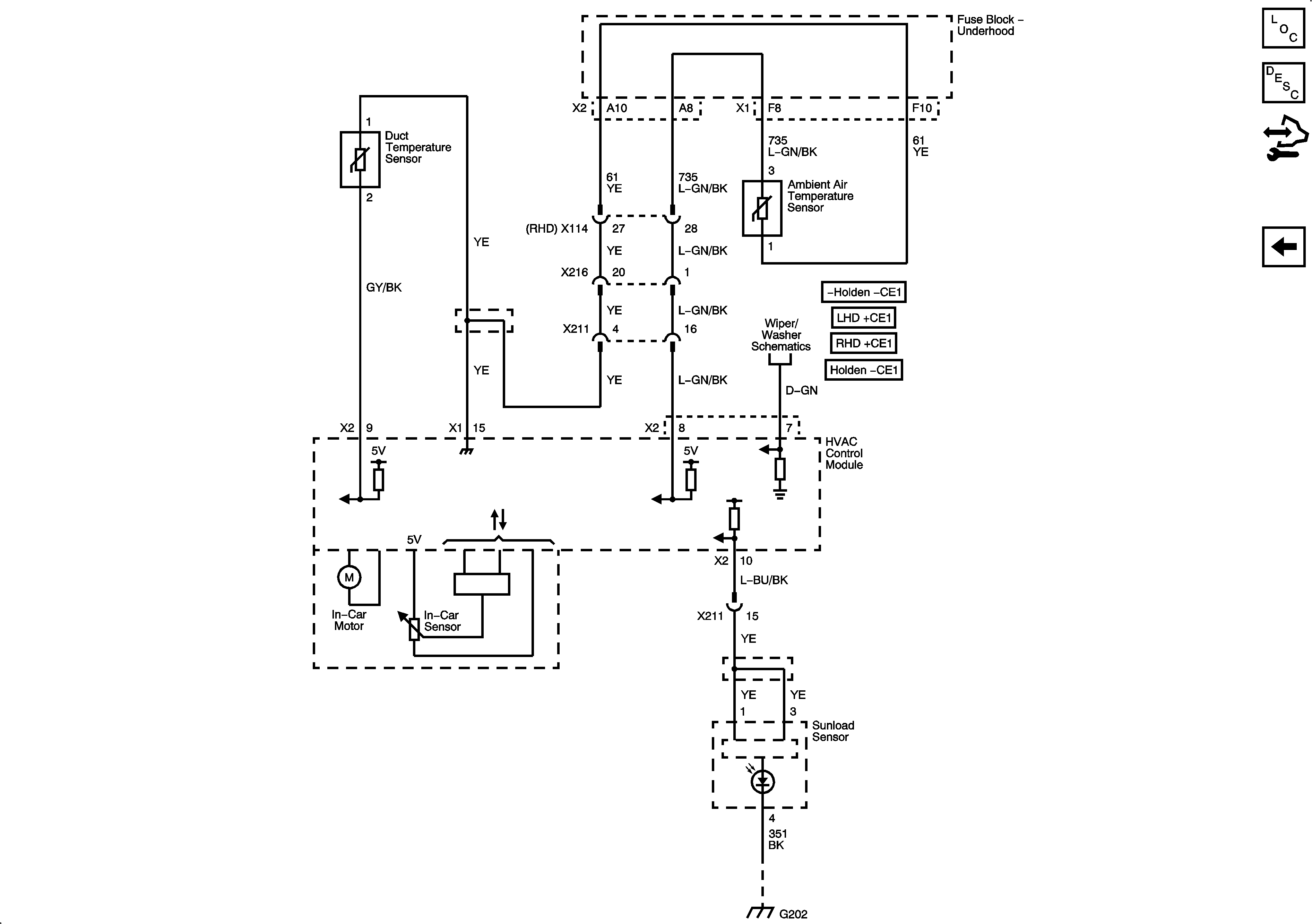
Figure 4:

Air Temperature Sensors


Object Number: 1958593  Size: FS
Master Electrical Component List
Automatic HVAC Description and Operation
Control Module References
Air Delivery Actuators
Except Holden w/o CE1
LHD w/CE1
RHD w/CE1
Holden w/o CE1
G202, 2 of 2