GM Service Manual Online
For 1990-2009 cars only
Makes
🢒
Chevrolet
🢒
2008
🢒
Epica
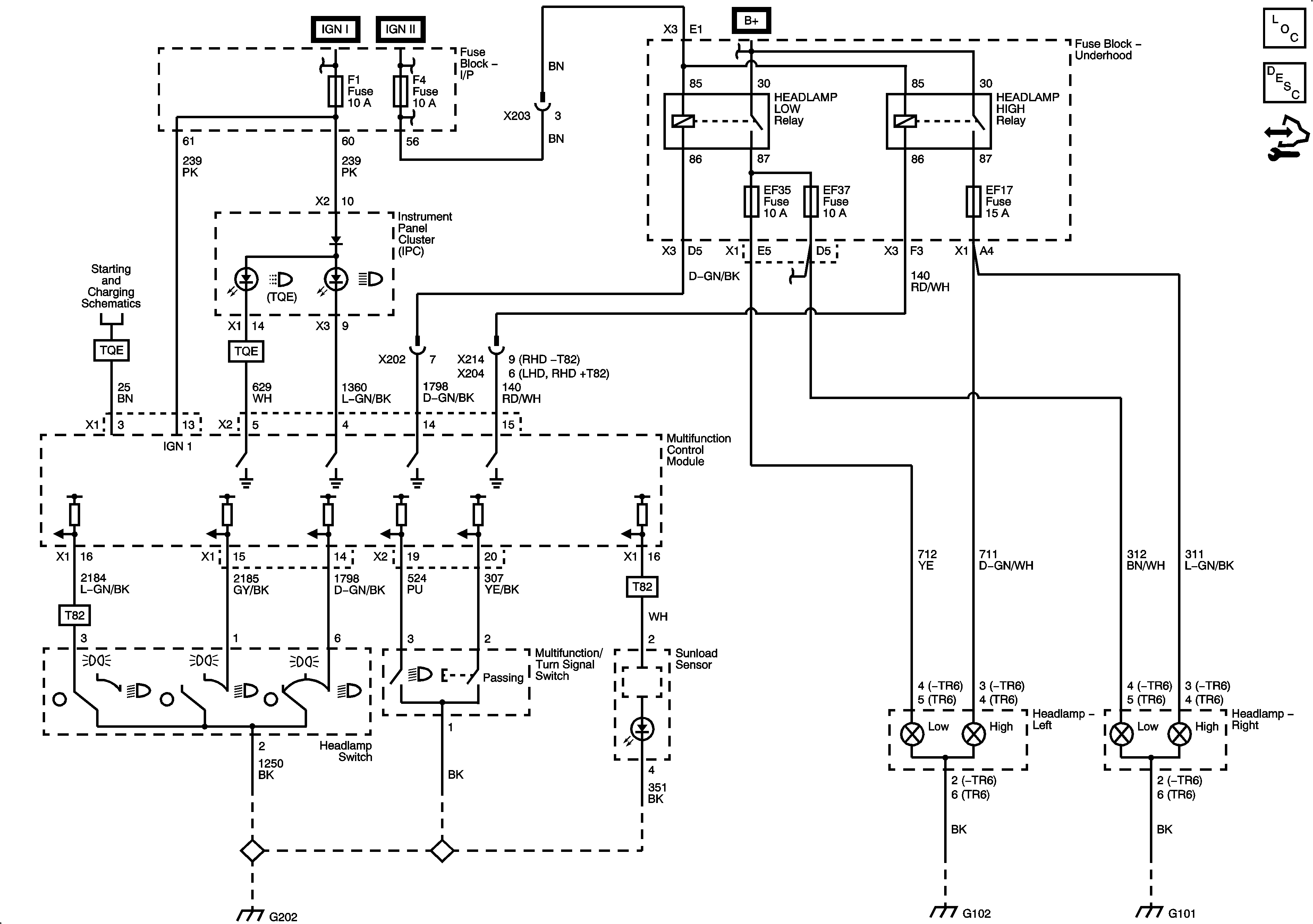
🢒 Headlights/Daytime Running Lights (DRL) Schematics
Headlights/Daytime Running Lights (DRL) Schematics
Master Electrical Component List
Exterior Lighting Systems Description and Operation
Control Module References
Ignition Switch
Fuse Block - I/P F4, F13, F21 Fuses
B+ Bus
Charging
Fuse Block - Underhood EF17, EF21, EF23, EF35, EF36, EF37 Fuses and HEADLAMP LOW, HEADLAMP HIGH Relays
G202, 2 of 2
G102
G101, G106, G107