GM Service Manual Online
For 1990-2009 cars only
Makes
🢒
Chevrolet
🢒
1998
🢒
Express
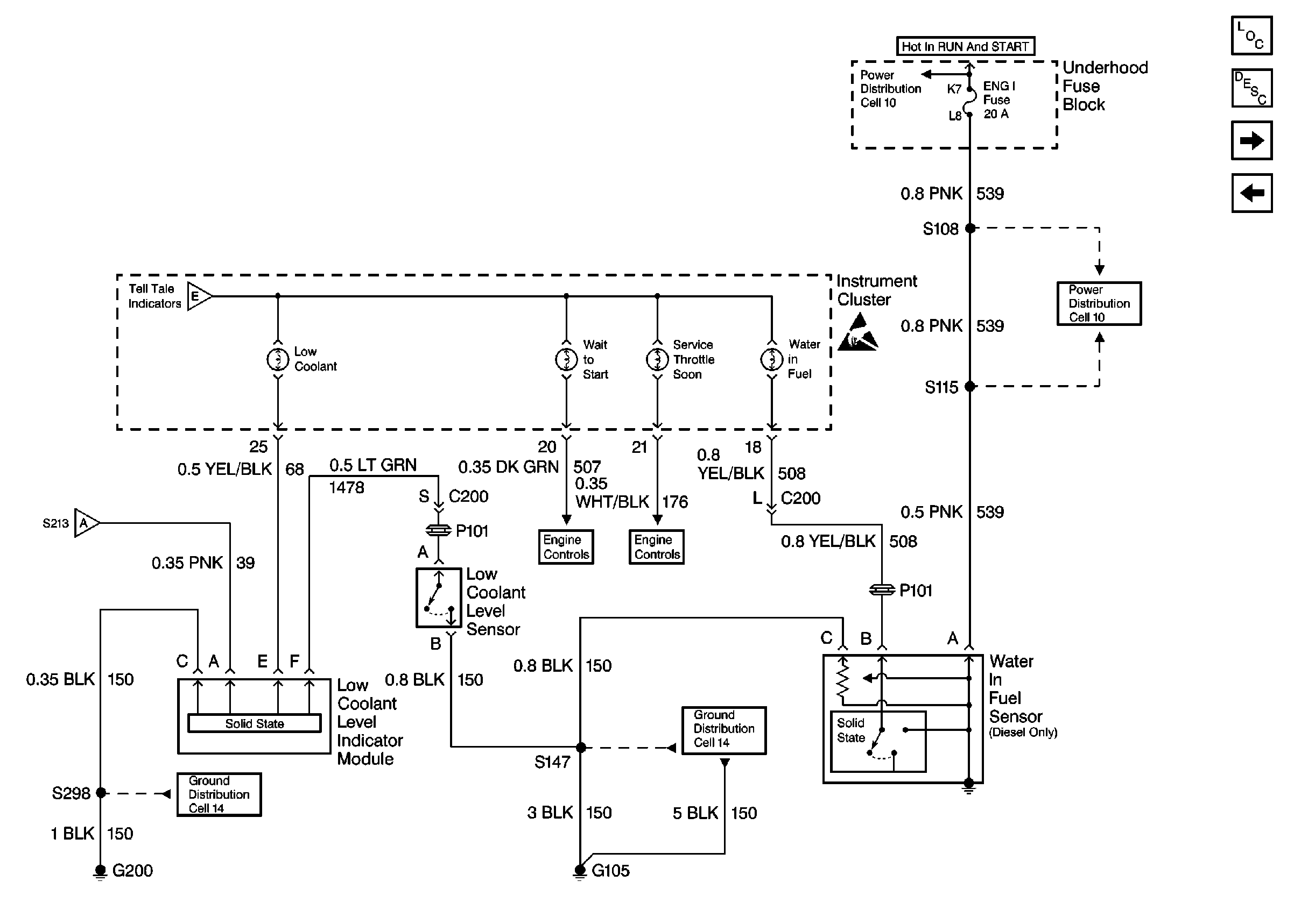
🢒 Indicator Lamps (Diesel Only)
Indicator Lamps (Diesel Only)
Indicator Lamps (Diesel Only)
Instrument Cluster Components
Instrument Cluster Circuit Description
Fuel Gauge Sender (Single Tank, Gas)
Indicator Lamps
Cell 10: IGN A Fuse and Ignition Switch
Cell 10: ENG 1 and ECM 1 Fuses (Diesel)
Indicator Lamps
Handling ESD Sensitive Parts Notice
Gauges
Glow Plug Controls
PWR, GND, and DLC
Cell 14: G200 (4 of 4)
Cell 14: G200 (1 of 4)
Cell 14: G105 (1 of 2)