GM Service Manual Online
For 1990-2009 cars only
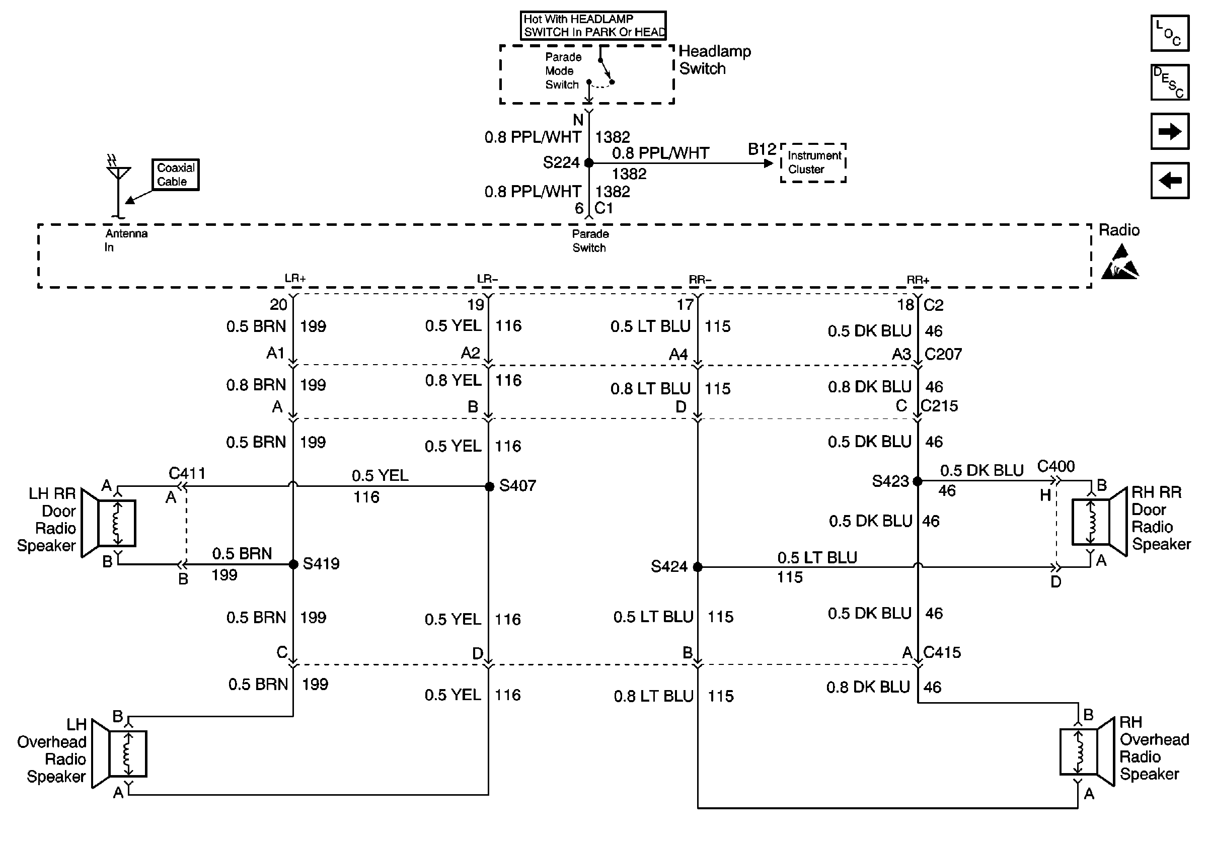
Figure 1:

PWR and Front Speakers


Object Number: 531242  Size: FS
Entertainment Components
Radio/Audio System Circuit Description
Rear Speakers
IGN A, IGN B Fuses, and Ignition Switch
LIGHTING and BATT Fuses
ILLUM Fuse and Headlamp Switch
RADIO 1, WIPER, TRANS, and CRANK Fuses
(00 GMT600) Power Antenna
ILLUM Fuse and Headlamp Switch
Handling ESD Sensitive Parts Notice
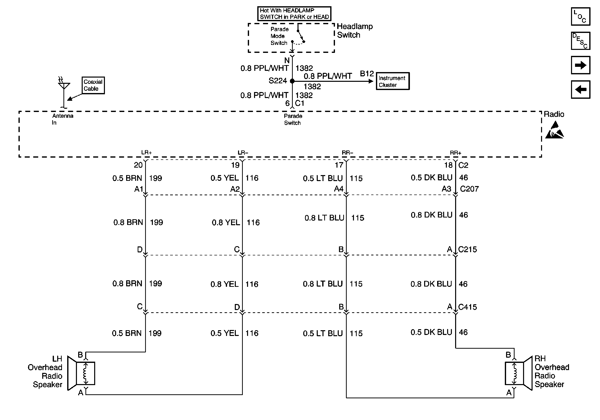
Figure 2:

Rear Speakers


Object Number: 531263  Size: FS
Entertainment Components
Radio/Audio System Circuit Description
Rear Speakers with Upfitter Provisions
PWR and Front Speakers
Headlamp Switch, Instrument Cluster, Park/Neutral Position Switch
Handling ESD Sensitive Parts Notice
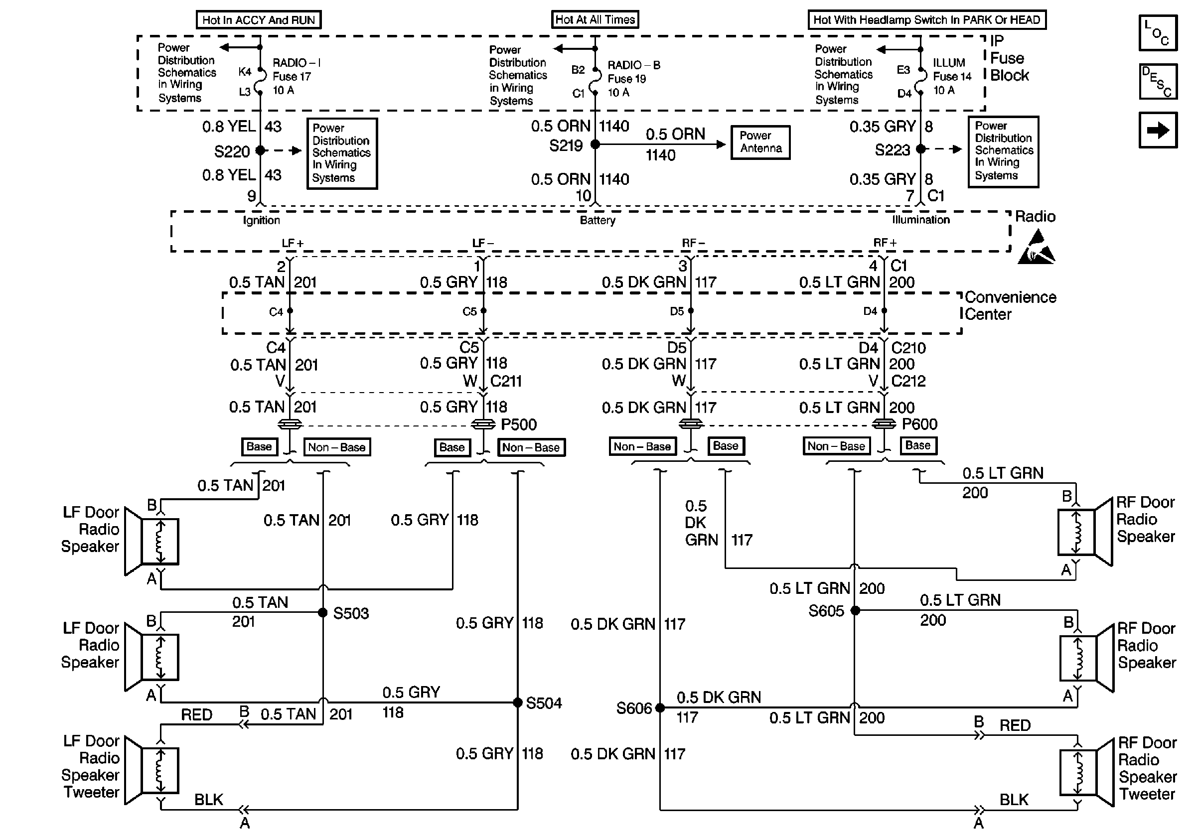
Figure 3:

Rear Speakers with Upfitter Provisions


Object Number: 531267  Size: FS
Entertainment Components
Radio/Audio System Circuit Description
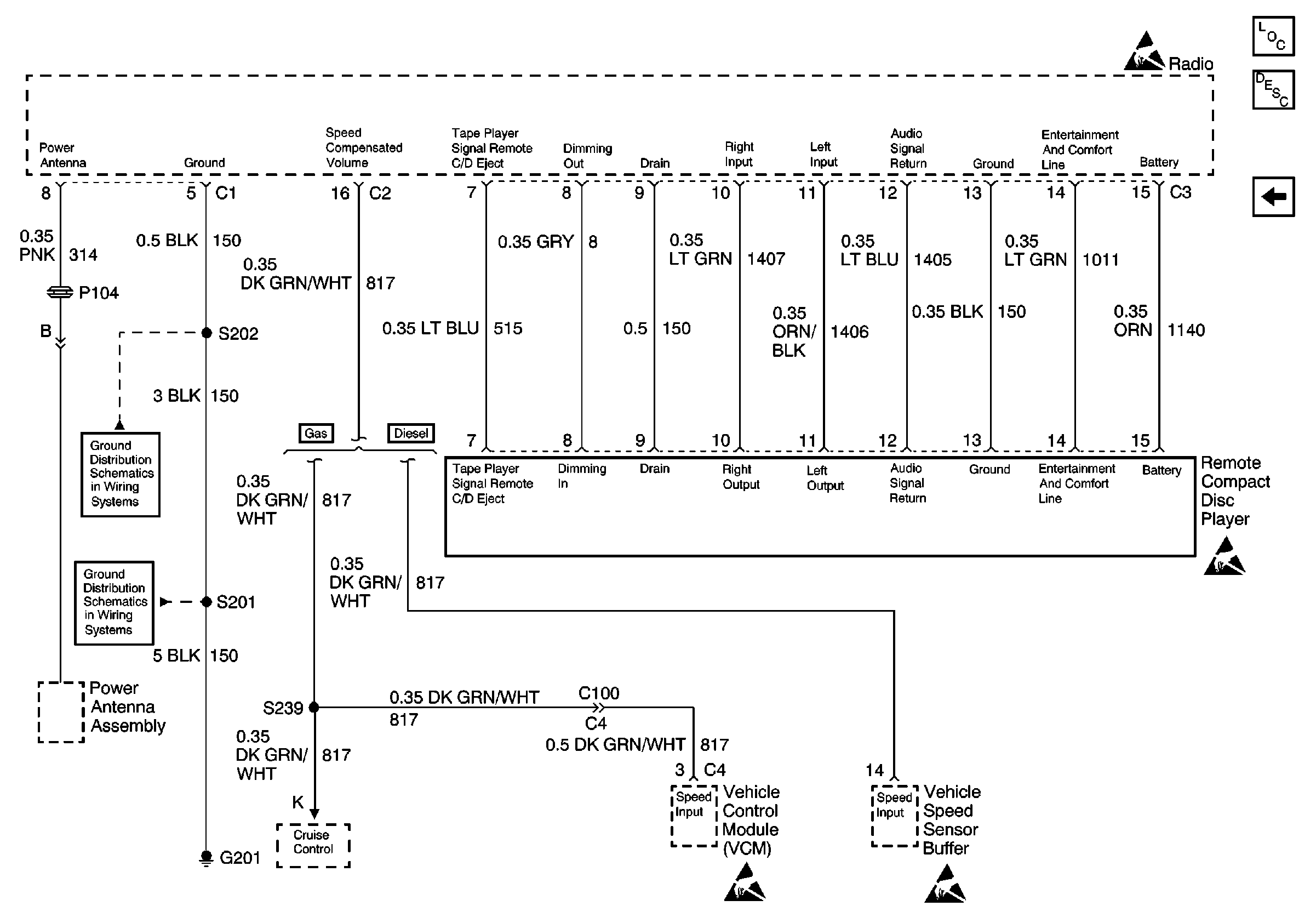
Power Antenna, Remote Compact Disc Player, and Speed Compensated Volume
Rear Speakers
Headlamp Switch, Instrument Cluster, Park/Neutral Position Switch
Handling ESD Sensitive Parts Notice
Figure 4:

Power Antenna, Remote Compact Disc Player, and Speed Compensated Volume


Object Number: 531281  Size: FS
Entertainment Components
Radio/Audio System Circuit Description
Rear Speakers with Upfitter Provisions
Handling ESD Sensitive Parts Notice
Handling ESD Sensitive Parts Notice
Components through S202 and S205 to G201
G201
Handling ESD Sensitive Parts Notice
Handling ESD Sensitive Parts Notice
Cruise Control System-Gasoline Engines