GM Service Manual Online
For 1990-2009 cars only
Makes
🢒
Chevrolet
🢒
2000
🢒
Express
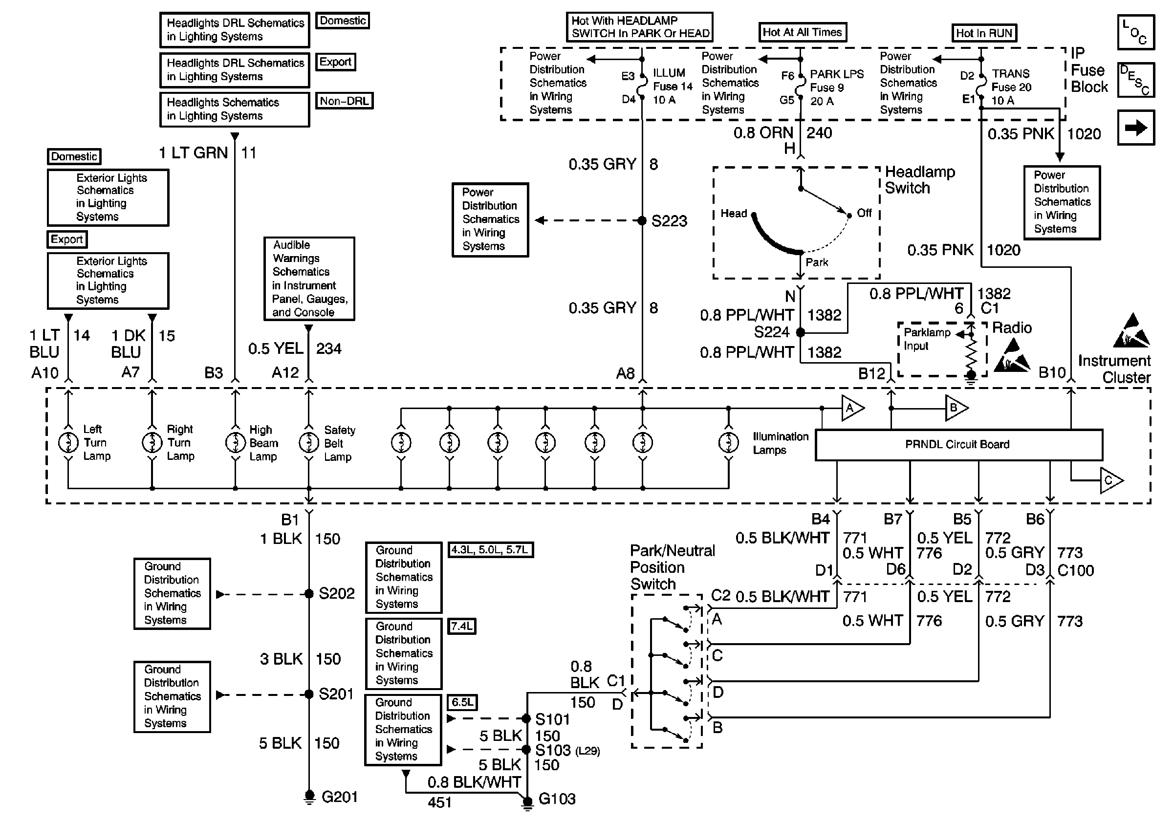
🢒 Headlamp Switch, Instrument Cluster, Park/Neutral Position Switch
Headlamp Switch, Instrument Cluster, Park/Neutral Position Switch
Headlamp Switch, Instrument Cluster, Park/Neutral Positon Switch
Instrument Cluster Components
Instrument Cluster Circuit Description
Cell 81: GAUGES Fuse, Engine Coolant Temperature Gauge Sensor, G101
GAUGES Fuse, Engine Coolant Temperature Gauge Sensor, G101
GAUGES Fuse, Engine Coolant Temperature Gauge Sensor, G101
GAUGES Fuse, Engine Coolant Temperature Gauge Sensor, G101
Handling ESD Sensitive Parts Notice
Handling ESD Sensitive Parts Notice
ILLUM Fuse and Headlamp Switch
LIGHTING and BATT Fuses
IGN A, IGN B Fuses, and Ignition Switch
RADIO 1, WIPER, TRANS, and CRANK Fuses
ILLUM Fuse and Headlamp Switch
Components through S202 and S205 to G201
G103 (6.5L Engine)
G103 (7.4L Engine)
G103 (4.3L, 5.0L, and 5.7L Engines)
GAUGES, ILLUM, HAZARD, PARK LPS Fuses; Multi-Function Alarm Module; Left Front Door Jamb Switch; G201
DRL Diode Module, DRL Relay, DRL Control Module, Headlamp Switch
Headlamps, Brake Pressure Differential Switch
Headlights Schematics
Hazard Warning Switch, Turn/Hazard Lamp Flasher
Turn/Hazard Lamp Flasher