GM Service Manual Online
For 1990-2009 cars only
Makes
🢒
Chevrolet
🢒
2000
🢒
Express
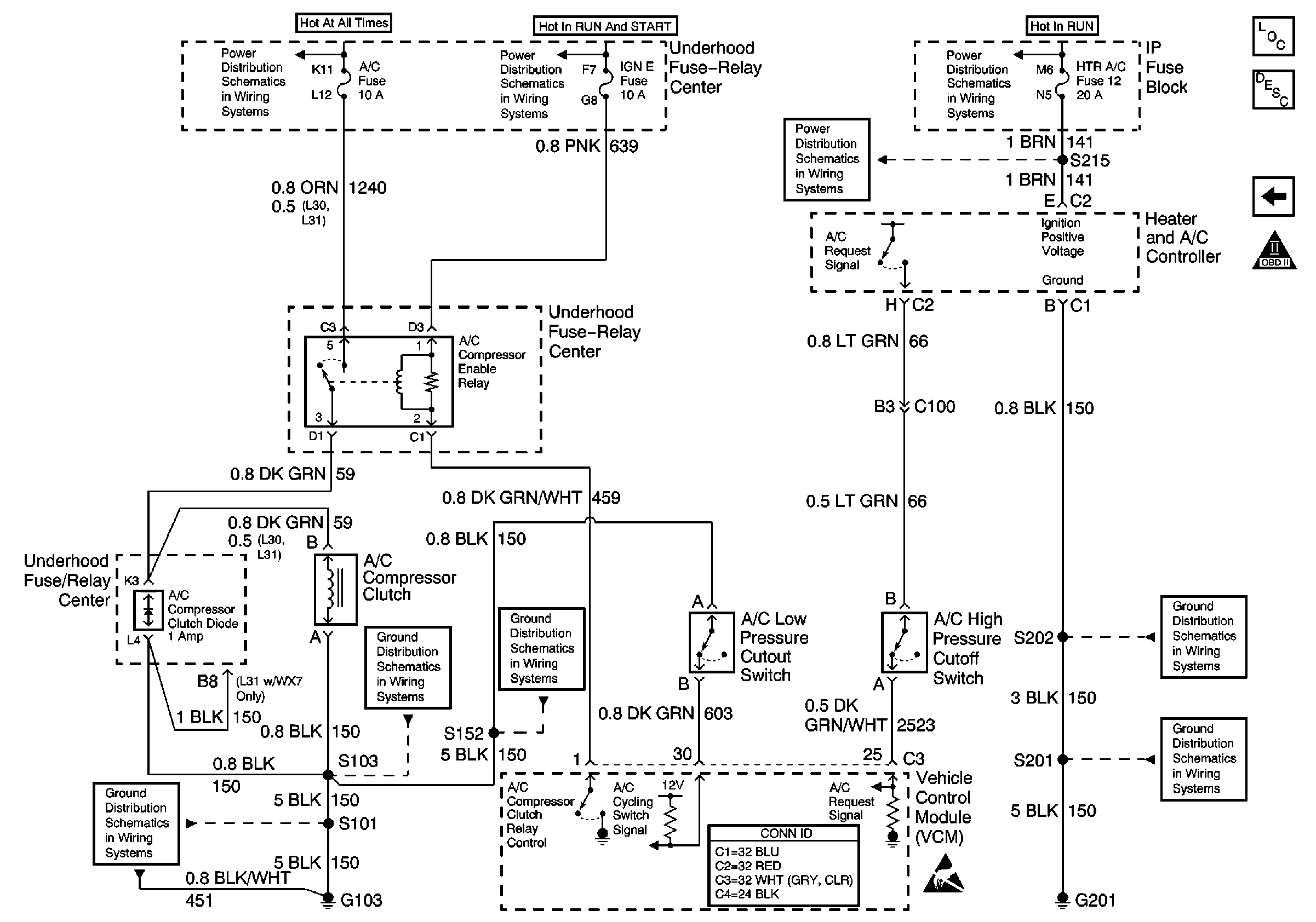
🢒 A/C Controls
A/C Controls
A/C Controls
Engine Controls Components
Vehicle Control Module Description
4L80-E Transmission Switch Controls
OBD II Symbol Description Notice
IGN A, IGN B Fuses, and Ignition Switch
IGN A, IGN B Fuses, and Ignition Switch
Battery, Auxiliary Battery, and Underhood Fuse/Relay Center
CRUISE, HTR A/C, and BRAKE Fuses
G103 (4.3L, 5.0L, and 5.7L Engines)
G103 (4.3L, 5.0L, and 5.7L Engines)
Components through S152 to G103 (Gasoline Engines)
Components through S202 and S205 to G201
G201
Handling ESD Sensitive Parts Notice