GM Service Manual Online
For 1990-2009 cars only
Makes
🢒
Chevrolet
🢒
2000
🢒
Express
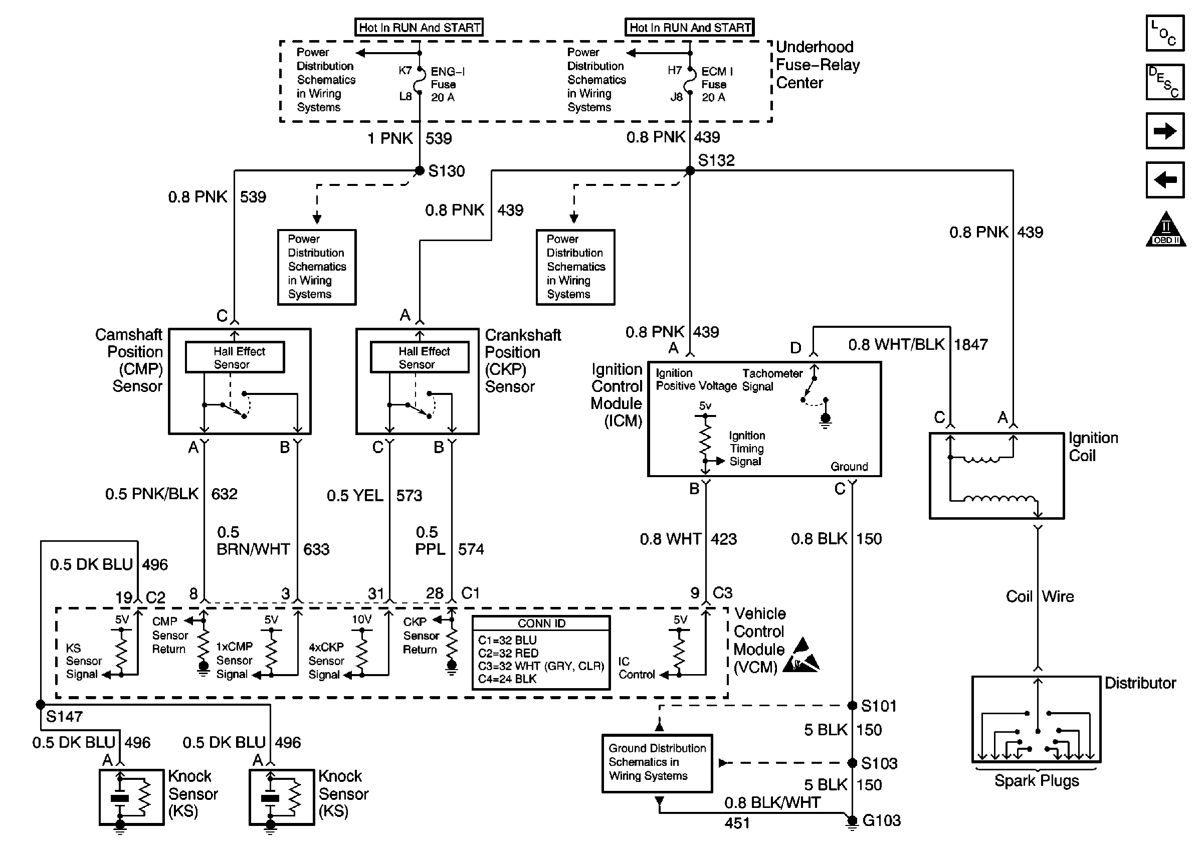
🢒 CKP, CMP, ICM, Ignition Coil, VCM, Knock Sensors
CKP, CMP, ICM, Ignition Coil, VCM, Knock Sensors
CKP, CMP, ICM, Ignition Coil, VCM, Knock Sensors
Engine Controls Components
Vehicle Control Module Description
Fuel Pump and Sender, Fuel Pump Relay, VCM
Fuses, MIL, VCM, DLC, G101, G103, G201
OBD II Symbol Description Notice
IGN A, IGN B Fuses, and Ignition Switch
IGN A, IGN B Fuses, and Ignition Switch
ENG 1 Fuse (6.5L and 7.4L)
ECM-I and IGN E Fuses (7.4L)
Handling ESD Sensitive Parts Notice