GM Service Manual Online
For 1990-2009 cars only
Makes
🢒
Chevrolet
🢒
2000
🢒
Express
🢒 A/C Controls
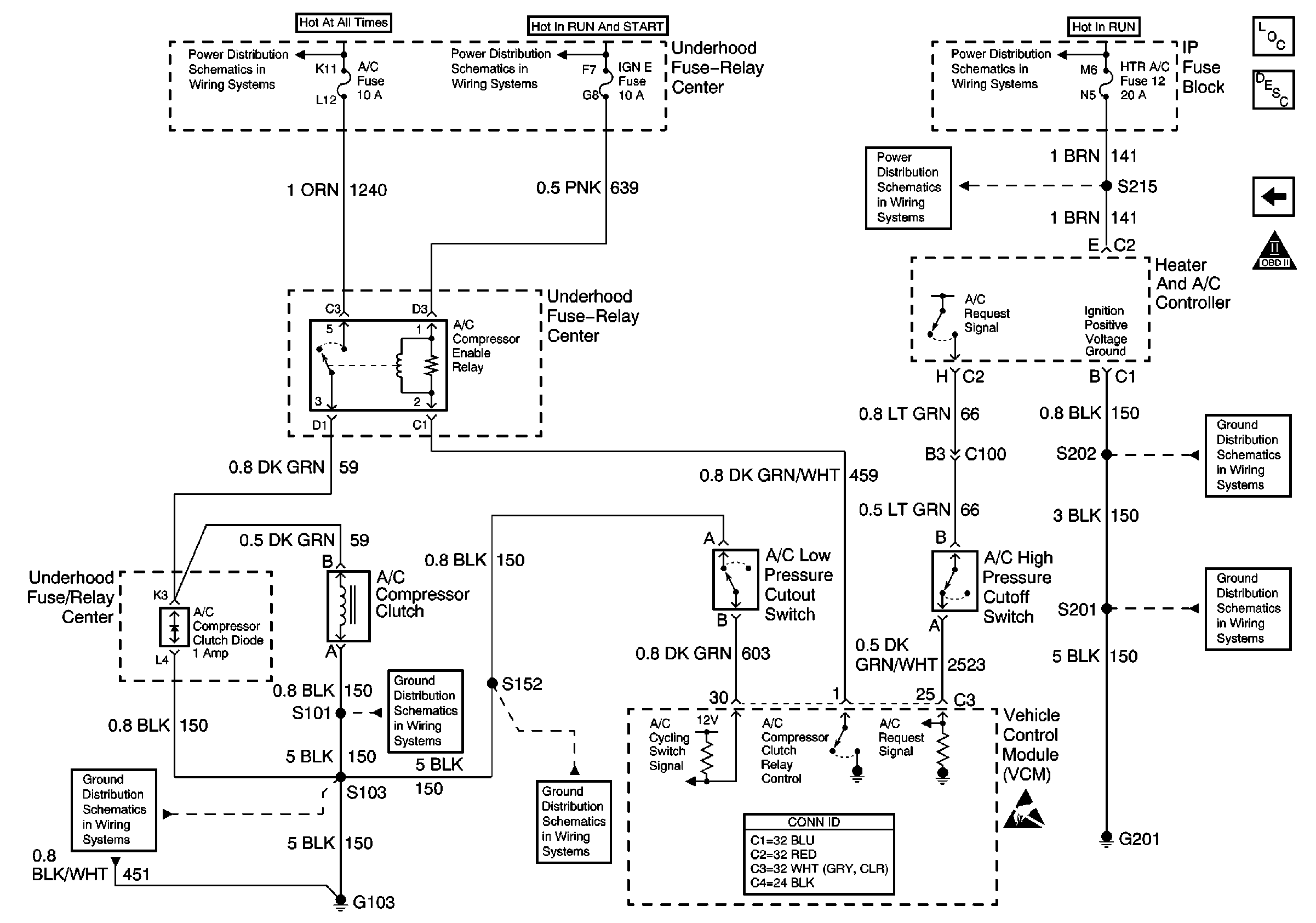
A/C Controls
A/C Controls
Engine Controls Components
Vehicle Control Module Description
4L80-E Transmission Switch Controls
OBD II Symbol Description Notice
IGN A, IGN B Fuses, and Ignition Switch
IGN A, IGN B Fuses, and Ignition Switch
Battery, Auxiliary Battery, and Underhood Fuse/Relay Center
CRUISE, HTR A/C, and BRAKE Fuses
G103 (7.4L Engine)
G103 (7.4L Engine)
Components through S152 to G103 (Gasoline Engines)
Components through S202 and S205 to G201
G201
Handling ESD Sensitive Parts Notice