GM Service Manual Online
For 1990-2009 cars only
Makes
🢒
Chevrolet
🢒
2000
🢒
Express
🢒 CTSY Fuse
CTSY Fuse
CTSY Fuse
Lighting Systems Components
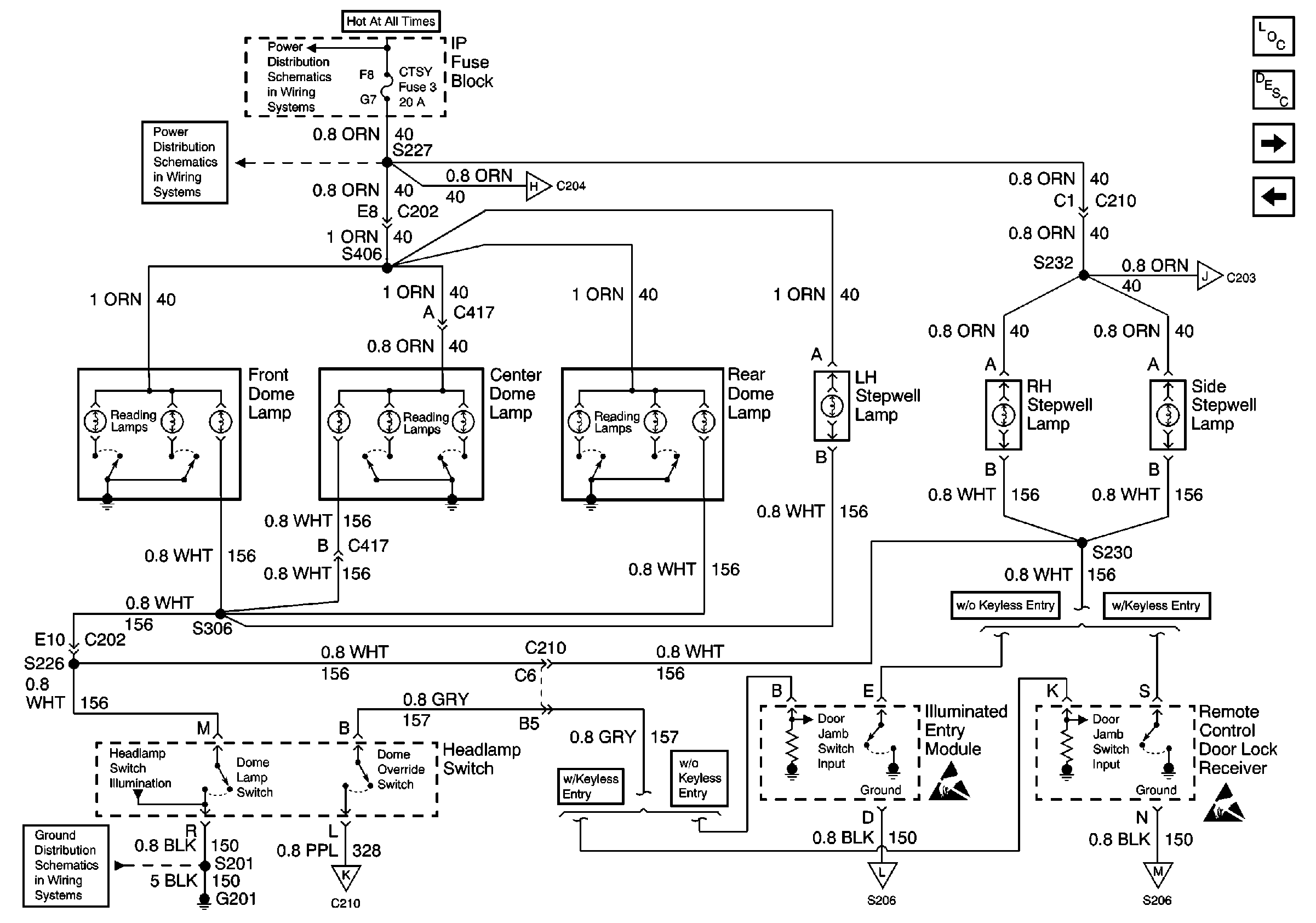
Interior Lights Circuit Description
Sunshade, Ashtray, And IP Compartment Lamps
Power Window And Lock Switch Illumination
LIGHTING and BATT Fuses
CTSY, AIR BAGS, and TURN B/U Fuses
Sunshade, Ashtray, And IP Compartment Lamps
Sunshade, Ashtray, And IP Compartment Lamps
PWR ACCY, GAUGES, And PARK LPS Fuses
G201
Door Jamb Switches
Sunshade, Ashtray, And IP Compartment Lamps
Sunshade, Ashtray, And IP Compartment Lamps
Handling ESD Sensitive Parts Notice
Handling ESD Sensitive Parts Notice