GM Service Manual Online
For 1990-2009 cars only
Makes
🢒
Chevrolet
🢒
2000
🢒
Express
🢒 GAUGES Fuse, Engine Coolant Temperature Gauge Sensor, G101
GAUGES Fuse, Engine Coolant Temperature Gauge Sensor, G101
GAUGES Fuse, Engine Coolant Temperature Gauge Sensor, G101
IGN A, IGN B Fuses, and Ignition Switch
GAUGES Fuse
Headlamp Switch, Instrument Cluster, Park/Neutral Position Switch
G101 (Gasoline Engines)
G101 (Diesel Engine)
GAUGES Fuse, Fuel Sender Buffer Module, Low Engine Coolant Level Indicator Module, Low Engine Coolant Indicator Sensor, G103, G201, G209
Headlamp Switch, Instrument Cluster, Park/Neutral Position Switch
00 GMT600 IP Headlamp Sw, PNP Sw (Export)
GAUGES Fuse, WATER-IN-FUEL Indicator Sensor, G103
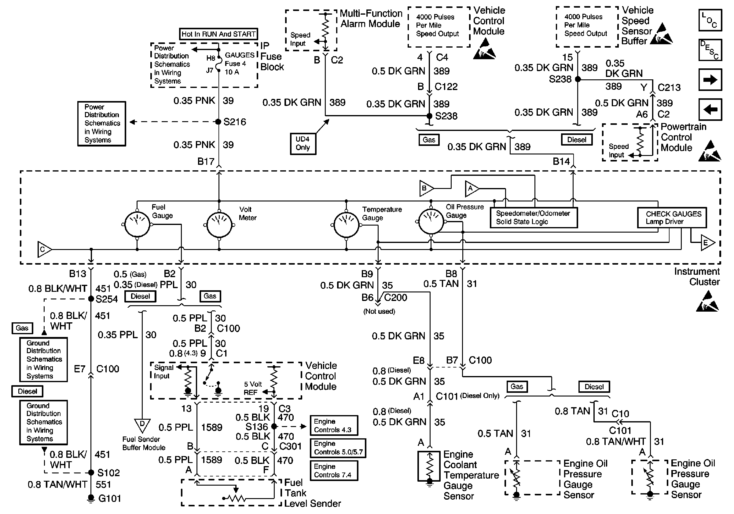
Instrument Cluster Components
Instrument Cluster Circuit Description
Fuel Pump and Sender, Fuel Pump Relay, VCM
Fuel Pump and Sender, Fuel Pump Relay, VCM
Fuel Pump and Sender, Fuel Pump Relay, VCM
Handling ESD Sensitive Parts Notice
Handling ESD Sensitive Parts Notice
Handling ESD Sensitive Parts Notice
Handling ESD Sensitive Parts Notice