GM Service Manual Online
For 1990-2009 cars only
Makes
🢒
Chevrolet
🢒
2000
🢒
Express
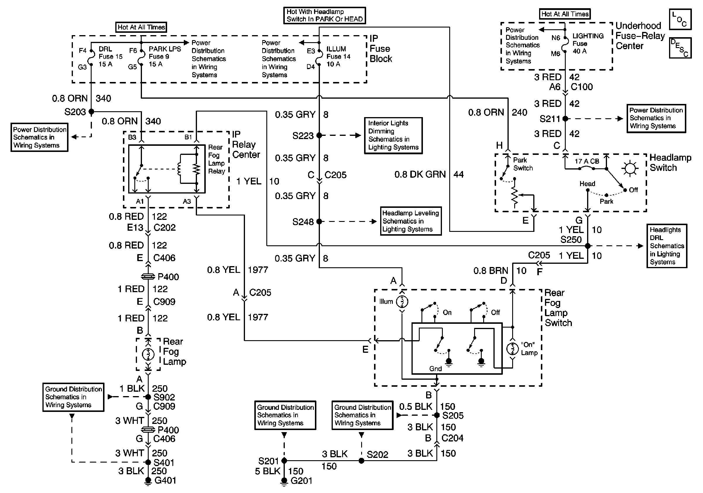
🢒 Rear Fog Lamp
Rear Fog Lamp
Lighting Systems Components
Fog Lights Circuit Description
4.3L, 5.0L, 5.7L, 7.4L Schematic Figure
ILLUM Fuse and Headlamp Switch
LIGHTING and BATT Fuses
PARK LPS, SECURITY STRG, and DRL Fuses
ILLUM and PARK LPS Fuses
LIGHTING and BATT Fuses
Headlamp Switch, DRL Control Module
Headlamp Leveling
G201
Components through S202 and S205 to G201