GM Service Manual Online
For 1990-2009 cars only
Makes
🢒
Chevrolet
🢒
2001
🢒
Express
🢒 VIM, Lighting Control, I/P Fuse Block (Export Only)
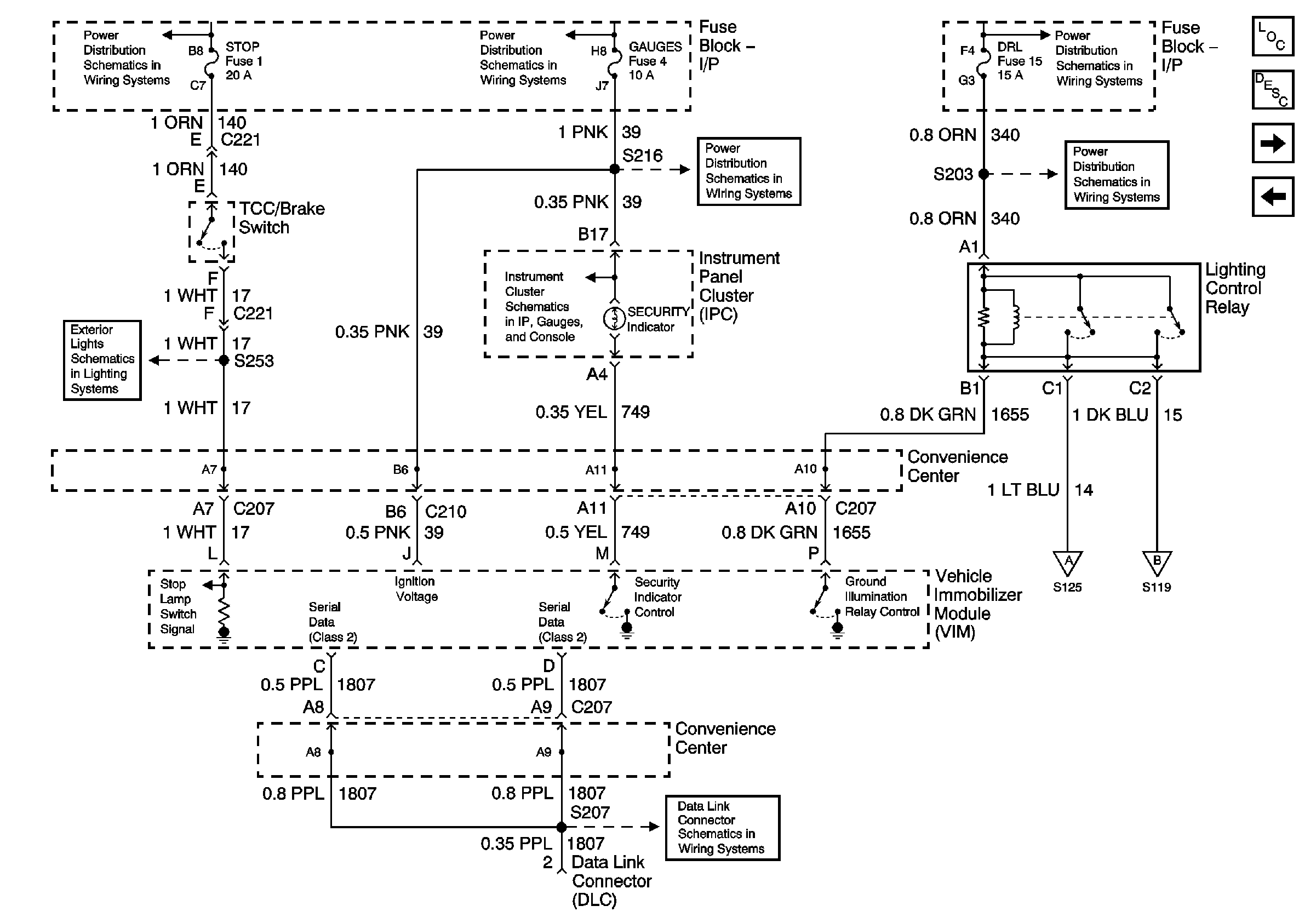
VIM, Lighting Control, I/P Fuse Block (Export Only)
VIM, Lighting Control, I/P Fuse Block (Export Only)
Master Electrical Component List
Theft Systems Description and Operation
I/P Fuse Block, Power Door Lock Switch, VIM (Export Only)
Passlock (Diesel)
Lighting and Battery Fuses
Ignition A, Ignition B Fuses, and Ignition Switch
Lighting and Battery Fuses
PARK LPS, TURN B/U, HAZARD, and STOP Fuses
Indicators 1 of 2 (Diesel)
Gauges Fuse
Park Lamps, Security, and DRL Fuses
Data Link Communications
Front Lamps (Export Only)