GM Service Manual Online
For 1990-2009 cars only
Makes
🢒
Chevrolet
🢒
2001
🢒
Express
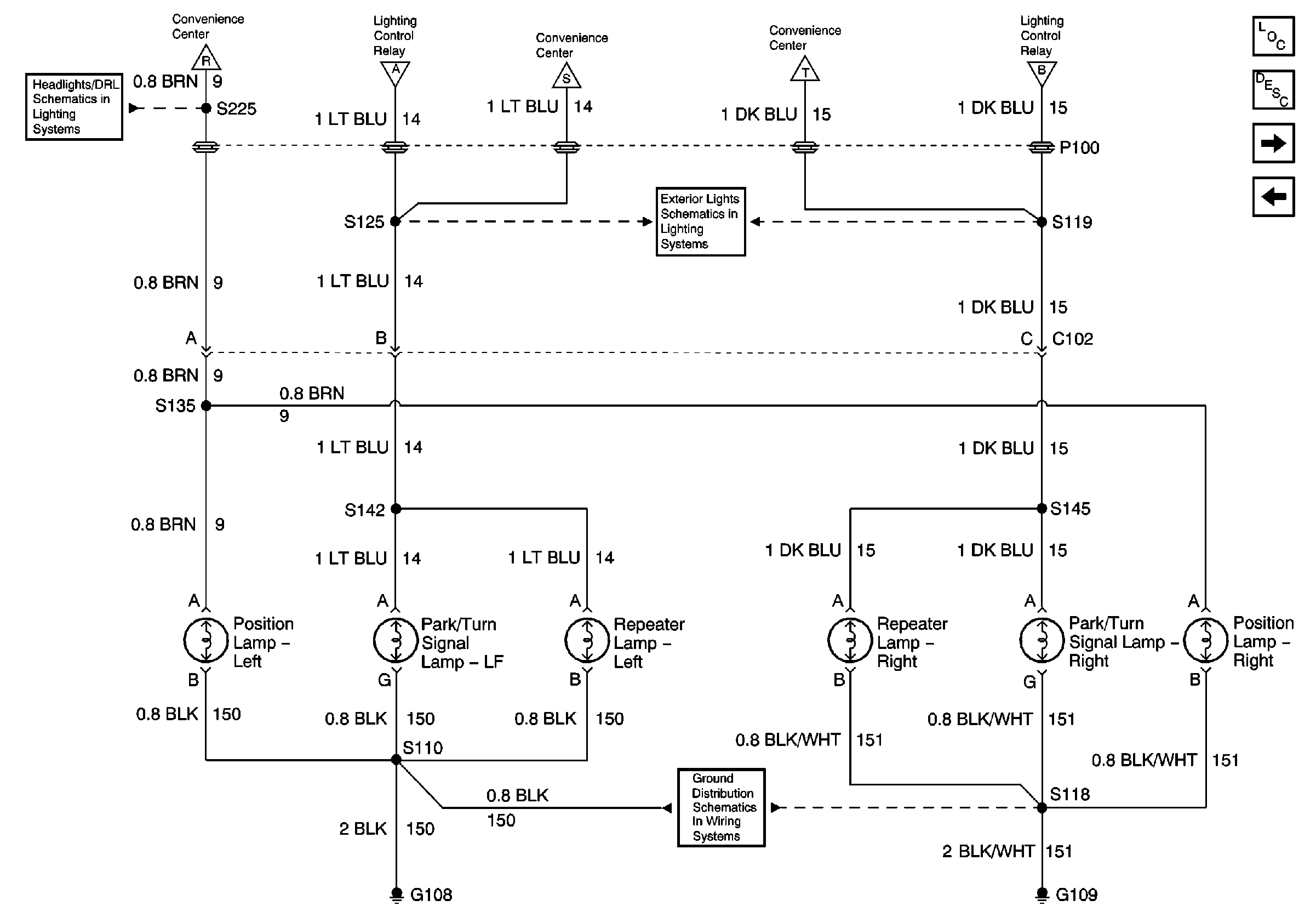
🢒 Front Lamps (Export Only)
Front Lamps (Export Only)
Front Lamps (Export Only)
Master Electrical Component List
Theft Systems Description and Operation
Rear Lamps (Export Only)
Door Lock Actuator, Side Door Contacts (Export Only)
Headlamp Switch, DRL Control Module
Rear Lamps (Export Only)
VIM, Lighting Control, I/P Fuse Block (Export Only)
Rear Lamps (Export Only)
Rear Lamps (Export Only)
VIM, Lighting Control, I/P Fuse Block (Export Only)
Turn/Hazard Lamp Flasher
G108 and G109 (Export)