GM Service Manual Online
For 1990-2009 cars only
Makes
🢒
Chevrolet
🢒
2001
🢒
Express
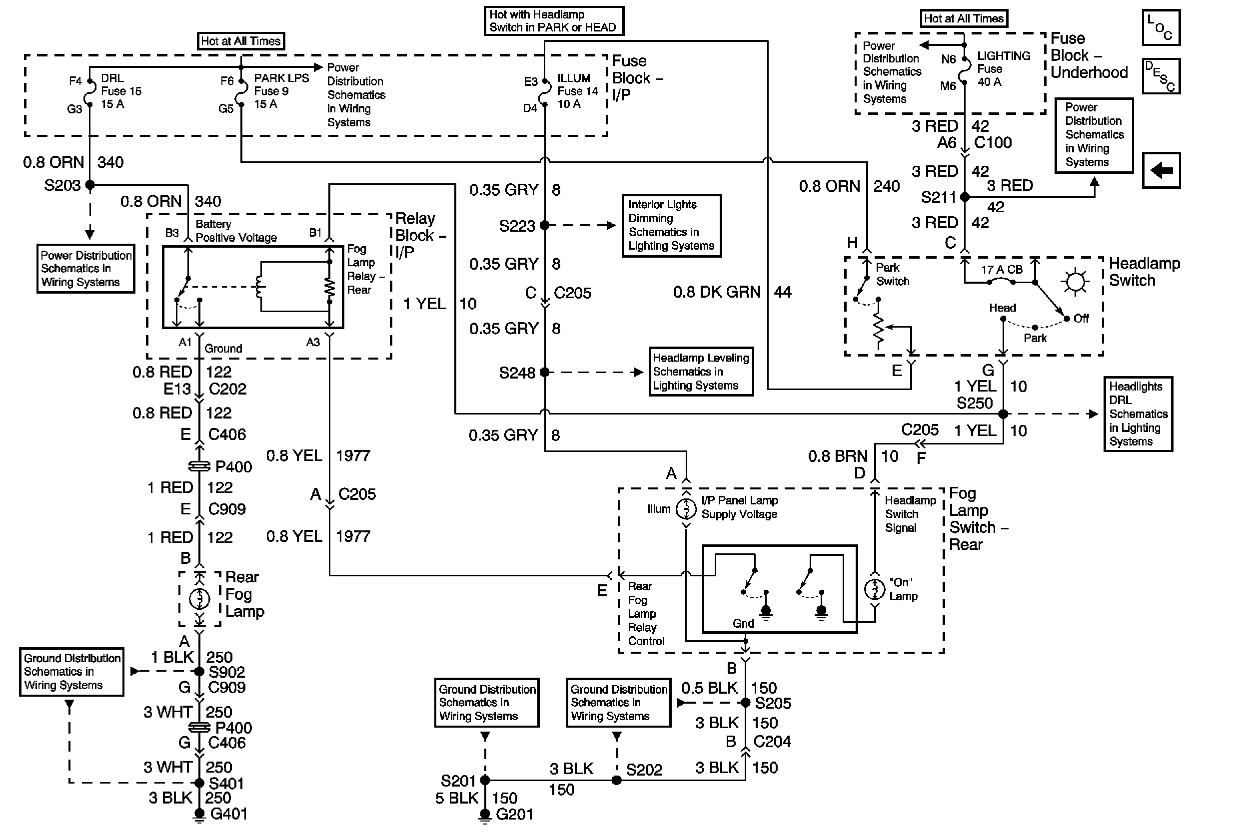
🢒 Rear Fog Lamps (Export)
Rear Fog Lamps (Export)
Rear Fog Lamps (Export)
Master Electrical Component List
Exterior Lighting Systems Description and Operation
Front Fog Lamps (Domestic)
Lighting and Battery Fuses
Battery, Auxiliary Battery, and Underhood Fuse/Relay Center
Park Lamps, Security, and DRL Fuses
ILLUM and PARK LPS Fuses
Lighting and Battery Fuses
Headlamp Switch, DRL Control Module
Headlamp Leveling Switch, Healamp Leveling Actuators, Headlamp Swtich
G201
Components through S202 and S205 to G201
G401