GM Service Manual Online
For 1990-2009 cars only
Makes
🢒
Chevrolet
🢒
2005
🢒
Express
🢒
Body
🢒
Doors
🢒 Outside Rearview Mirror Schematics
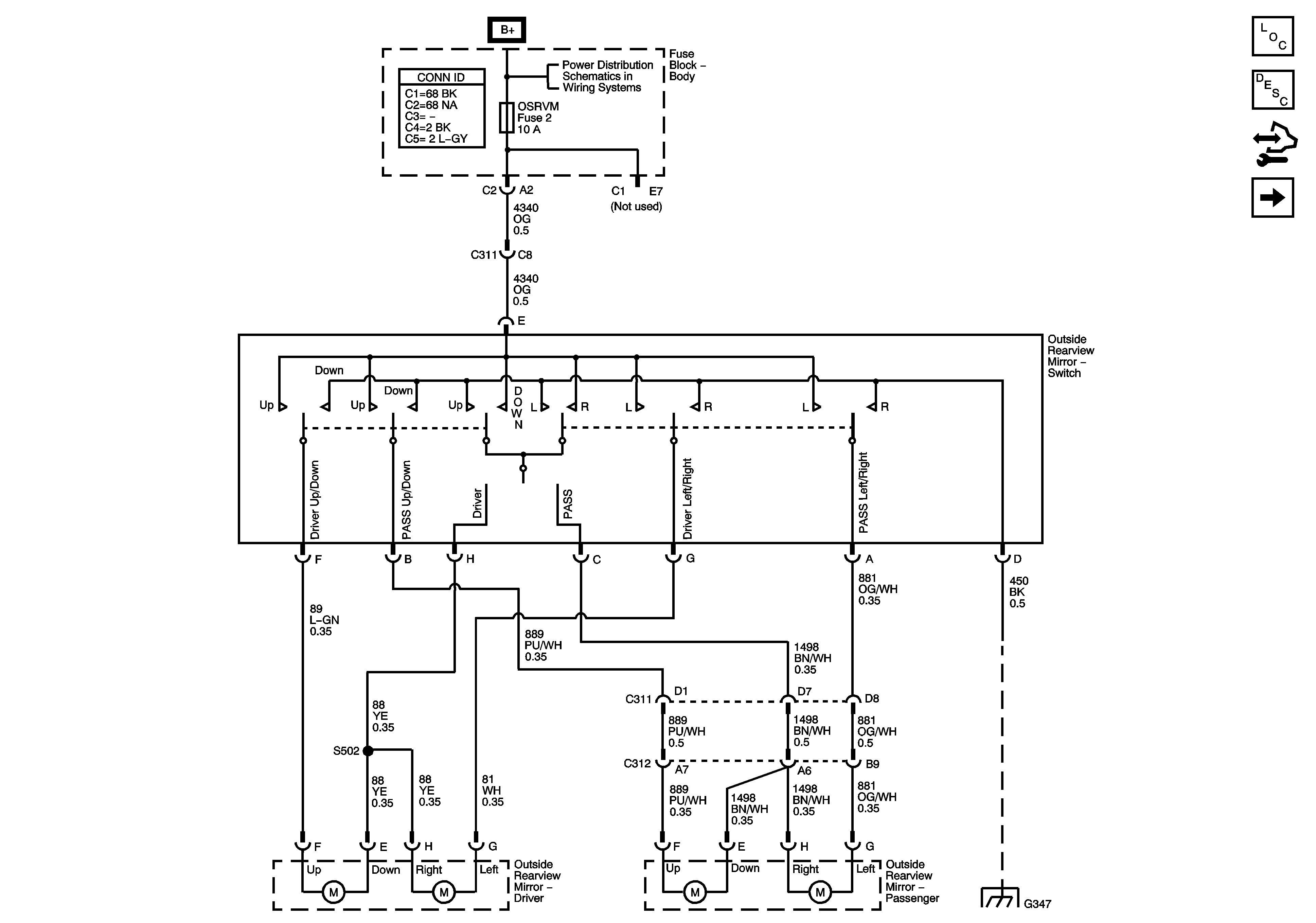
Figure
1:
Power, Ground, Power Mirror Switches and Motors
Master Electrical Component List
Outside Mirror Description and Operation Power Mirrors
Control Module References
Heated Mirrors
B+ Bus - Body Fuse Block
G347 - 1 of 3
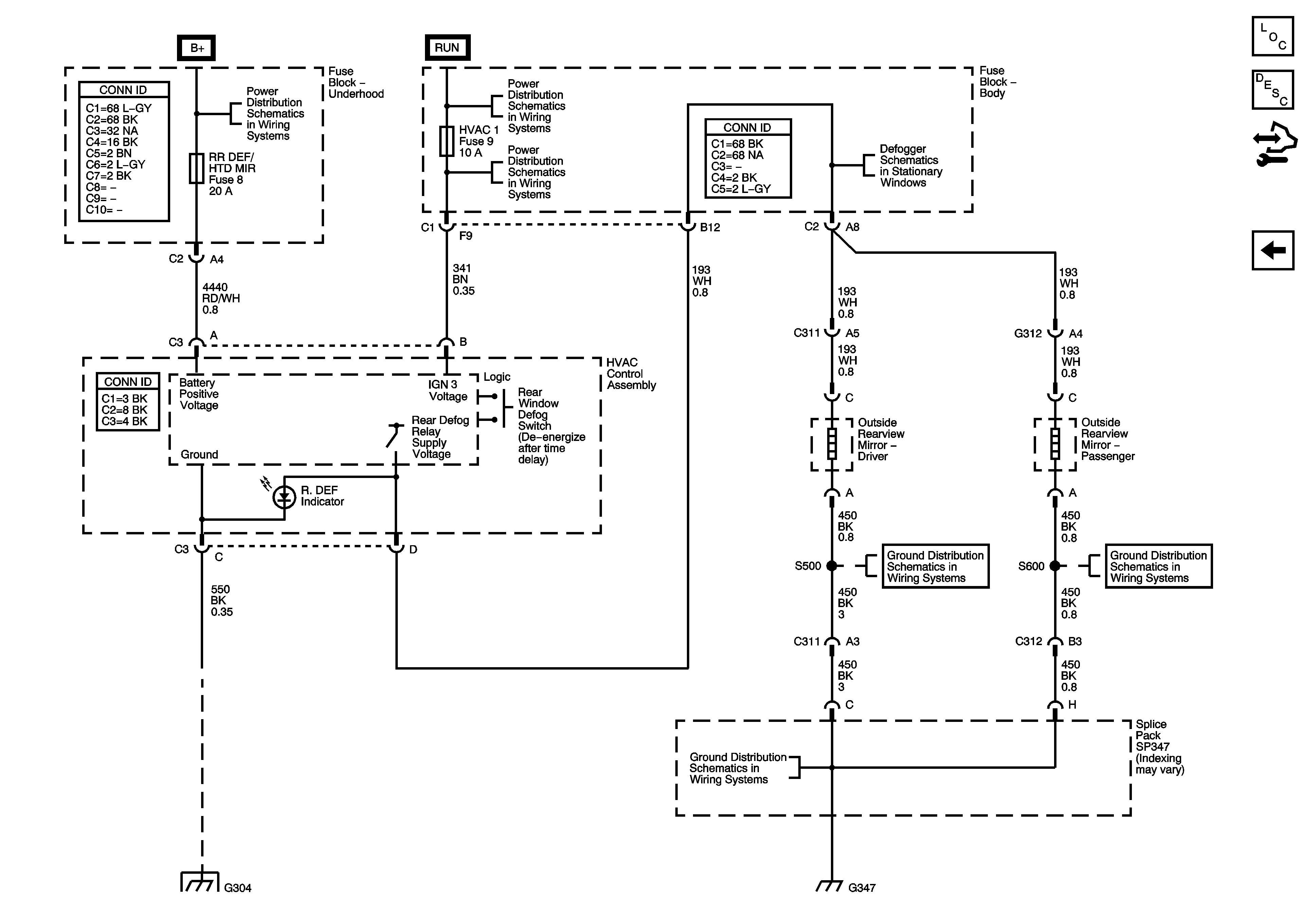
Figure
2:
Heated Mirrors
Master Electrical Component List
Outside Mirror Description and Operation Heated Mirrors
Control Module References
Power, Ground, Power Mirror Switches and Motors
B+ Bus - Underhood Fuse Block
Ignition Switch - ACCY/RUN, RUN/START Bus Bars and IGN A Fuse
HVAC 1 Fuse
Defogger Schematics
G303 and G304
G347 - 1 of 3
G347 - 1 of 3
G347 - 2 of 3