GM Service Manual Online
For 1990-2009 cars only
Makes
🢒
Chevrolet
🢒
2005
🢒
Express
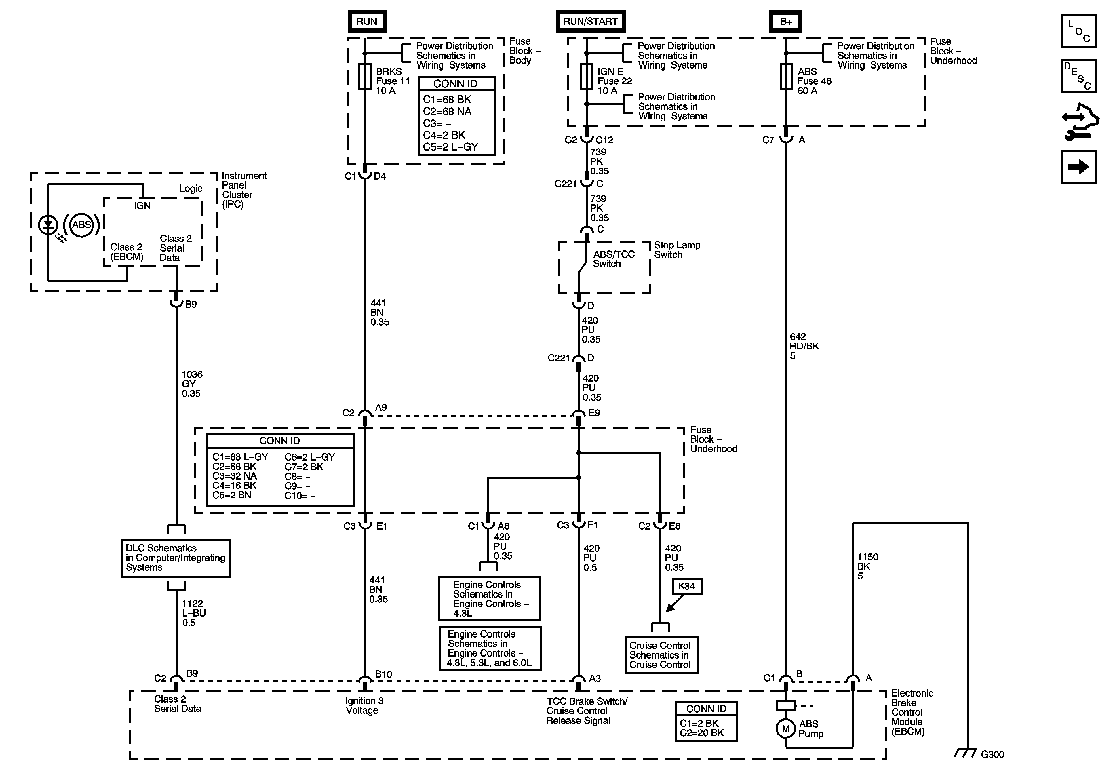
🢒 Power, Ground, Serial Data, Indicator and Stop lamp Switch - w/o JL4
Power, Ground, Serial Data, Indicator and Stop lamp Switch - w/o JL4
Power, Ground, Serial Data, Indicator and Stop Lamp Switch (w/o JL4)
Master Electrical Component List
ABS Description and Operation W/O JL4
Control Module References
Wheel Speed Sensors and VSS - w/o JL4
Ignition Switch - ACCY/RUN, RUN/START Bus Bars and IGN A Fuse
Ignition Switch - ACCY/RUN, RUN/START Bus Bars and IGN B Fuse
IGN E, ISRV, SIR, SPARE andTBC IGN 1 Fuses
B+ Bus - Underhood Fuse Block
Data Link Connector (DLC) Schematics
Fuel Controls - EVAP and Device Controls
Fuel Controls - EVAP and Device Controls
w/o JL4