GM Service Manual Online
For 1990-2009 cars only
Makes
🢒
Chevrolet
🢒
2005
🢒
Express
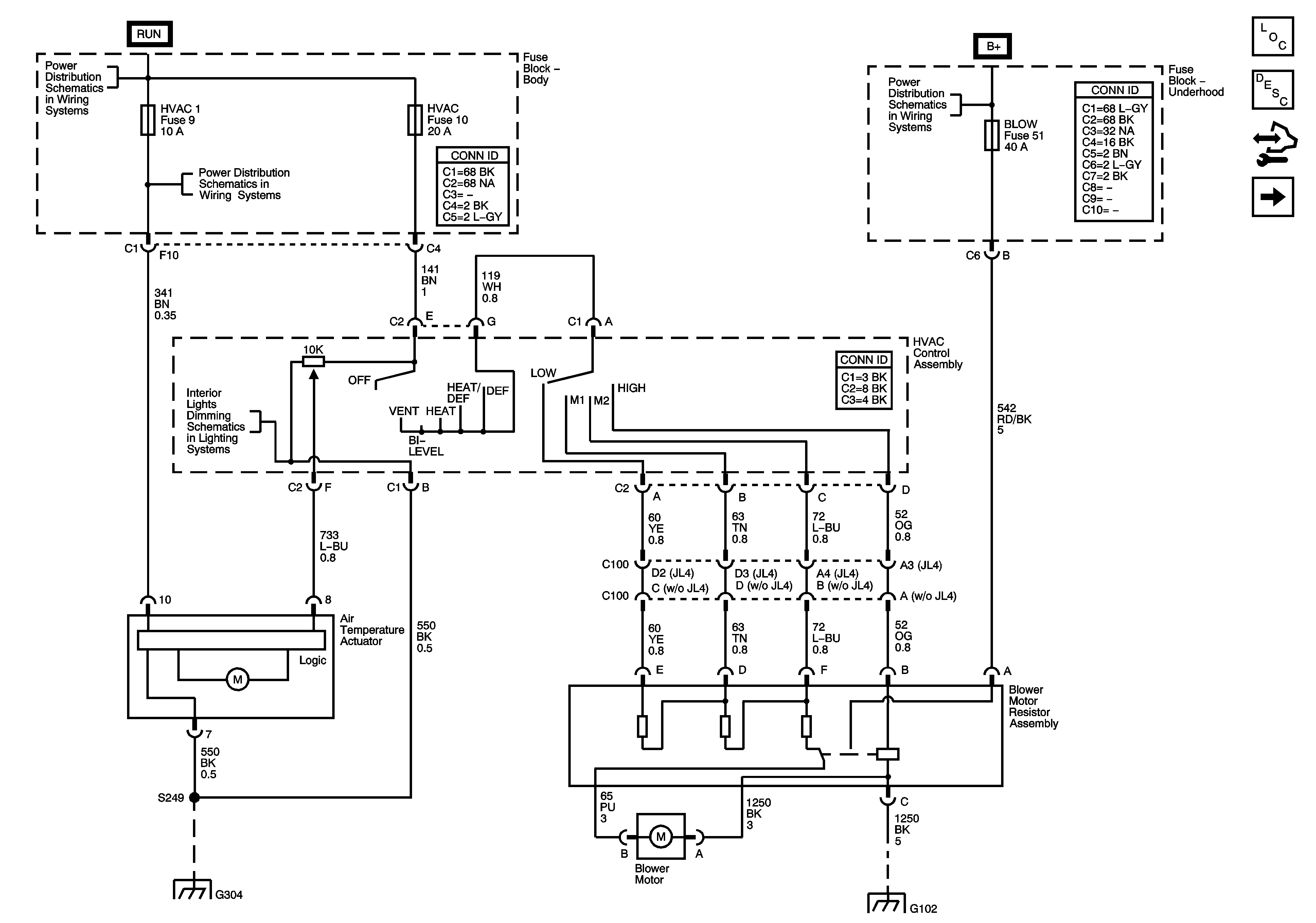
🢒 Primary Blower and Air Delivery Controls (C42)
Primary Blower and Air Delivery Controls (C42)
Primary Blower and Air Delivery Controls (C42)
Master Electrical Component List
Air Delivery Description and Operation
Control Module References
Primary Blower and Air Delivery Controls (C60)
Ignition Switch - ACCY/RUN, RUN/START Bus Bars and IGN A Fuse
HVAC 1 Fuse
B+ Bus - Underhood Fuse Block
I/P Dimming Supply Voltage - 1 of 3 and LED Dimming Supply Voltage
G303 and G304
G102