GM Service Manual Online
For 1990-2009 cars only
Makes
🢒
Chevrolet
🢒
2005
🢒
Express
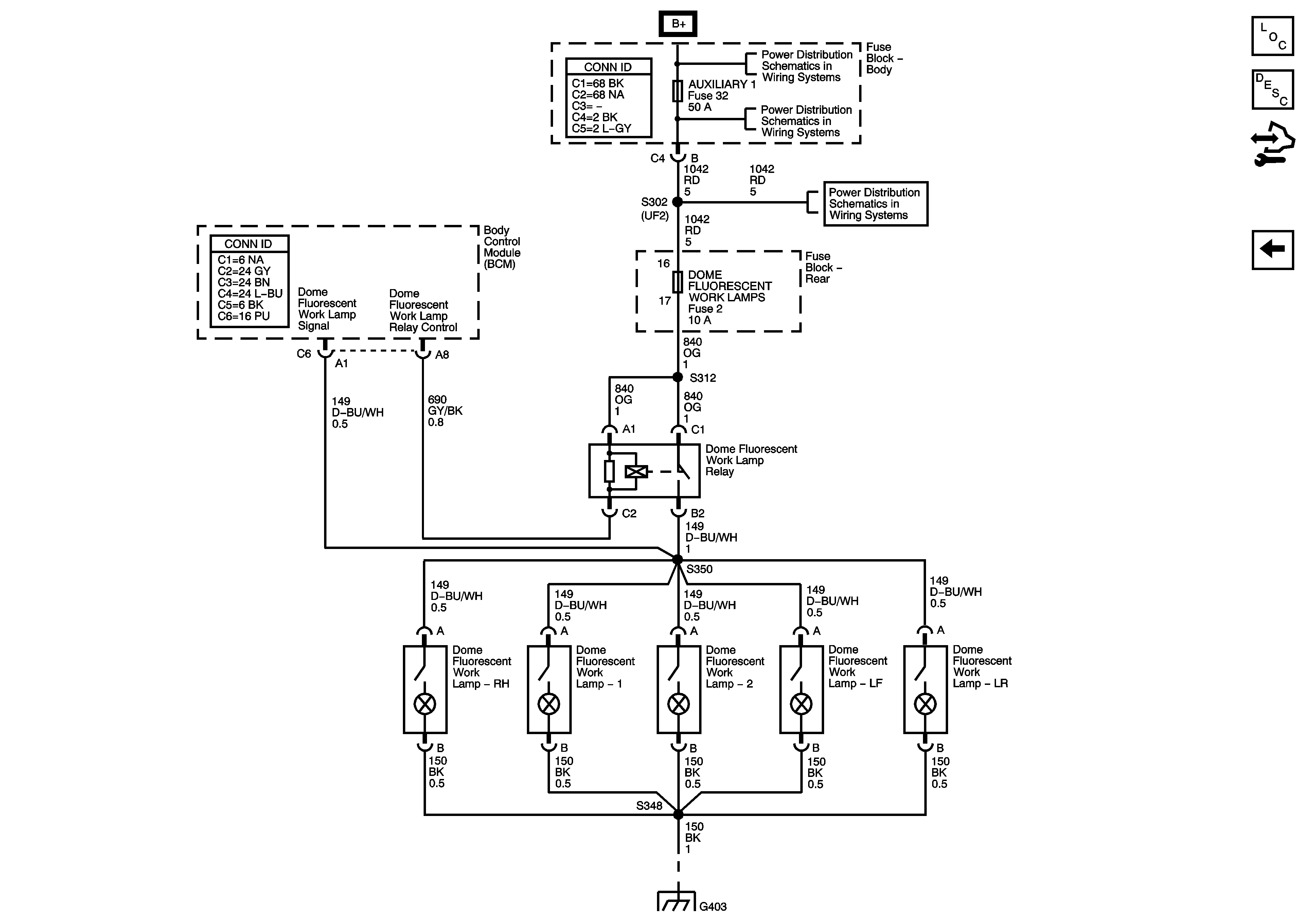
🢒 Dome Fluorescent Work Lamps (PRP w/UF2)
Dome Fluorescent Work Lamps (PRP w/UF2)
Dome Fluorescent Work Lamps - PRP (w/UF2)
Master Electrical Component List
Interior Lighting Systems Description and Operation
Control Module References
Underhood/Vanity Lamps and Door Jamb Switches
B+ Bus - Body Fuse Block
AUXILIARY 1, OSRVM, RR BLOWER and SPARE Fuses
DOME FLUORESCENT WORK LAMPS and PANEL ACTUATORS Fuses
G402 - Passenger/Cargo and G403 - PRP