GM Service Manual Online
For 1990-2009 cars only
Makes
🢒
Chevrolet
🢒
2005
🢒
Express
🢒 JL4
JL4
JL4
Master Electrical Component List
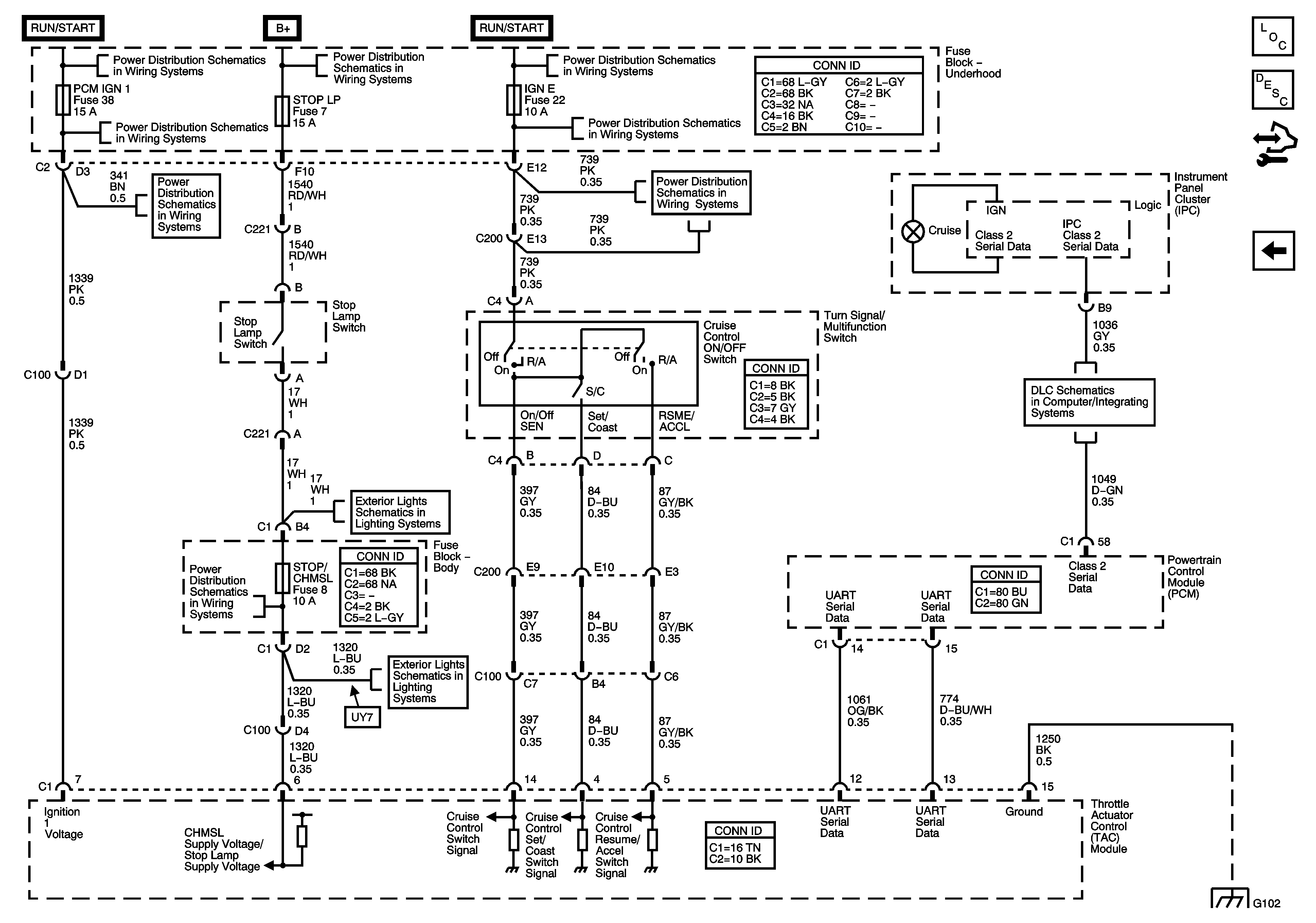
Cruise Control Description and Operation Without Throttle Actuator Control
Control Module References
w/o JL4
Ignition Switch - ACCY/RUN, RUN/START Bus Bars and IGN B Fuse
BTSI, BTSI/BU, O2A, O2B, PCM IGN 1, SPARE and TRLR BU Fuses
B+ Bus - Underhood Fuse Block
Ignition Switch - ACCY/RUN, RUN/START Bus Bars and IGN B Fuse
IGN E, ISRV, SIR, SPARE andTBC IGN 1 Fuses
BTSI, BTSI/BU, O2A, O2B, PCM IGN 1, SPARE and TRLR BU Fuses
IGN E, ISRV, SIR, SPARE andTBC IGN 1 Fuses
Data Link Connector (DLC) Schematics
DR TRN MIR, PASS TRN MIR and STOP/CHMSL Fuses
Hazard, Turn and Stop Lamp Signals
Hazard, Turn and Stop Lamp Signals
G102