GM Service Manual Online
For 1990-2009 cars only
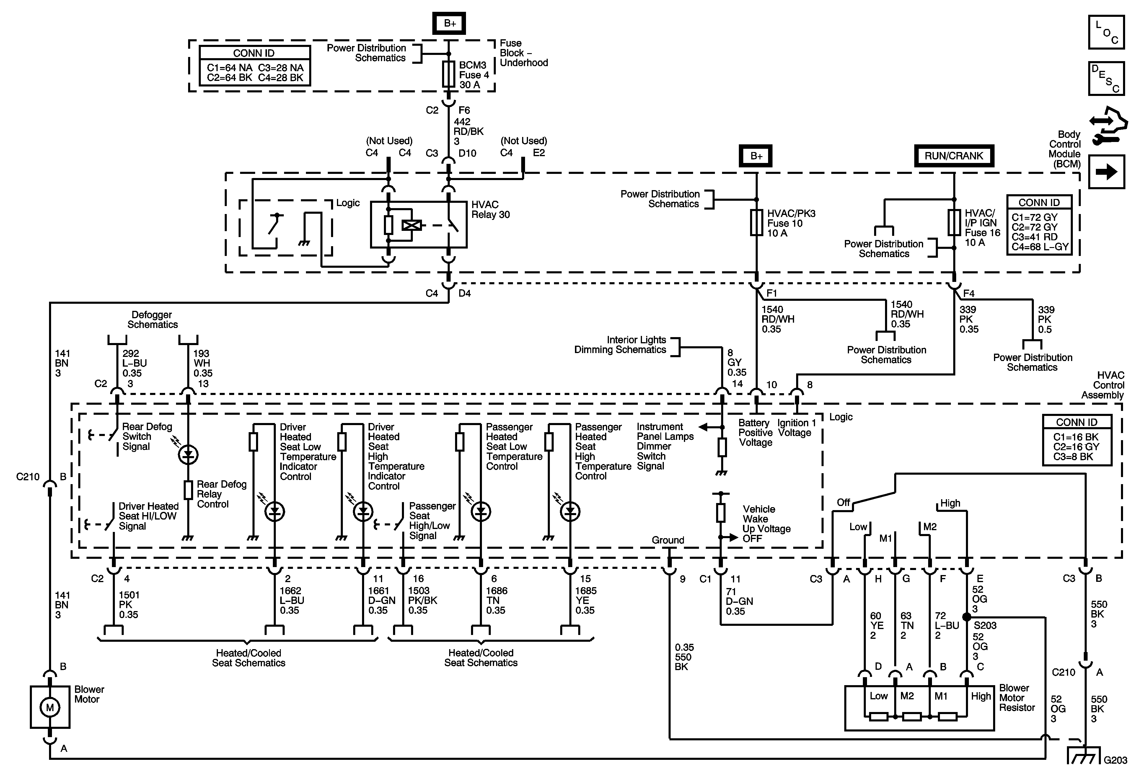
Figure 1:

Power, Ground, Blower Motor Controls, and Subsystem References


Object Number: 1768758  Size: FS
Master Electrical Component List
Air Delivery Description and Operation
Control Module References
Compressor Controls
Underhood Fuse Block - RUN/CRANK Relay, I/P IGN, PRK/NEUT, HTD/SEAT/BKC/UP, ABS (10A), ECM TRANS, ABS (30A), EPS, BCM2, BCM3, FRT AUX PWR OUTLET, S-BAND Fuses
Body Control Module - BCM2, HVAC/PK3, CLUSTER, IGN SW, STOP LPS, and AMP Fuses
Body Control Module - RUN/CRANK and HVAC Relays, I/P IGN, BCM3, WPR, AIR BAG, EPS/STR WHL CNTRL and HVAC/IP IGNITION Fuses
Rear Defogger
HVAC Control Module, Console Flood Lamp, A/T Shift Lock Control Solenoid, Door Lock Switches, and Outside Rearview Mirror
Body Control Module - BCM2, HVAC/PK3, CLUSTER, IGN SW, STOP LPS, and AMP Fuses
Body Control Module - RUN/CRANK and HVAC Relays, I/P IGN, BCM3, WPR, AIR BAG, EPS/STR WHL CNTRL and HVAC/IP IGNITION Fuses
Heated Seat - Driver
Heated Seat - Passenger
G201, G203
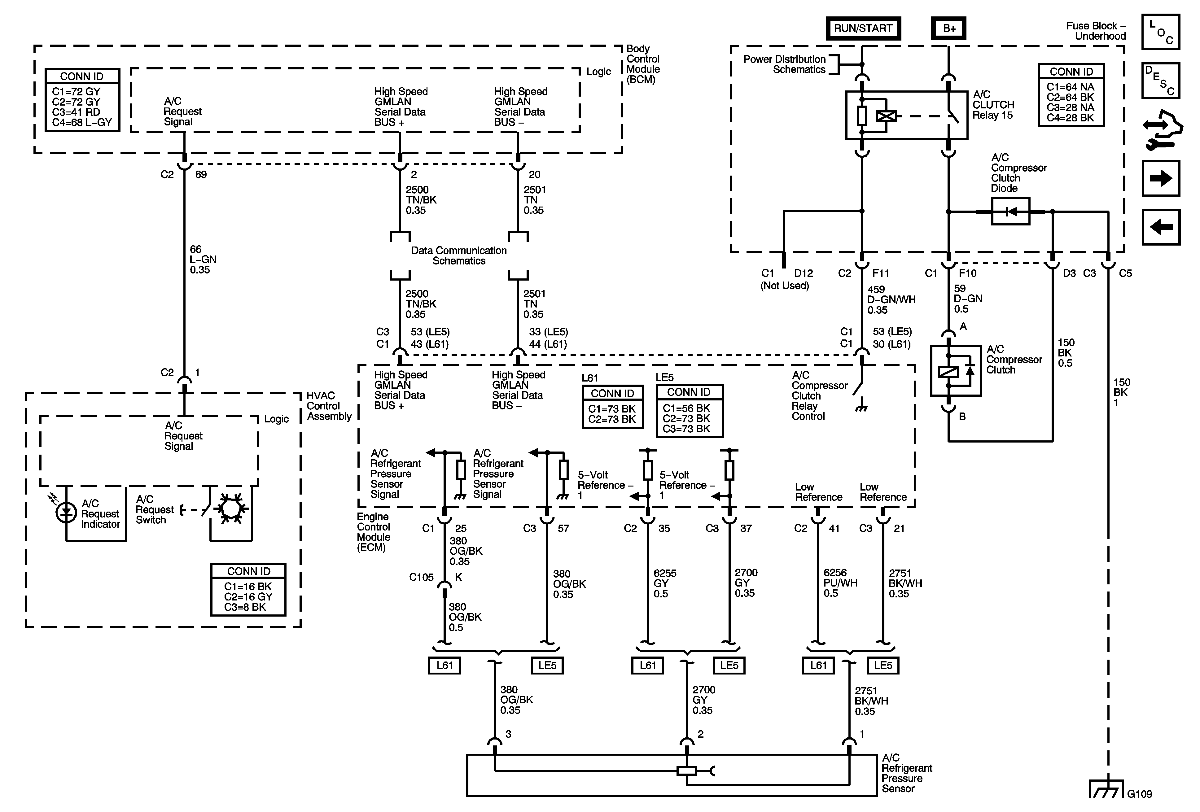
Figure 2:

Compressor Controls


Object Number: 1768767  Size: FS
Master Electrical Component List
Air Delivery Description and Operation
Control Module References
Mode and Air Temperature Controls
Power, Ground, Blower Motor Controls, and Subsystem References
High Speed GMLAN
Underhood Fuse Block - B+ Bus
G109
Figure 3:

Mode and Air Temperature Controls


Object Number: 1768776  Size: FS
Master Electrical Component List
Air Temperature Description and Operation
Control Module References
Compressor Controls