GM Service Manual Online
For 1990-2009 cars only
Makes
🢒
Chevrolet
🢒
2007
🢒
HHR
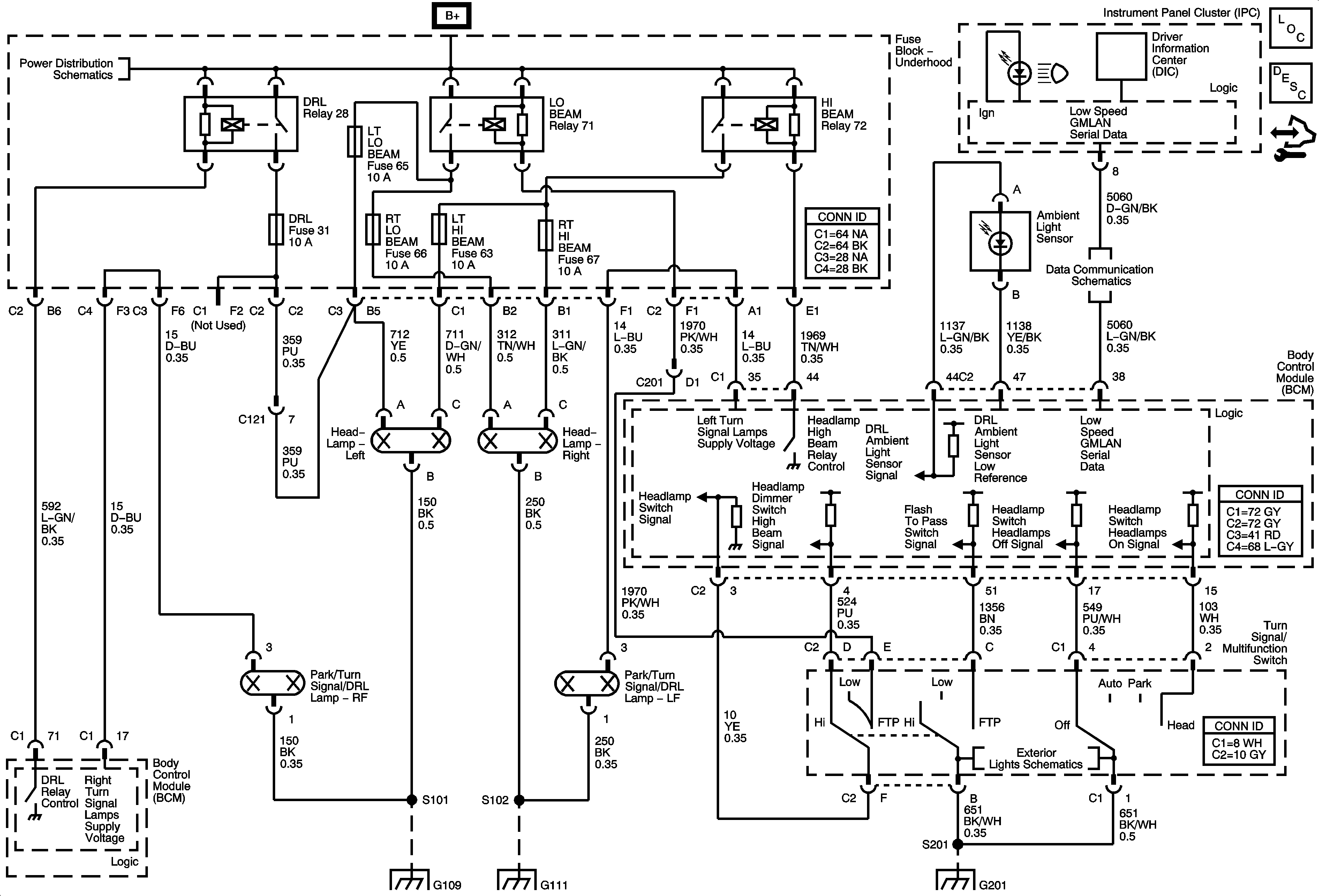
🢒 Headlights/Daytime Running Lights (DRL)
Headlights/Daytime Running Lights (DRL)
Master Electrical Component List
Exterior Lighting Systems Description and Operation
Control Module References
Underhood Fuse Block - B+ Bus
DLC Power, Ground, and Low Speed GMLAN
G109
G111
G201, G203