GM Service Manual Online
For 1990-2009 cars only
Makes
🢒
Chevrolet
🢒
2007
🢒
HHR
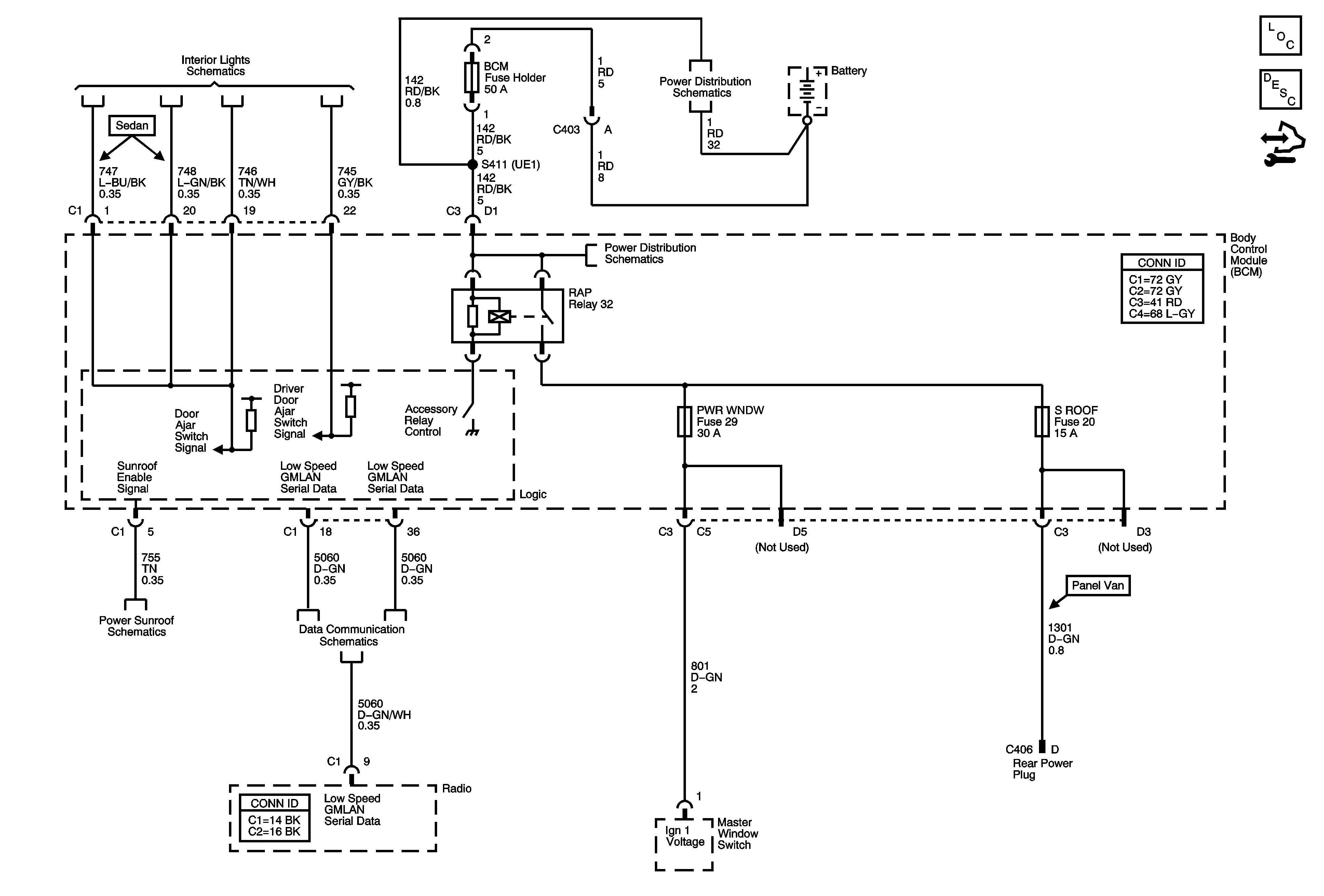
🢒 Power Moding Schematics - Retained Accessory Power (RAP)
Power Moding Schematics - Retained Accessory Power (RAP)
Retained Accessory Power (RAP)
Master Electrical Component List
Retained Accessory Power (RAP) Description and Operation
Control Module References
Interior Lights
Underhood Fuse Block - B+ Bus
Body Control Module - RAP, DRIVER DOOR UNLOCK PCB, DOOR UNLOCK PCB, DOOR LOCK PCB, and INTERIOR LAMPS PCB Relays, RDO, PWR WINDW, DR LCK, INT LIGHT, ECM/TCM, SDM, S ROOF and SPARE Fuses
Power Sunroof
DLC Power, Ground, and Low Speed GMLAN