GM Service Manual Online
For 1990-2009 cars only
Makes
🢒
Chevrolet
🢒
2000
🢒
Impala
🢒 Rear Lamps - 4 Door
Rear Lamps - 4 Door
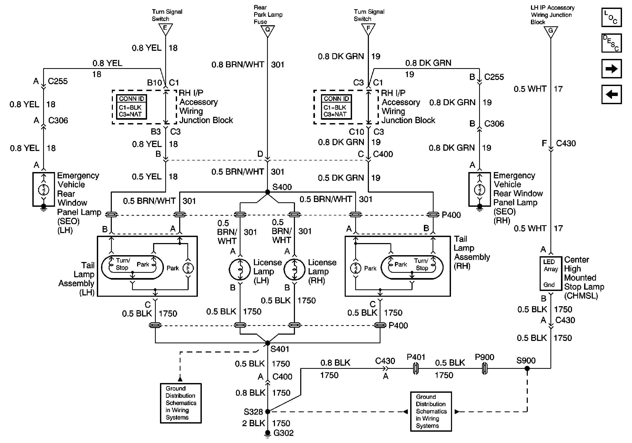
Rear Lamps -- 4 Door
Stationary Windows Components
Exterior Lights Circuit Description
Turn/Hazard Lamps Control - 2 Door
Front Park, Turn/Hazard Lamps - 4 Door
Turn/Hazard Lamps Control - 2 Door
Turn/Hazard Lamps Control - 4 Door
Park Lamps Control
Turn/Hazard Lamps Control - 4 Door
Turn/Hazard Lamps Control - 4 Door
G302
G302