GM Service Manual Online
For 1990-2009 cars only
Makes
🢒
Chevrolet
🢒
2000
🢒
Impala
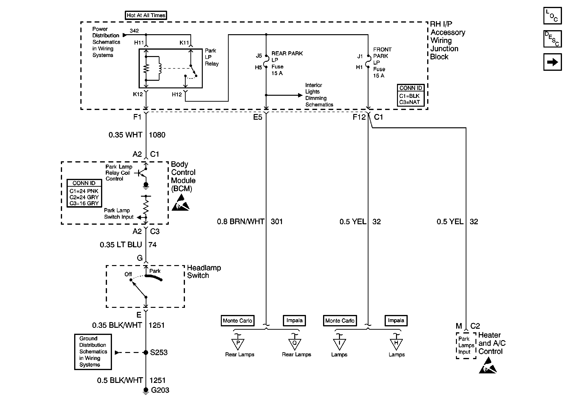
🢒 Park Lamps Control
Park Lamps Control
Park Lamps Control
Stationary Windows Components
Exterior Lights Circuit Description
Turn/Hazard Lamps Control - 4 Door
B/U LP, DIC/RKE and FRT PARK LP Fuses, and BACKUP LP, BATT RUN DOWN PROTECTION and PARK LP Relays
G203 (2 of 3)
Handling ESD Sensitive Parts Notice
BCM and Headlamp Switch
Rear Lamps - 2 Door
Rear Lamps - 4 Door
Front Park, Turn/Hazard Lamps - 2 Door
Front Park, Turn/Hazard Lamps - 4 Door