GM Service Manual Online
For 1990-2009 cars only
Makes
🢒
Chevrolet
🢒
2000
🢒
Impala
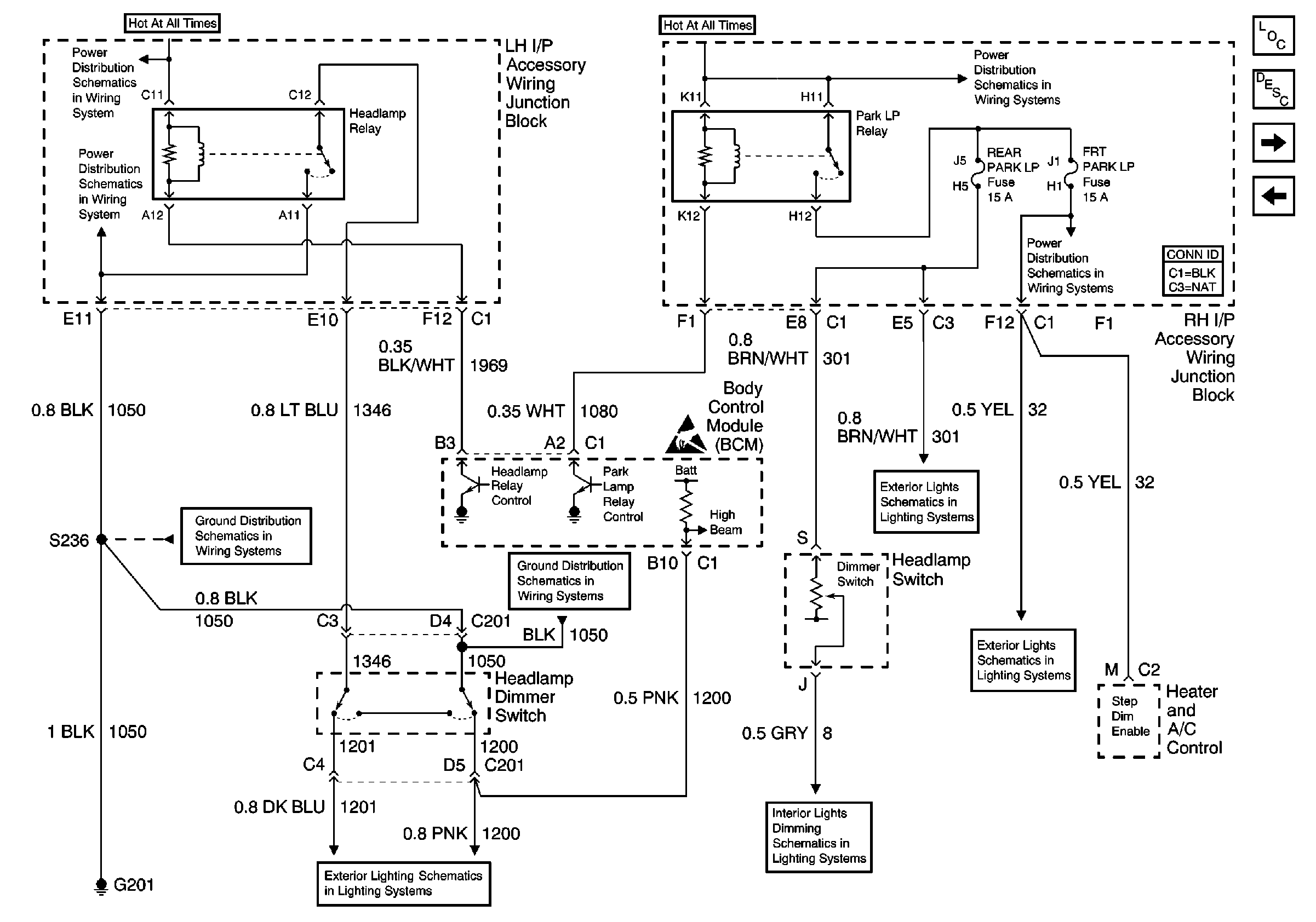
🢒 Headlamp Dimmer Switch, Headlamp Relay, Parklamp Relay
Headlamp Dimmer Switch, Headlamp Relay, Parklamp Relay
Headlamp Dimmer Switch, Headlamp Relay, Parklamp Relay
Headlamps Control
LH HTD ST/BCM, DR LK, PWR MIR and CLSTR/BCM Fuses, HEADLAMP and RETAINED ACCSRY PWR Relays, and RETAINED ACCSRY PWR Circuit Breaker
G201 (1 of 2)
G201 (1 of 2)
G201 (1 of 2)
BCM and Headlamp Switch
Park Lamps Control
Park Lamps Control
PWR DROP, REAR PARK, FRT PARK LP and HTD ST Fuses, PWR SEATS Circuit Breaker, and PARK LP Relay
Body Control Module Components
Body Control System Circuit Description
Brake Transaxle Shift Interlock Control, Rear Compartment Lid Release and Remote Control Door Lock Receiver
Headlamp Switch, Ignition Key Alarm Switch, Surveillance Switch and Park Brake Switch