GM Service Manual Online
For 1990-2009 cars only
Makes
🢒
Chevrolet
🢒
2000
🢒
Impala
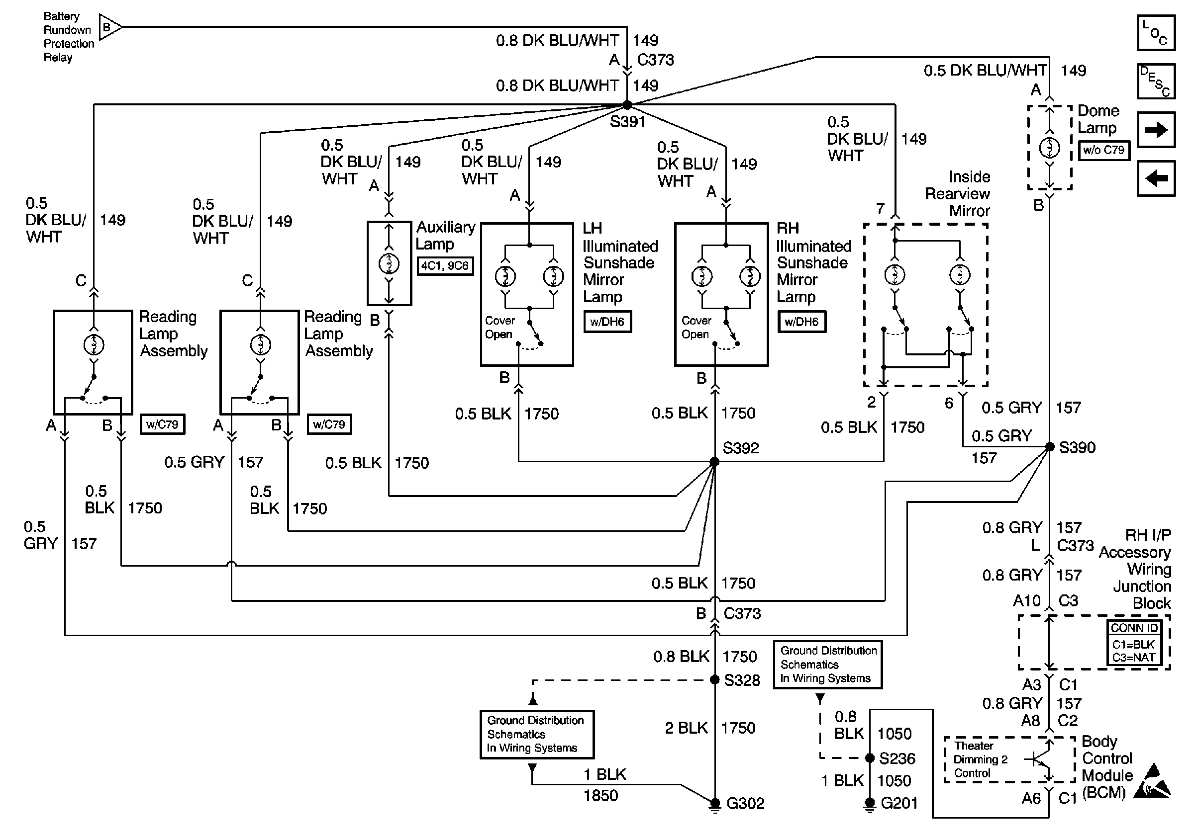
🢒 Interior Lights (2 of 2)
Interior Lights (2 of 2)
Interior Lights (2 of 2)
Interior Lights (1 of 2)
G302
G201 (1 of 2)
Handling ESD Sensitive Parts Notice
Body Control Module Components
Body Control System Circuit Description
SEO Rear Compartment Lid Relay
Interior Lights (1 of 2)