GM Service Manual Online
For 1990-2009 cars only
Makes
🢒
Chevrolet
🢒
2002
🢒
Impala
🢒 Cruise Control - Impala
Cruise Control - Impala
Impala
Master Electrical Component List
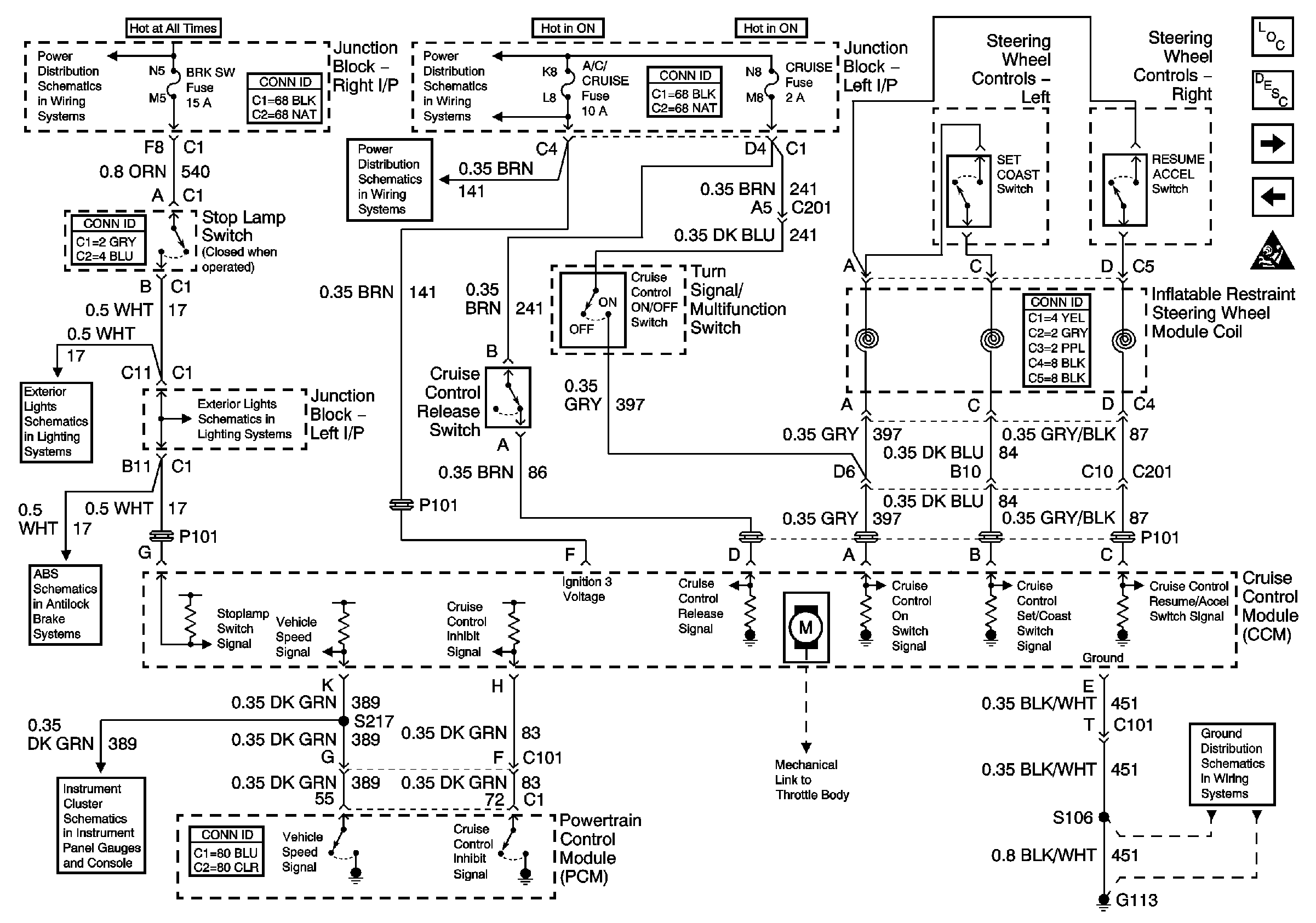
Cruise Control Description and Operation
Indicator Control
Cruise Control - Monte Carlo
Cruise Control Schematic Icons
AUX PWR, BRK SW, C/LTR, DRL/EXT LTS, HAZ SW, HVAC BLO, RT I/P#2. Spot Lamp-Left, and Spot Lamp-Right Fuses, DRL RLY Relay Fuses
A/C/CRUISE, A/C FAN, CRUISE, PCM/BCM/CLSTR, and PCM (CRANK) Fuses
A/C/CRUISE, A/C FAN, CRUISE, PCM/BCM/CLSTR, and PCM (CRANK) Fuses
G113 (2 of 2)
Ground, Odometer/PRNDL, Power, and VSS
PCM and Stop Lamp Switch
Rear/Turn/Stop/Hazard Lamps (Impala w/o 6J7)
Rear/Turn/Stop/Hazard Lamps (Impala w/o 6J7)