GM Service Manual Online
For 1990-2009 cars only
Makes
🢒
Chevrolet
🢒
2002
🢒
Impala
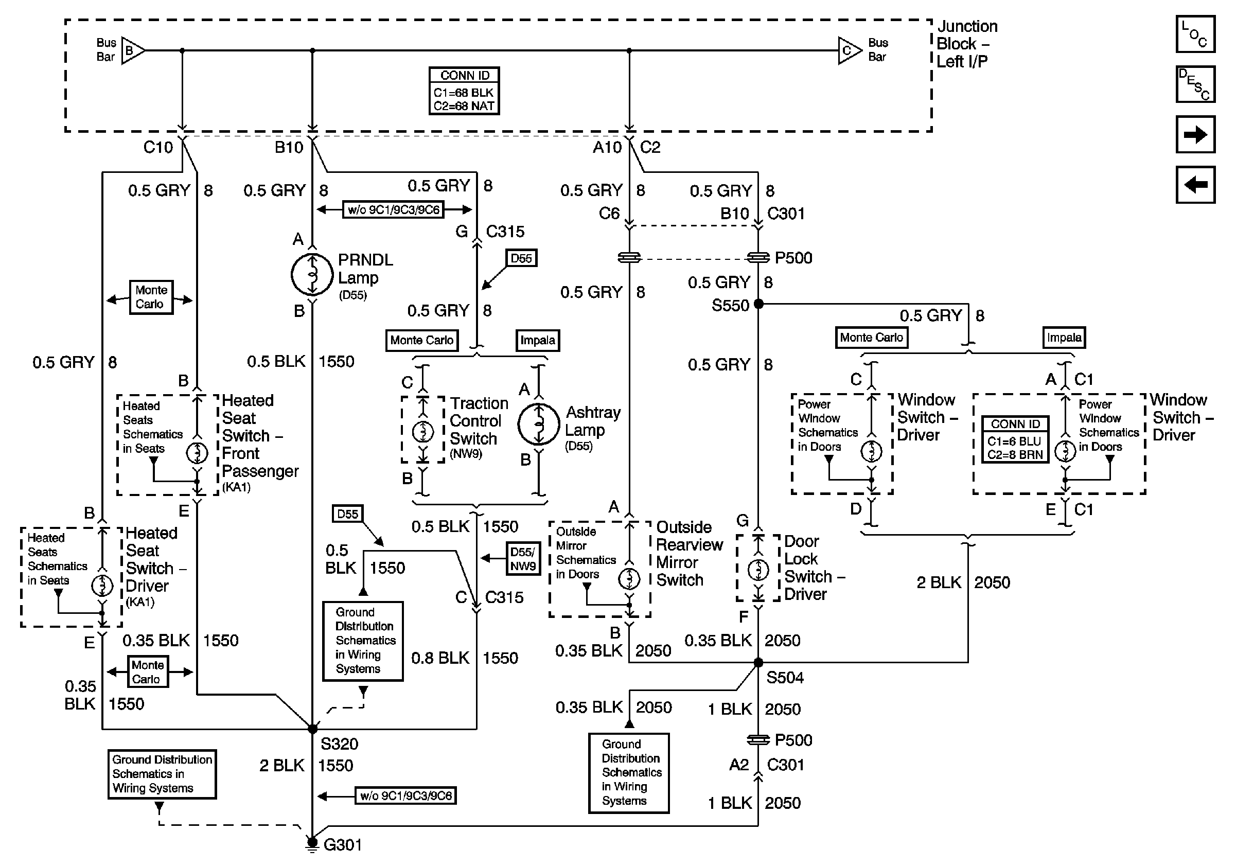
🢒 Console, and Driver Door
Console, and Driver Door
Console, and Driver Door
Master Electrical Component List
Interior Lighting Systems Description and Operation
Fog Lamp Switch, and Front Passenger Door
I/P
I/P
Fog Lamp Switch, and Front Passenger Door
G301 (1 of 2)
G301 (1 of 2)
Driver Seat (Monte Carlo)
Front Passenger Seat (Monte Carlo)
Power Mirrors
Monte Carlo
Impala Rear Doors
G301 (2 of 2)