GM Service Manual Online
For 1990-2009 cars only
Makes
🢒
Chevrolet
🢒
2002
🢒
Impala
🢒 Power Mirrors
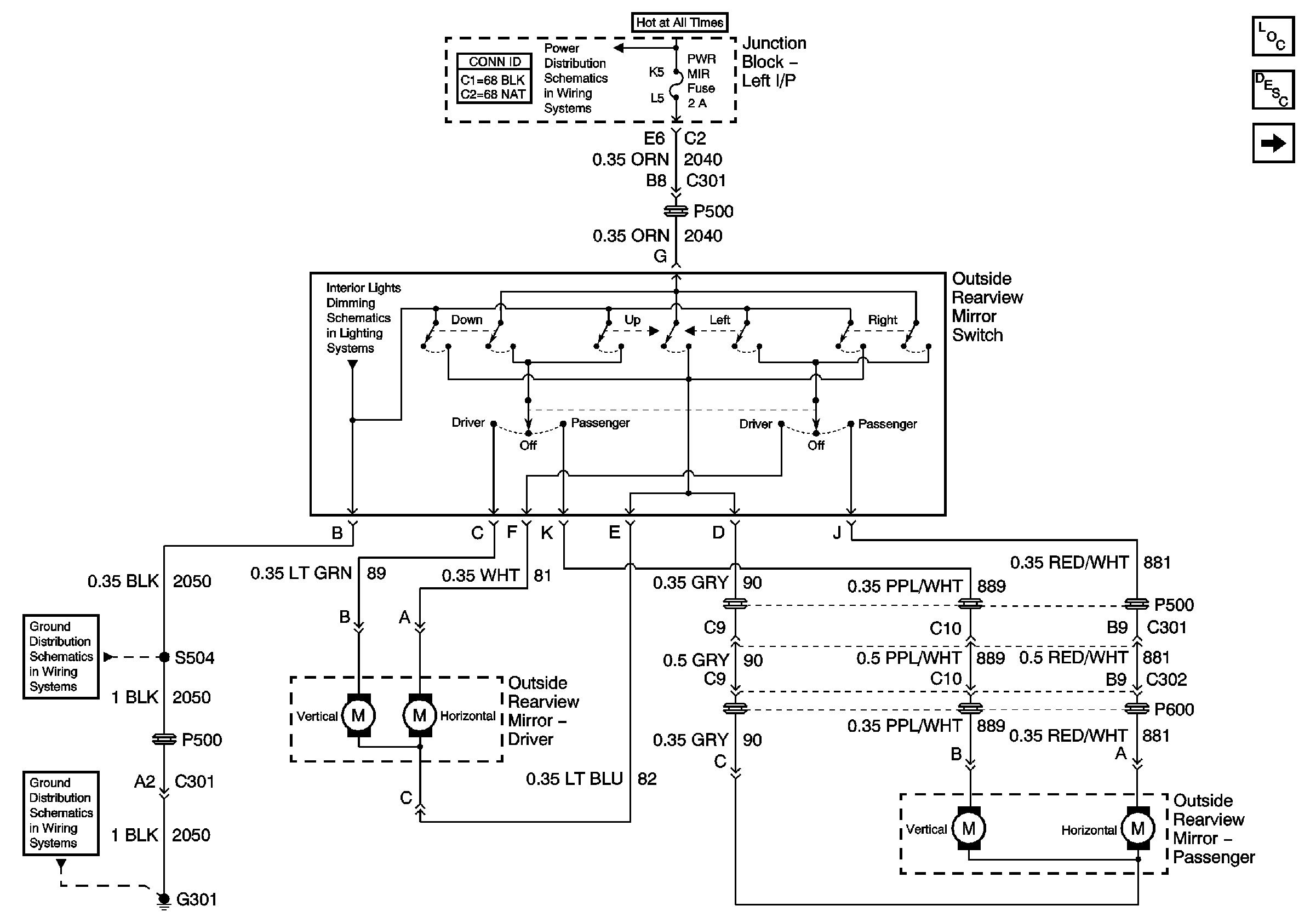
Power Mirrors
Power Mirrors
Master Electrical Component List
Outside Mirror Description and Operation
Heated Mirrors
Console, and Driver Door
CLSTR/BCM, DR LK, LEFT IP, LT HTD ST/BCM, and PWR MIR Fuses, RETAINED ACCSRY PWR BRKR Circuit Breaker, HEADLAMP, and RETAINED ACCSRY PWR Relays
G301 (2 of 2)
G301 (1 of 2)