GM Service Manual Online
For 1990-2009 cars only
Makes
🢒
Chevrolet
🢒
2002
🢒
Impala
🢒 Heated Mirrors
Heated Mirrors
Heated Mirrors
Master Electrical Component List
Outside Mirror Description and Operation
Power Mirrors
A/C/CRUISE, A/C FAN, CRUISE, PCM/BCM/CLSTR, and PCM (CRANK) Fuses
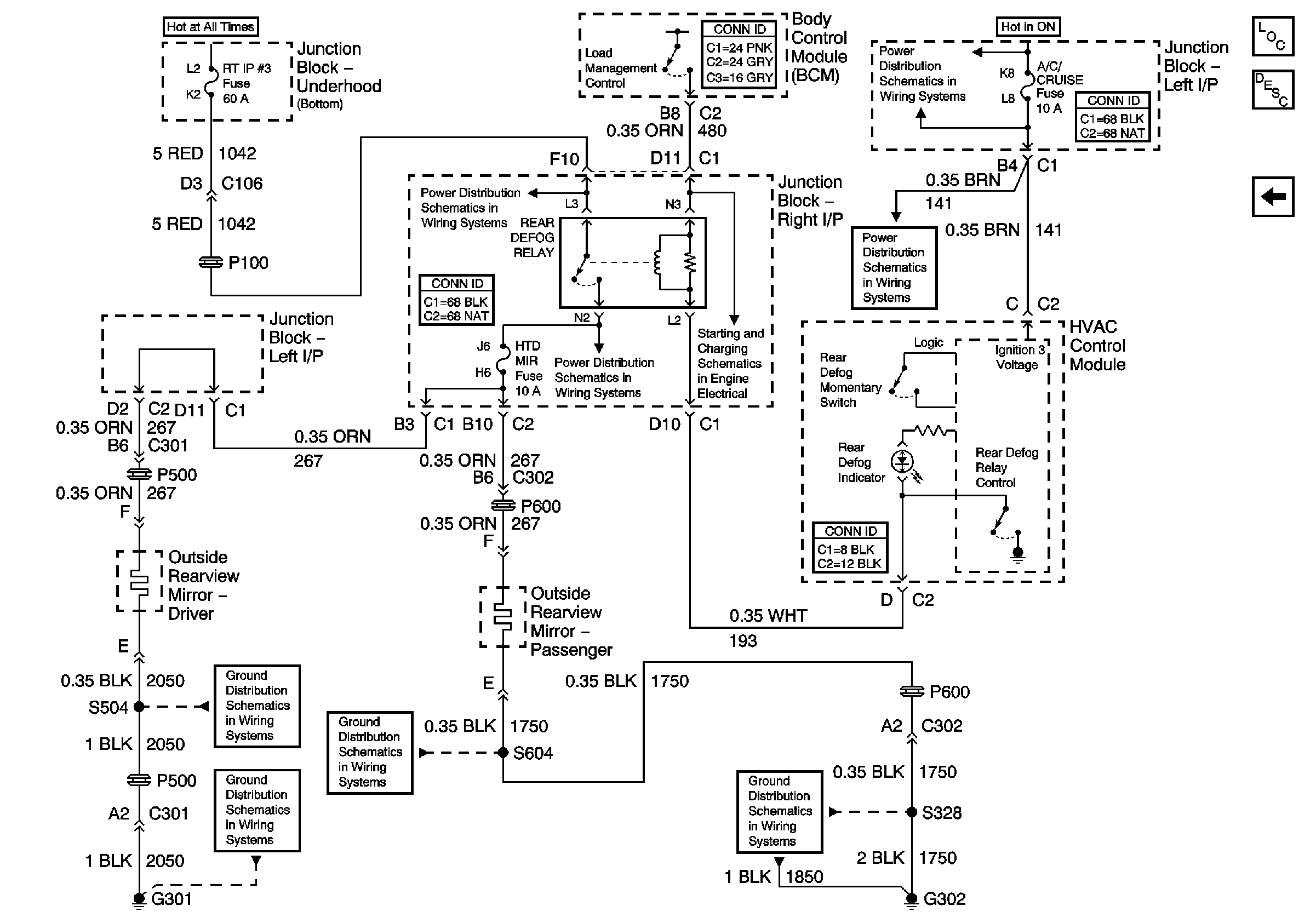
HTD MIR, RADIO, and RT IP#3 Fuses, REAR DEFOG Circuit Breaker, and REAR DEFOG Relay
A/C/CRUISE, A/C FAN, CRUISE, PCM/BCM/CLSTR, and PCM (CRANK) Fuses
HTD MIR, RADIO, and RT IP#3 Fuses, REAR DEFOG Circuit Breaker, and REAR DEFOG Relay
Load Management
G301 (2 of 2)
G301 (1 of 2)
G302 (1 of 2)
G302 (1 of 2)