GM Service Manual Online
For 1990-2009 cars only
Makes
🢒
Chevrolet
🢒
2002
🢒
Impala
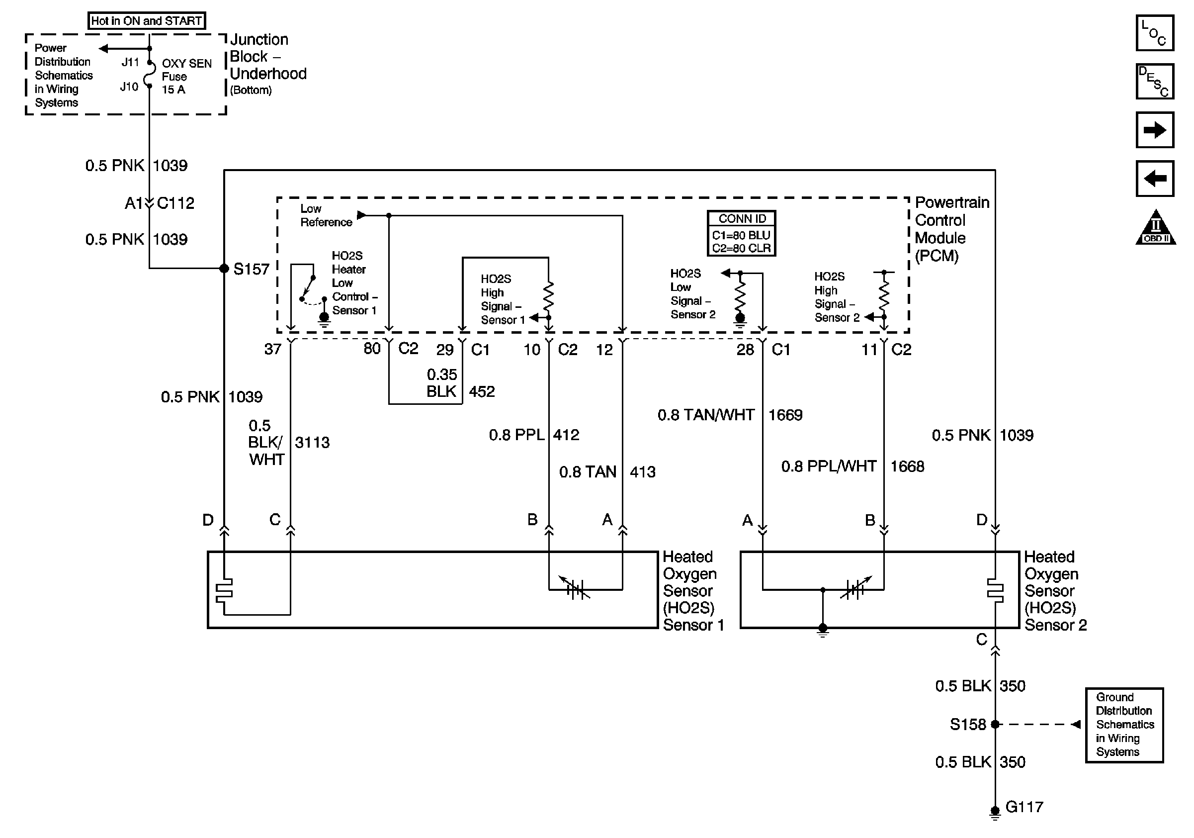
🢒 HO2S
HO2S
HO2S
Master Electrical Component List
Fuel System Description
Ignition Controls
MAF and VSS
Engine Controls Schematic Icons
5 Volt and Low Reference Bussing
Junction Block - Underhood (Bottom) Bussing
G100, G111, G113 (1 of 2), G117, and G151