GM Service Manual Online
For 1990-2009 cars only
Makes
🢒
Chevrolet
🢒
2007
🢒
Impala
🢒 Sedan
Sedan
Sedan
Master Electrical Component List
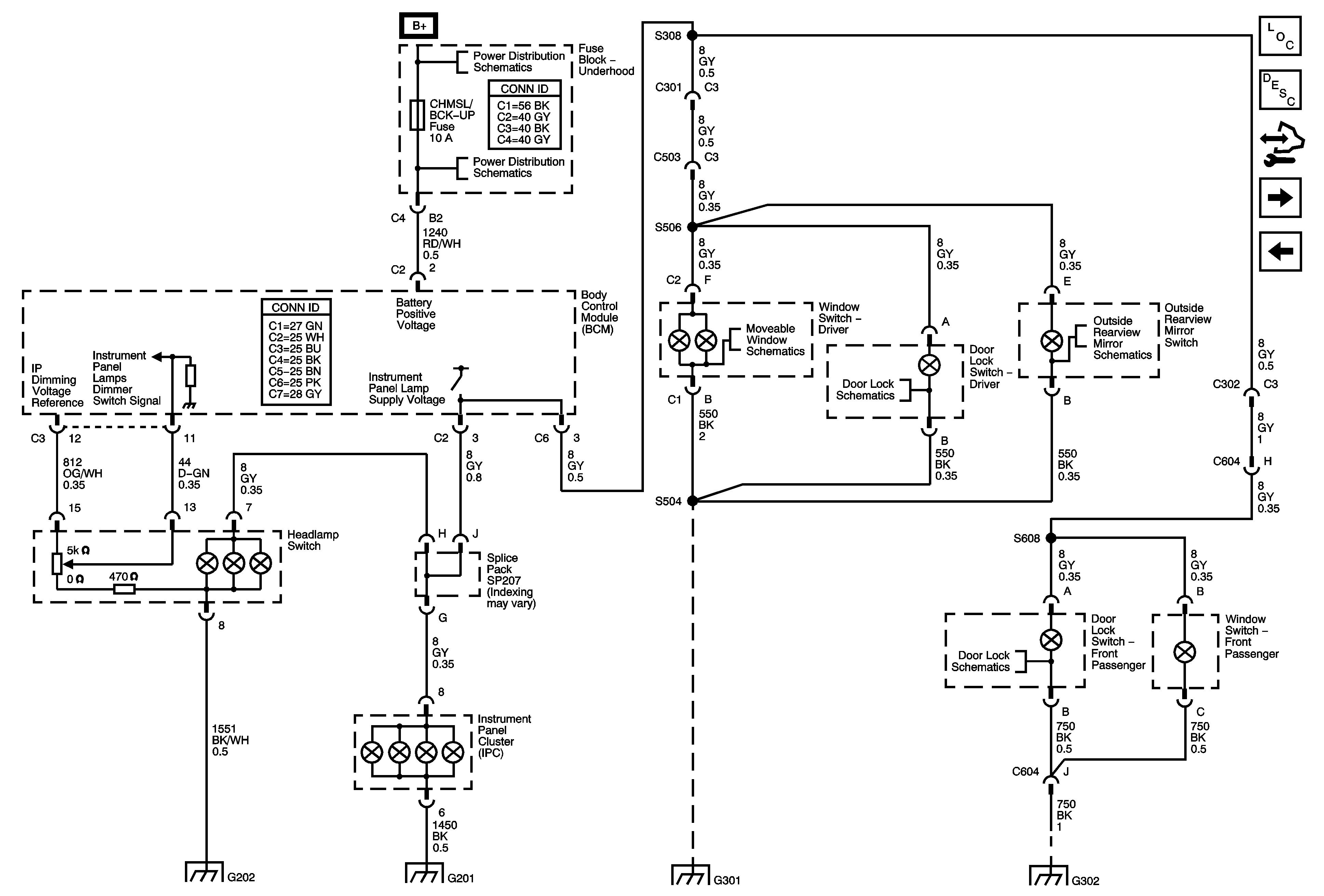
Interior Lighting Systems Description and Operation
Control Module References
Radio, HVAC Control Module, Driver Information Center (DIC) Switch, and Steering Wheel Controls
Coupe
Fuse Block - Underhood Bussing
Fuse Block - Underhood Bussing
INT LTS/PNL DIM, LT T/SIG, RT T/SIG, CHMSL/BACKUP, INT LIGHTS, RVC SEN, and ECM/TCM Fuses
Sedan
Door Lock Switches
Sedan
Door Lock Switches
G202 and G204
G201
G301
G302 (Sedan)