GM Service Manual Online
For 1990-2009 cars only
Makes
🢒
Chevrolet
🢒
2007
🢒
Impala
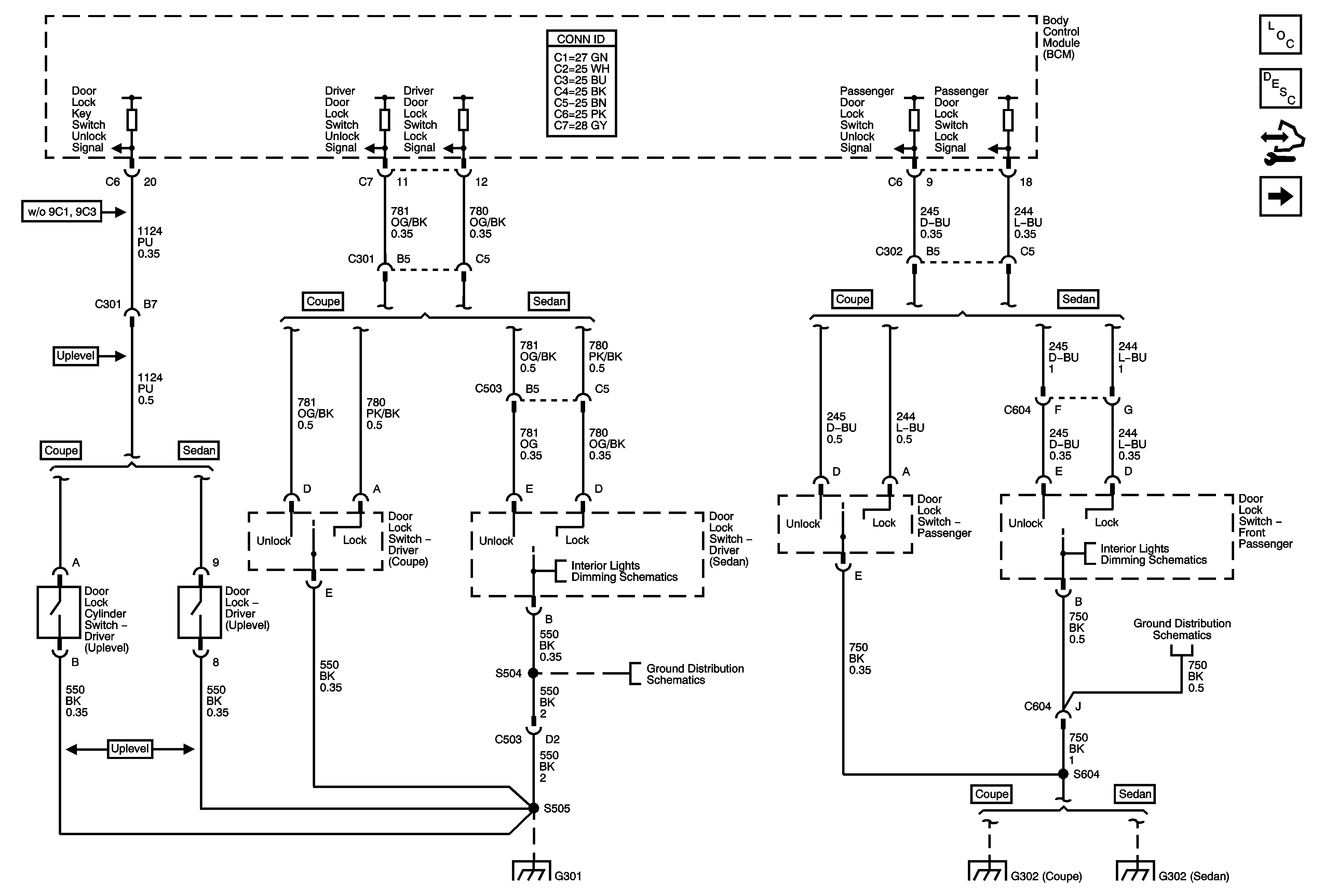
🢒 Door Lock Switches
Door Lock Switches
Door Lock Switches
Master Electrical Component List
Power Door Locks Description and Operation
Control Module References
Door Lock Actuators
Sedan
Sedan
G301
G302 (Sedan)
G301
G302 (Coupe)
G302 (Sedan)