GM Service Manual Online
For 1990-2009 cars only
Makes
🢒
Chevrolet
🢒
2007
🢒
Impala
🢒 Door Lock Actuators
Door Lock Actuators
Door Lock Actuators
Master Electrical Component List
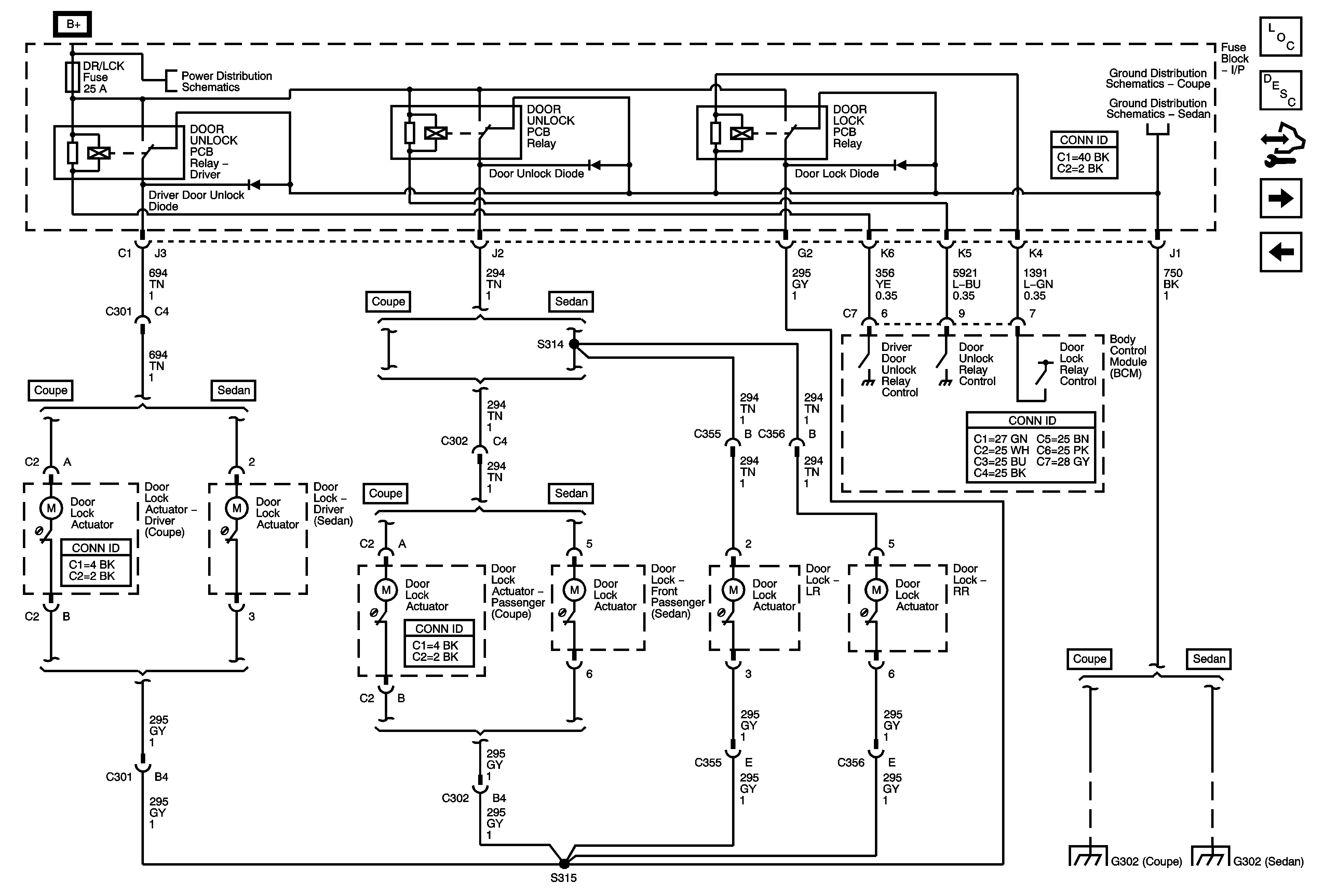
Power Door Locks Description and Operation
Control Module References
Door Ajar Indicators
Door Lock Switches
S/ROOF, DR/LCK, RAP Fuses, and RAP Relay, DOOR UNLOCK PCB Relay-Driver, DOOR UNLOCK PCB Relay, and DOOR LOCK PCB Relay
S/ROOF, DR/LCK, RAP Fuses, and RAP Relay, DOOR UNLOCK PCB Relay-Driver, DOOR UNLOCK PCB Relay, and DOOR LOCK PCB Relay
G302 (Coupe)
G302 (Sedan)
G302 (Coupe)
G302 (Sedan)