GM Service Manual Online
For 1990-2009 cars only
Makes
🢒
Chevrolet
🢒
2007
🢒
Impala
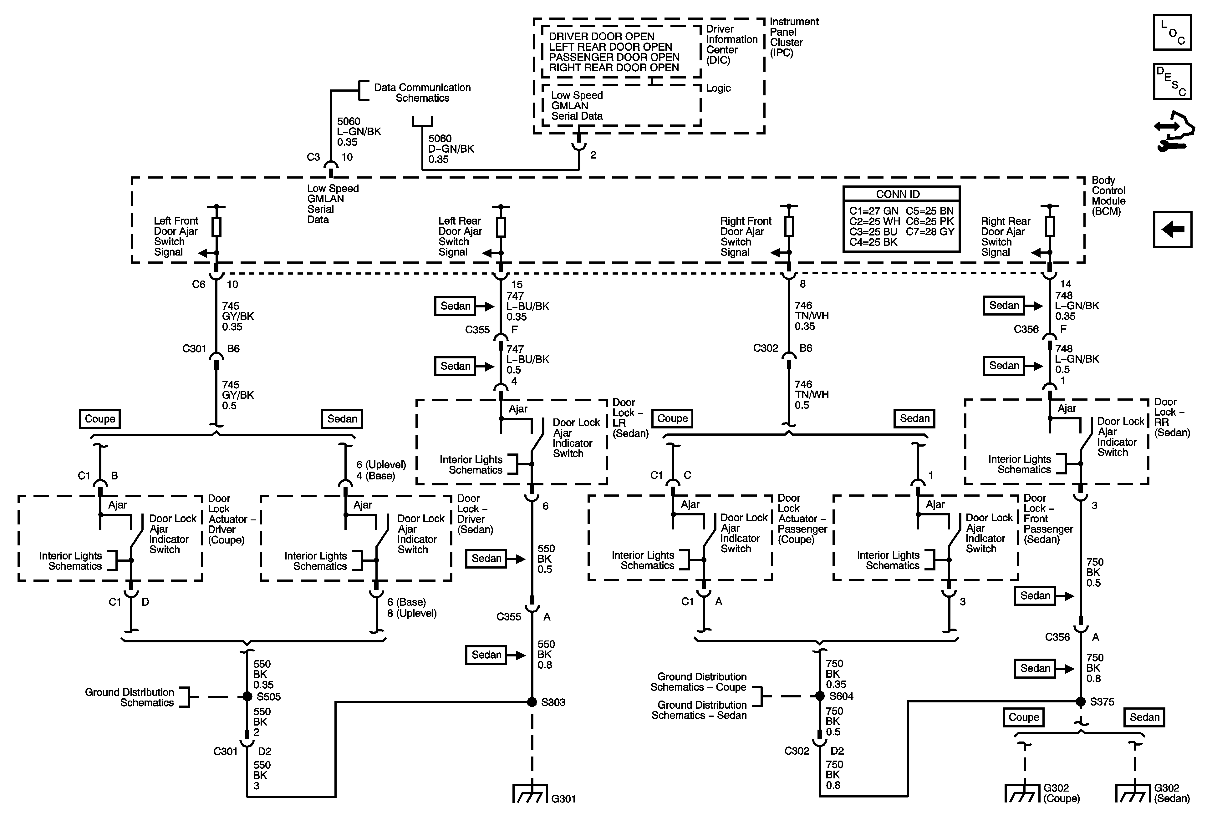
🢒 Door Ajar Indicators
Door Ajar Indicators
Door Ajar Indicators
Master Electrical Component List
Power Door Locks Description and Operation
Control Module References
Door Lock Actuators
Power, Ground, and Low Speed GMLAN Serial Data
Switches (Coupe)
Switches (Sedan)
Switches (Sedan)
Switches (Coupe)
Switches (Sedan)
Switches (Sedan)
G301
G301
G302 (Coupe)
G302 (Sedan)
G302 (Coupe)
G302 (Sedan)